工业生产中对电动机械的转速检测及应用极为广泛。本文介绍的单片机通用数字转速表,其结构简单,转速数据显示直观、精确。使用时,只需根据转速设备每转动一周所发出的脉冲数目来选择相应的开关组合,无需人工换算,此仪器即可自动显示出转速值,因此,它有着广泛的实用性。
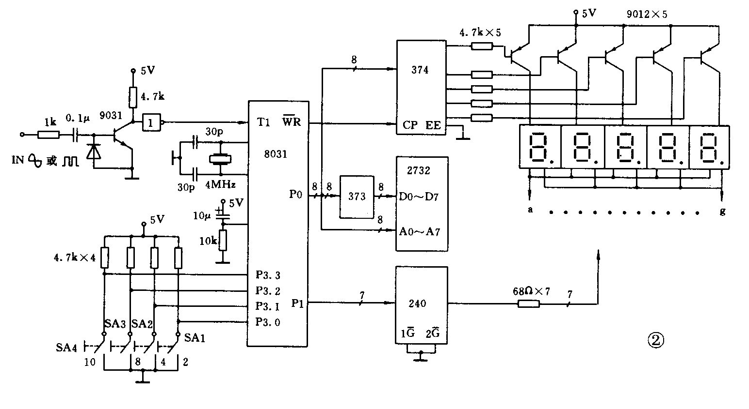
电路组成方框图见图1。8031单片机作为核心工作电路,它有2个内部定时/计数器T0和T1,其中T1被设置成计数器工作方式,被测转速脉冲信号经放大、限幅和整形后成为矩形波送给T1端,作为T1端的计数脉冲;T0被设置成定时器工作方式,用来提供秒时基脉冲信号。每一秒钟的开始时刻,T1对转速脉冲信号N进行采样;每一秒钟结束,T1采样完毕。程序中将此累计采样值乘以相应的系数,再进行二——十进制变换以后,送到显示器中进行显示,同时将T1计数器清零。循环执行以上工作过程,仪器即进入周期性的自动测量及转速显示。

由于转速一般指每分钟内的转速值,又因为不同的转速机械每转一周时,发出的脉冲信号S不同,可能是每转一周只发出一个脉冲信号,也可能是每转一周发出2个、4个、6个等脉冲信号,因此,显示器最后显示出每分钟内的实际转速值,应为N×60/S(r/min)。
电路见图2。选择开关的作用是根据转速机械每转一周发出的脉冲个数,合上相应的开关,为程序提供判别标志。选择开关SA1~SA4分别接在P3.0~P3.3端,当开关全部打开时,P3.0~P3.3均为“1”,此种状态对应于设备每转一周只发出一个脉冲信号的情况。开关上端所标2、4、8、10,其含义为:合上相应开关,对应于设备每转一周所发出的脉冲个数S,例如:当SA1、SA4闭合时,S=2+10,此种情况也等同于SA2、SA3闭合。因此可根据设备每转一周所发出的脉冲信号个数,合上相应开关。

显示器采用5位LED共阳极数码管,相同的各显示段均并联在一起,由8031的P1口提供段选信号,并经74LS240反相驱动。各显示器公共电极的高低电平由74LS374进行控制,并由晶体管进行放大。显示器的各段都点亮时,电流可达80mA左右,每段的电流约为10~15mA。74LS374在程序控制下对位选信号进行锁存。(孙继安)