本文介绍的电子中奖号码开奖机,电路新颖,工作可靠。使用时,以显示数不停地闪烁模拟摇奖过程中带号码圆球的滚动。用延时时间的可调性模拟摇奖时间长短的不定性。以数码稳定的显示模拟摇奖掉出的圆球号码。它是取代摇奖机理想的电子装置。
工作原理

图1为整机工作的流程框图。按一下SB,延时电路工作,触点从断开变成闭合,振荡器和IC音乐块同时获得直流工作电源。振荡器输出的脉冲信号推动计数译码器工作。计数译码器的输出经BCD编码器,再经笔段译码器使显示头不断地闪烁翻滚数字。同时,IC音乐块启动,扬声器对外播放音乐,以活跃开奖气氛。经一段时间延时,触点自动断开。振荡器和音乐块因电源的中断均停止工作。显示头显示出稳定的0~9其中之一的数码。根据约定,经公证处认可,此数码作为高位或低位的有效数字。再按一次SB,又将重复上述过程。待第二次显示数稳定下来,第二位有效数字又产生了。经过多次重复操作,即可产生多位数的奖号。

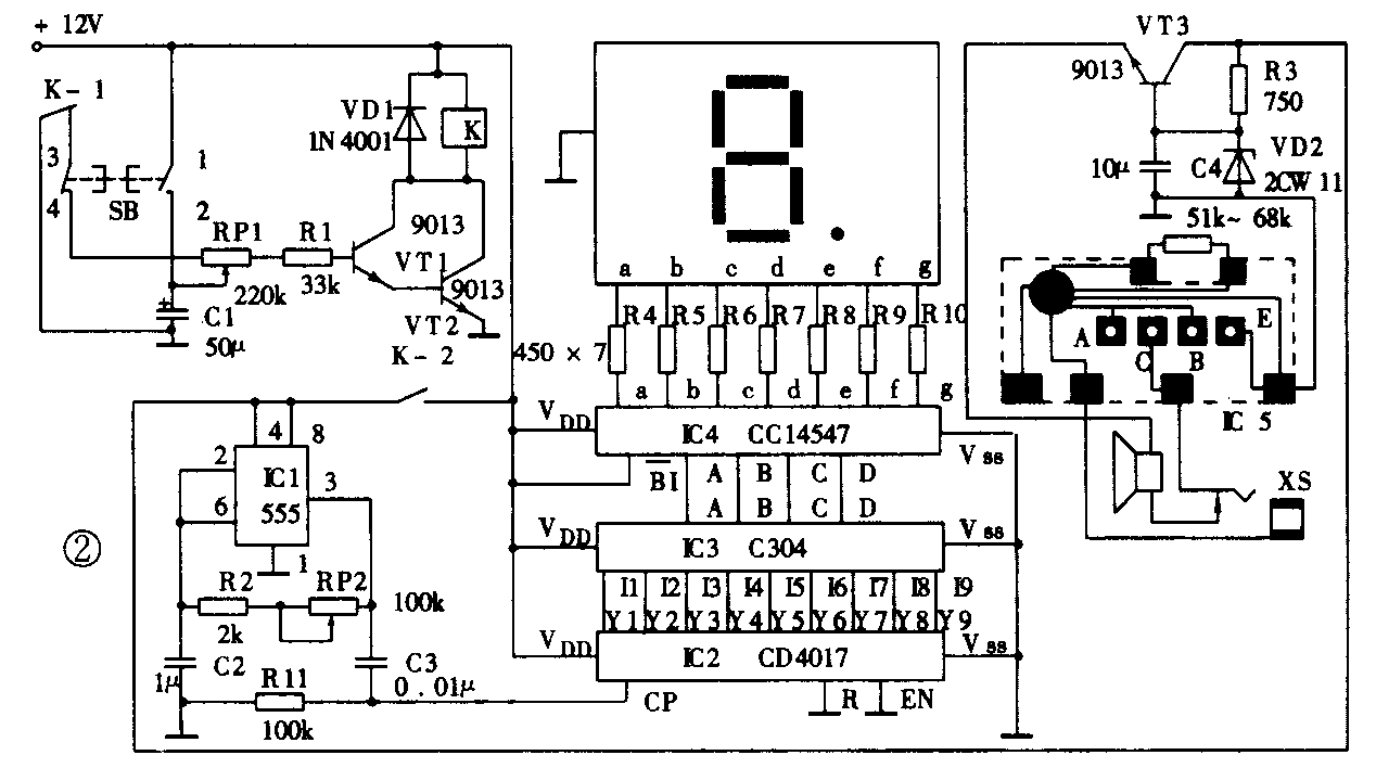
图2为中奖号码电子开奖机原理图。在介绍电路之前,让我们先了解一下C304十进制BCD编码器的工作原理。C304为CMOS集成块,有9个输入端(I1~I9)和4个输出端(D、C、B、A)。9个输入端在任何时候最多只允许其中一个为高电平或全是低电平。假定只有I8为“1”(相当输入十进制数的8),其BCD码为1000。所以C304的输出端D=1,C=0,B=0,A=0。输入与输出的对应关系见附表,其中H为高电平,空格为低电平。

C1、RP1、R1、VT1、VT2、K继电器和SB自复按钮构成延时电路。K-1、K-2是K自身的两组触点。VD1是K的续流二极管,用于保护VT1、VT2。IC1、R2、RP2和C2组成频率可调振荡器。R3、VD2、C4、和VT3为二次稳压电路,用以提供IC5合适的工作电压。可调振荡器和IC5音乐块能否工作,均受K2触点控制。C3和R11组成振荡脉冲微分输出耦合电路。IC2为十进制计数、译码集成块。IC3为十进制数BCD编码集成块。IC4为显示笔段译码器,它主要是将BCD码编译成相对应笔划段的高低电平,用此去控制LED7段显示头的显示数。
由指定开奖人随意调节RP1和RP2电位器,用以改变延时时间和振荡频率。由于RP1和RP2均被随意改变了位置,所以延时时间多长,振荡频率多高,任何人都无法预测,从而可杜绝营私舞弊行为的发生。接着,指定开奖人按一下SB即松手。SB按下,1、2点接通,3、4点断开。1、2两点接通使C1迅速充满电荷,同时使VT1、VT2迅速饱和导通而带动K得电吸合。K-1触点由闭合转为断开,K-2触点由断开转为闭合,IC5音乐集成块工作,扬声器对外循环播放音乐,以示开奖了。同时,IC1的3脚不停地输出脉冲推动IC2计数译码。IC2的Y1~Y9(Y0未接入)轮流循环输出高电平,7段显示头显示的数字在0~9间快速地循环扫描闪烁。
SB松开后,K的得电是由C1上充足的电荷经RP1、R1对VT1、VT2的b、e极放电维持的。随着时间的延长,C1上的电荷越来越少。当少到不能维持VT1、VT2导通时,K立即释放。K-1触点闭合,将C1上仍残存的少许电荷释放殆尽。K-2触点断开,IC1输出端脉冲消失。IC2停止计数,显示头显示出稳定的数字。同时,音乐声停止,说明第一位开奖号已产生。接着,依需要重复操作多次,就能产生所需位数的奖号。
元器件选择与安装调试
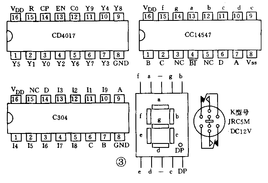
IC1实用型号为NE555,直接代用型号有5G155、FD555、FX555。IC2、IC3、IC4、共阴极LED7段显示头和继电器K的出脚顺序及内容如图3所示。XS为扩音信号输入插口。在观众较多的场合下,可用扩音机播放开奖循环音乐,以增强渲染气氛的效果。K选用JRC5MDC12V微型密封继电器。IC5选9300音乐集成块。


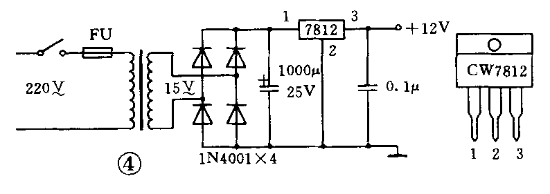
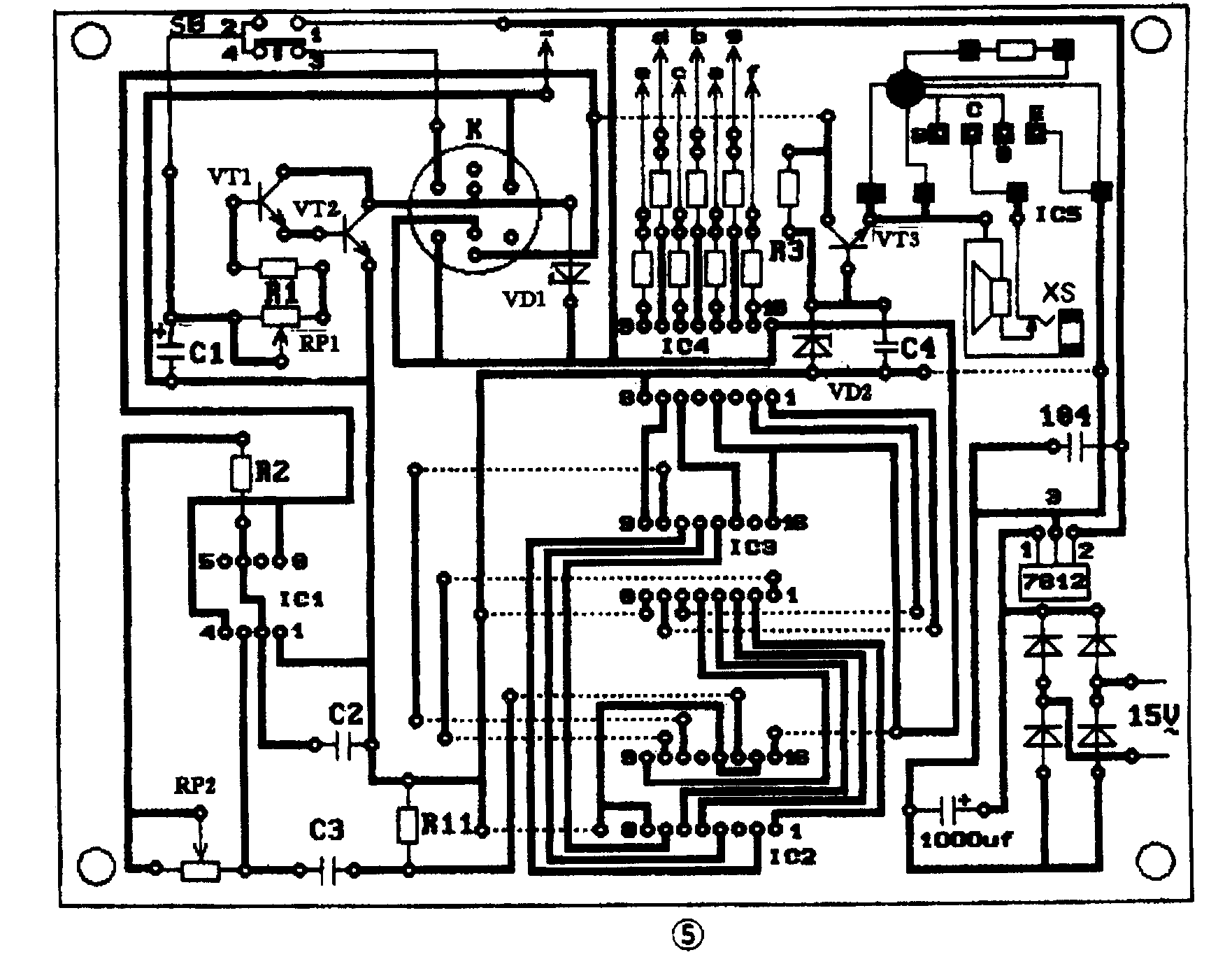
12V直流电源可依图4进行制作。主电路印制板如图5所示。在装焊元器件之前,先将图中所有跳线(虚线)用细导线连接焊好。IC5音乐集成块焊在印板面。其他各元器件均从印板背面装入,再从印板面将出脚焊牢。图6a为7段显示头印板图(采用双面敷铜板),图中虚线矩形为1×10针状插座,从印板面装入,在印板背面将出脚焊牢(插座上1为防误插标志)。与插座配套的插头在印板下方,信号来源于大印板(图5)箭头处标有-、e、d、c、b、a、g、f的各点,用导线将图5箭头处各点对应接入插头相同字符的位置上,这样将插头插入插座,7段信号就进入显示头。最后,将图6a印板转动180°使背面朝上,从背面将LED7段显示头的引脚对应插入上下孔位焊牢即可,见图6b。


整机外型见图7。扬声器音响从放音孔向外播放。插孔XS为扩音机输入插孔。RP1、RP2均在调节杆上装配旋钮,以方便调节。显示头将图6b嵌装到前面板即成。变压器、大印板均固定在整机内部。罩盖(罩壳)用有机玻璃制作成可翻可盖活动自如的形式。使用时将电源插头与市电接通即可。(金有锁)
