电容式接近开关是一种动作灵敏、性能稳定可靠的无触点的控制器件。它的优点是除了能检测金属材料外,还能检测玻璃、木材、纸张、塑料以及粉末和液体等非金属材料。可用作计数、定位、限位、液位、粉状物位置的控制,被广泛用于自动控制领域。
有关电容式接近开关的工作原理,本刊1995年第8期“接近开关”一文曾作过介绍。本文以台湾和可公司产品为例,侧重介绍一些电容式接近开关应用方面的有关问题。
一、电容式接近开关的外形结构
电容式接近开关有两个系列。
(1)TLK系列:外形为圆柱形,材料为PBT或ABS塑料。平面的一端为检测面,相对的尾部有电源和输出引线。柱体上有指示灯,尾部有小孔,内有供调节灵敏度的电位器。圆柱体外有螺纹,还有固定用的螺母,也有的装有供固定用的支架。外形见图1(a)。

(2)TK系列:外型为立方体,材料为ABS塑料。平面一端为检测面,尾部有引线,详见图1(b)。柱体的另一侧面带有指示灯和调节灵敏度的小孔。尾部一侧有供固定用的两个圆孔。
电容式接近开关的引线,用直流电源的有3根,它们的颜色为棕、黑、蓝。用交流电源的只有2根引线,它们的颜色是棕、蓝。负载和电源的连接方法见后面的说明。
二、电容式接近开关的型号和性能
(1)型号
电容式接近开关的型号如下

①:用2个或3个字母表示系列。“TLK”为塑壳圆柱形;“TK”为塑壳方形。
②:用字母C表示检测距离可调整。无字母则为不可调。
③:用2位数字表示检测距离,单位为毫米。“25”表示检测距离为25mm。
④:用字母和数字表示内部电路使用电源和外部电路通断情况的类别,共有6种:
NE1和NE2:使用直流电源,输出为NPN型晶体管;NE1为动合(常开)型,NE2为动断(常闭)型。
PE1和PE2:使用直流电源,输出为PNP型晶体管;PE1为动合型,PE2为动断型。
A1和A2:使用交流电源;A1为动合型,A2为动断型。
本例中“NE1”表示使用直流电源、输出为NPN型晶体管、外电路为动合型的接近开关。
⑤:用数字表示引线的长度,单位为米。“4”表示引线长度为4米;无数字则为标准长度2米。
⑥:用字母C表示引线带有快速接头。无字母则不带接头。
(2)主要技术性能
在选用接近开关前至少要了解以下几个主要的技术指标。
1)检测距离:指被检测物按规定方式移近接近开关,使开关动作时,测得由开关检测面到被检测物的距离。TLK系列为8~25mm,TK系列为15mm。这个参数是按标准检测体(铁)测得的。实际应用中如被检测物材料不同,应按手册给出的修正系数修改。
2)工作电压:指接近开关使用的电源电压。TLK系列有直流、交流两种:直流为10~30V;交流为90V~250V。TK系列只有直流供电一种,电压为10V~30V。
3)最大负载电流:指输出可供驱动负载的最大电流值。TLK系列和TK系列均为2mmA。
4)最大静态电流:指开关不动作时所消耗的最大电流值。直流产品为15mA(24V DC),交流产品为2.5mA(220V AC)。
5)响应频率、开关频率:指每秒可检测的次数。直流产品为每秒60次;交流产品为每秒25次。
6)工作环境:温度:-25°~+70℃;相对湿度:35~95%。
三、电容式接近开关的连接方法
(1)直流3线式
使用直流电源的接近开关有3根引线,因内部输出晶体管有NPN和PNP型的不同有2种接法。
① NE1和NE2型
“N”是指NPN晶体管输出,电路示意图见图2。1(棕)和3(蓝)端接电源正、负极,2(黑)端是集电极输出端。

型号中“E1”表示外电路负载的连接是动合(常开)型(NO型),就是平时负载中无电流,接近开关动作后负载中有电流,相当于内部有一个动合开关控制其电流。“E2”表示动断(常闭)型(NC型),平时负载中有电流,接近开关动作后负载中电流被切断。
NE1和NE2型外电路的接法相同,都是1、3端接电源正、负极,1、2端接负载。
②PE1和PE2型
“P”是指PNP晶体管输出,电路示意图见图3。“E1”和“E2”的意义同上。

PE1和PE2型外电路的接法相同。由于晶体管电路使用电源的极性不同,1、3端接电源正、负极,而负载应接在2、3端。
(2)交流2线式
这类接近开关使用交流电源,内部为晶闸管电路,使用电源电压为90V~250V正弦交流。使用时应将负载和开关与电源串联,如图4所示。

A1和A2的意义和E1、E2相似。“A1”型表示平时负载中有较小电流(远小于负载工作电流),接近开关动作后负载中有较大的工作电流。“A2”型表示平时负载中有工作电流,接近开关动作后电流降到极小。
四、电容式接近开关的使用注意事项
1.被检测物不管是金属物还是绝缘物,都必须可靠接地。否则开关应产生误动作。
2.产品给出的检测距离是以标准检测体(铁)测定的。如被检测物是非铁材料,应按手册给出的修正系数修改。例如用TLK-C25NE1型接近开关检测玻璃,该开关给出的检测距离ds是25mm,修正系数是0.4,所以实际检测距离应该是:ds'=25×0.4=10mm。
3.如需检测液体或粉状物的位置而容器是金属料时,应在容器上检测的部位开一窗孔,用非金属材料密封。然后把电容式接近开关安装在窗孔的位置上。
4.如负载是功率较大的电机电器,可用继电器或接触器作接近开关的负载,再用继电器或接触器的触点去控制大功率的电机电器。
5.交流2线式接近开关不允许不串负载,直接和电源相连。否则将烧毁接近开关。
6.接近开关的电源线不可和高压线、动力线放在同一管道内,这将会引起干扰造成误动作。最好是将接近开关的电源线敷设在独立的管道内。必要时可以使用屏蔽线。
7.如检测现场较远,可选用长引线的产品。但延长的长度不得大于100米,并应考虑线路电压降和采取抗干扰的措施。
8.电容式接近开关的工作环境,其温度范围是-25°~+70℃;相对湿度应≤95%。
五、应用举例
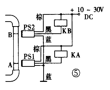
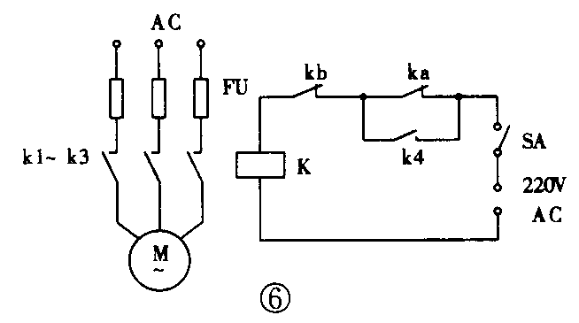
用两个接近开关可以实现液位的自动控制。接近开关的安装和接法见图5。液泵电机的控制电路见图6。A、B是容器中液位高、低两个液位面。PS1和PS2是接近开关,是TLK系列电容性接近开关。KA、KB选用优质直流继电器,其接点为动断型。K是接通液泵电机电源的交流接触器,k1~k4是其动合接点。SA为手动开关。


控制电路的工作原理如下:当容器是空的时候,首先按下手动开关SA接通电源,这时ka、kb是闭合状,交流接触器K得电,k1~k4闭合,液泵开始向容器内注入液体。当液面升高到A点时,PS1因检测到液面而动作,使KA继电器动作,接点ka断开。但这时因k4的自锁作用,液泵仍继续工作,继续向容器注入液体。当液面升高到B点时,PS2因检测到液面而动作,使KB继电器动作,接点kb断开,于是交流接触器K失由,k1~k4断开,液泵停止工作,不再向容器灌注。
当由于消耗或其它原因使液面下降到B点以下时,PS2复原,接点kb回到闭合状态,但这时的接点ka仍是断开的,所以液泵仍不工作。
当液面下降到A点以下时,PS1复原,接点ka回到闭合状态,于是交流接触器K又得电,液泵又工作,向容器内灌注液体,直到液面到达B点时又停止。
这个控制电路的工作情况是:液面低于A点时液泵工作;液面高于B点时液泵停止。实现了液面升降的自动控制。全部过程除第一次使用或维修后启动时需要人工按动开关SA外,都无须人去控制。
如果容器是铁制的,则必须开孔用非金属弯管(玻璃或有机玻璃管)把液面引出。也可以在铁制容器上下液面开两个小孔,用橡胶密封圈装上玻璃或有机玻璃,然后将接近开关固定在这两个小圆孔旁即可。
这种接近开关的灵敏度是可以调节的。把接近开关固定好后拧下后面的保护螺钉盖,细心地调节孔内的螺杆,改变其灵敏度。使接近开关在液面到达检测点时动作,液面离开检测点时复原。反复试验几次无误后就是已调好。调好后将保护螺钉盖重新拧上即可。
本电路也适用于粉状物的自动控制。(于鹤飞)