美国UNIKA公司生产的干线放大器CA-290C,是专为550MHz邻频有线电视系统设计的。它采用CATV专用集成电路MHW6342(BGY588)作为放大器件,具有温度补偿功能(±40℃变化3dB),使用比较灵活,调整方便,输入输出端均配有避雷器;全密封铸铝机壳,具有防水、防辐射、防干扰以及散热性能好等特点。这种干线放大器在我国中小型有线电视系统中,占有相当的比例。但由于这类放大器在出售时,没有带原理图,给维修工作带来很多不便。现把CA-290C干线放大器的组成及故障检修介绍给大家,供维修中参考。
一、CA-29OC干线放大器的组成
CA-290C干线放大器主要由可调衰减器,固定斜率均衡器、可调斜率均衡器、温度补偿器、频率响应微调、放大模块及电源等七大部分组成(见图1)。

本机采用的是75Ω专用-20dB~0dB连续可调T型衰减器,由3只可调电阻构成。调整时3只可调电阻同时动作,在调整衰减大小的同时,要保证75Ω传输阻抗不变。其作用是使放大模块既有足够的输入幅度,又不过载。
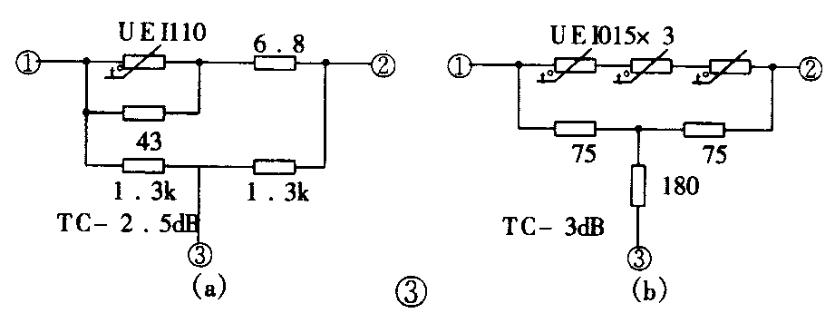
45MHz~550MHz电视信号在通过传输电缆时,随着频率的升高衰减逐渐增大。均衡器的设置正是为了补偿电缆这种频率特性,使电视信号在输入到放大模块之前,高低端电平差为零,即保持良好的线性。CA-290C干线放大器采用了两种T型均衡器,一种是固定均衡器,如图2所示,另一种是可调均衡器(见图1)。固定均衡器有-12dB、-16dB两种规格供使用者选择,并以插件的形式接入电路。它虽然使用起来不如可调均衡器方便,但均衡值可以做得很大且很稳定,传输阻抗不易被破坏。可调均衡器从-8dB~0dB连续可调,使用起来比较方便,它是作为固定均衡器的一种补充,使均衡值更准确。

温度补偿器主要是用来补偿由于环境温度的变化而引起的电平波动,此电平波动主要是由传输电缆引起的(国产电缆的温度系数是0.002/℃,进口电缆的温度系数是0.0015/℃)。电平波动会破坏原系统的有关指标,因此,放大器需要加电平自动控制功能。CA-290C采用的是热敏电阻温度补偿器。这种温度补偿方法,虽然精度较差,但电路简单,故障率极低,不用加导频信号,因而系统造价低,比较适合在中小型系统中应用。此温度补偿器分2.5dB/±40℃ 、3dB/±40℃ 两种规格(见图3),以插件的形式接入电路。

频响微调部分(见图1)主要是用来微调放大器的频率响应,使得在通频带45MHz~550MHz范围内都有相同的增益。图中,调节网络由C4、R7、R8、R9和C3组成,通过改变C4的容抗,达到调整目的。
MHW6342是美国摩托罗拉公司,专为550MHz邻频有线电视系统生产的放大模块。
CA-290C放大器,采用交流60V集中供电,电力传输通过电缆芯线和外导体实现。60V交流电源经扼流圈L2、L7、L8,保险丝FUin、FUout为下级放大器供电。放大器自身装有一个电源变压器,变压器初级电压分25V、35V、45V、55V四档可调,以保证电源电压降至25V时,放大器也能正常工作。变压器次级输出交流25V左右的电压,经VD1~VD4整流、C17滤波后,再经三端稳压器NA7824稳压,为MHW6342提供工作电压。
二、CA-290C放大器常见故障的检修
下边结合实例对CA-290C放大器的一些常见故障及检修方法作些介绍,供大家参考。
1.放大器无信号输出
①一台新安装的放大器,测电平时发现无信号输出,但60V电压正常。检查内部电路,测输入端电平正常,当查到0.8A保险丝时,发现已熔断,换上一只好的马上又熔断。检查整流、稳压电路正常,后仔细检查放大器的电源变压器,发现电压选择开关在25V档,将开关搬回55V档,换上保险丝,放大器输出电平恢复正常。此种故障提醒我们,在放大器开始使用之前,一定要开壳检查电源变压器的电压档位,如果电源电压高,而档位选得低,就会烧毁0.8A保险丝;如果电源电压低,档位选的高,就会造成放大器增益下降,直至放大器不能正常工作。
②一台已经使用很长时间的放大器,在进入夏季后,忽然无信号输出,按上例所述的步骤检查发现0.8A保险丝熔断,当检查到三端稳压器NA7824时,发现24V直流无输出,更换NA7824放大器后恢复正常。在更换NA7824时,发现固定螺丝很松,造成散热片没有和放大器外壳靠紧,散热不良,再加上环境温度的升高,最后导致NA7824因过热而烧毁。
③一台已检修过的放大器,在夏季使用一段时间后,无信号输出。检查过程与①一样,各部分电压均正,但模块MHW6342无温升,故怀疑是模块损坏。在更换模块过程中,发现两个固定MHW6342的螺丝没有上紧,且模块上的散热器与放大器外壳之间没有涂硅脂,故初步分析MHW6342损坏的原因是散热不好。更换模块,涂上硅脂,上紧螺丝,放大器工作便正常。
上面介绍的3个实例说明,放大器在使用之前一定要检查其正常工作的条件,即对放大器的可调部件要调整在最佳状态,对发热器件要检查散热条件,这样就可以避免一些人为的或因使用不当而造成的故障。
2.放大器输出电平不稳定或有干扰
①一台已经使用很长时间的放大器,在测输出电平时,发现放大器受震动时,输出电平在88dB~96dB之间变化。开壳测输入电平为72dB很稳定,测R1可调衰减器输出端并调节它,发现其衰减量不是按线性上升或下降,故怀疑是R1内部接触不良,更换R1后再调节衰减器,衰减量不再波动。分析R1可调衰减器的损坏原因,是因为长时间的频繁调整,造成触点接触不良。处理的方法是,将可调衰减器的外壳打开,用酒精将其碳膜及触点清洗干净。
②一台放大器在使用过程中,特别是刮风的时候,信号有偶尔中断现象。测输出端,在信号中断时,60V交流电源还正常。开壳检查,测输入电平正常,测固定均衡器出端无信号,重新拔插均衡器,信号恢复正常。仔细检查固定均衡器,并无开焊或开路现象,分析故障原因是此均衡器入端或出端插脚与线路板接触不好(注意:如果温度补偿器插脚接触不好,也会出现这种故障),因此在检修这类故障时,一定要仔细检查这两个接插件。对于这类故障最好的处理方法是,将调整合适的插件,在其引脚上镀一层含银焊锡,这样,就可以保证器件的良好接触状态。
3.放大器输出信号有干扰
①一台使用较长时间的放大器,输入信号正常,在输出端用DS98场强仪测输出电平正常,但使用场强仪上的监视器观察图像时,发现屏幕中间有两条水平横道,且慢慢向上移动。根据故障现象分析,此多属于放大器电源滤波不好,产生了50Hz交流干扰。因此,我们首先检查放大器的滤波电容,当检查到C17(1000μF/63V)时,发现有一脚开焊,补焊后屏幕上的干扰消失。分析造成电容C17开焊的原因,主要是因为该元件安装在放大器的上盖上,而放大器上盖在检修调整过程中,经常开启易产生震动;又因为电容C17的体积相对较大,受震动后极易开焊,因此造成上述故障。应注意,当电容C18失效或开焊时同样会出现上述现象。
②一台CA-290C放大器,故障现象同①,只是干扰横道较细较多,检修分析过程同①,当用一只0.033μF的高频瓷介电容并接在NA7824输出端时,横道消失,取下线路板检查,发现电容C6开焊,补焊后放大器恢复正常。
③一台干线放大器(此放大器是由输出端供电的),在线测量时,发现低频道信号电平较高频道电平低近14dB,摇晃放大器时,偶尔低端电平能恢复正常,这说明放大器存在接触不良现象,首先查放大器内部的均衡器、温度补偿器,均未发现问题;测放大器输入端电平,也存在上述现象,打开放大器输入端电缆接头,测信号电平正常,仔细检查电缆接头,发现电缆芯线有接触不良迹象。分析当电缆芯线接触不良时,相当于将电缆芯线断开,再串接上一只小电容,这样,高频道信号还可以正常通过,而低频道电视信号通过此电容时,就要受到很大的衰减,因此造成高频道信号较正常,而低频道信号较差。更换此电缆接头,电视信号恢复正常。(谢军生)