自从《四通道比例遥控设备的制作与调试》一文在本刊1996年第3期发表以来,广大读者掀起了一股模型制作热。对于制作电动的陆海空各类模型来说,电机驱动电路是至关重要的。它不但影响模型性能的好坏,而且还决定模型制作的成败。

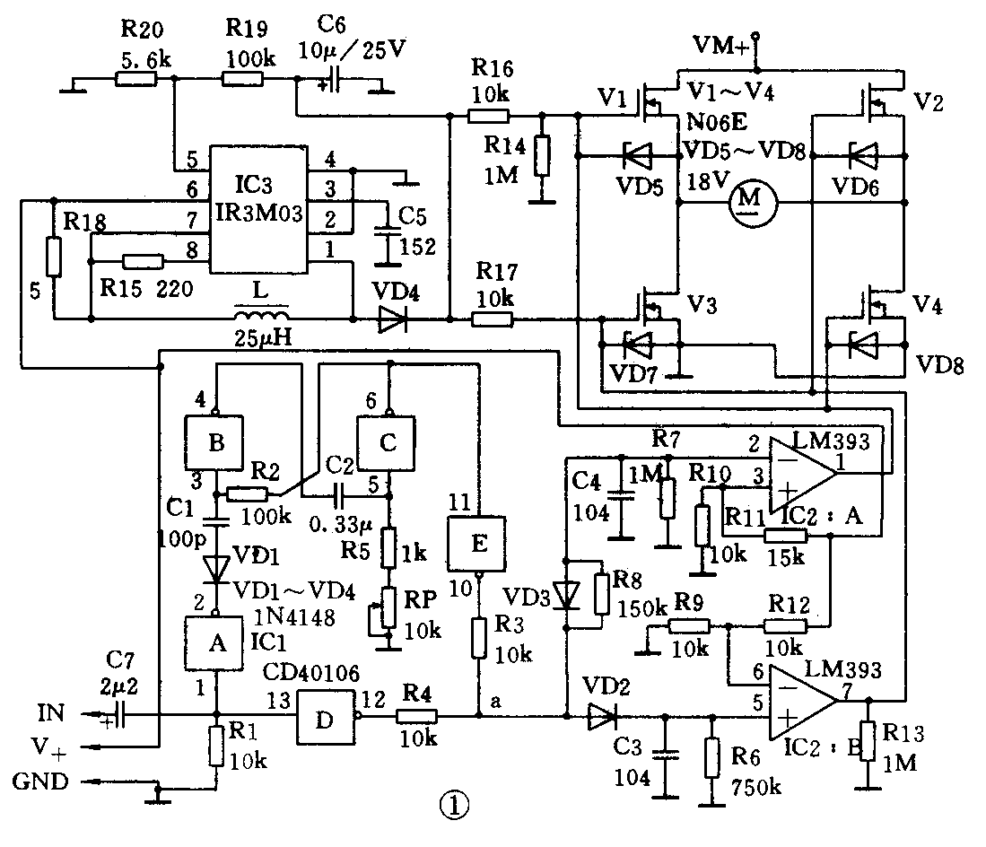
图1是实用双向电机比例驱动器QD-TA-10A的电原理图。为了减小电机对其它电路的干扰,该电路采用了负载端与控制端分开供电的方式。这样做使负载端电源可完全依据所选电机来确定。为了降低功耗,使功率管处于开关工作状态;电路的功放桥选用了4只N沟道MOSFET管N06E,其通态总内阻仅为0.1Ω(10A时测得),驱动电流10A,瞬间电流可达15A。稳压管VD5~VD8的作用是保护4只MOSFET管避免栅极过高电压造成损坏。

IR3M03是一片DC-DC电压变换电路。图2是它的内部方框图。它的工作过程是这样的:内部电子开关以几十kHz的频率不停地通断。当开关闭合时,电感L中流过电流并储存能量;当开关断开时,电感L中的能量通过二极管VD4供给负载,同时对电容C6充电,当负载电压下降时,电容再向负载放电。由于感生电压的作用,输出可获得高于输入的直流电压。改变内部开关的通断时间比,可以调整输出电压的大小。在图1的电路中,是将输入的6V~12V电压升高到22V,作为4只MOSFET功放管的栅极驱动电压,使得负载端电源电压在6V~12V应用时均能满足栅源电压大于10V的要求。输出电压的大小基本上由R19和R20的比值决定。R18是电流检测电阻,起限制输出电流的保护作用。C5是内部振荡器的定时电容。下面简要介绍一下整个电路的工作过程。
本电路的控制部分采用了一片六施密特反相器CD40106和一片OC门双电压比较器LM393。由接收机送来的比例控制信号,一方面经门A反相后去触发由门B和门C组成的单稳电路,在门E上产生1.5ms的标准脉冲信号。另一方面经门D反相后与门E的标准信号相加,在a点产生差值脉冲信号(参见图3)。调节RP可以对标准脉冲进行调整,使其适应控制脉冲中值的要求。当差值脉冲为零时,LM393的两个比较器均输出低电平,输出功放桥的4只MOSFET管均截止,电机不转。当差值脉冲为正时,该脉冲将通过VD2给C3充电。当C3上的电压升高使LM393的5脚电压高于6脚电压时,比较器IC2∶B将截止。V2和V3的栅极因上拉电阻R17的作用被加上升压电路产生的高电压而饱和导通,电机正转。导通时间越长,电机转速越快。当差值脉冲为负时,该负相脉冲将通过VD3给电容C4放电,使比较器IC2∶A的反相输入端电压下降。当反相端电压低于正相端电压时,比较器IC2∶A将截止。V1和V4的栅极因上拉电阻R16的作用被加上升压电路产生的高电压而饱和导通,电机反转。反相端电压低于正相端电压的区间越长,反转的速度也就越快。由于本电路采用了集成电压比较器作为脉冲展宽级,并配以全N沟道MOSFET管功放级,脉冲展宽的线性度和脉冲质量都特别好,不仅调速效果佳,而且功耗降到了最低。


图4是实用单向电机比例驱动器QD-TB-20A电原理图。为了适应空模的特点,电路采用了单电源供电。驱动部分由电源直接供电,控制部分经7805稳压后供电,并通过三芯插头供给接收机和舵机。电路中还设置了电源电压检测和电机控制启动两个功能。电源电压检测电路的作用和工作过程是:当电源电压低至5V时,电压比较器IC2∶B输出低电平将MOSFET管栅极也拉到低电平,电机停转。它可以保证电源不足时接收机和舵机能正常工作,使飞机安全滑翔着陆。电机启动电路的作用是避免由于误操作或不提防时电机突然转动而造成设备或人员损害。这部分电路的工作过程是:由门E和门F组成的触发器当接通电源时,由于接在触发器清零端的电容器C6的作用,触发器被清零。门F输出低电平使得IC2∶B也输出低电平,从而锁住了两只MOSFET管的栅极。这时即便操作发射机相应的手柄,电机也不会转动,只有当按动一下启动按钮SB后,使触发器复位,门F输出高电平,电机才可启动。因空模要求驱动电路内阻很小,输出级用了两只MOSFET管并联,使内阻降至0.025Ω(10A时测得),工作电流20A,瞬时可达30A。单向电路的工作过程与双向电路基本相同,这里不再赘述。
以上两种驱动器可直接与ZH938系列各型号的遥控设备配接,同样也可用于进口或其它型号的设备。为了减小体积和重量,增加电路的可靠性,两种成品均采用贴片式元件。QD-TA-10A双向调速器主要用在车船模型上,作主电机驱动。QD-TB-20A单向调速器主要为空模设计,也可用在只需电机单向转动的场合。此两种电路要想进一步增加电流或减小内阻非常容易,只要用多只同型号的MOSFET管简单并联即可解决。使用这两种调速器应注意以下几点:
1.电源容量应足够大,内阻要足够小才能供给电机充足的电流。
2.使用中如MOSFET管过热,应加散热片。
3.对电机大电流运作时产生的火花干扰和电源波动对接收机带来的不良影响应有足够的重视,并妥善解决,解决不好会严重破坏整机的工作,可以用加入滤波网络及电机壳接地屏蔽等方法解决。
4.为减轻相互干扰,驱动器应安装在靠近电机、远离接收机天线的地方。 (朱景丰)