万用表是电子工作者的必备工具,它的“×10k”档通常要使用一块22.5V或15V的积层电池。积层电池不仅价格高,而且寿命短,经常更换很不经济。为此,笔者设计了一个小型直流升压器。它的体积与一块22.5V的积层电池一样大,可以装在万用表中。它仅用万用表中的一节1.5V电池供电,输出电压可达22.5V,输出电流约为0.5mA,用于万用表的高阻档是足够富裕。
电路工作原理
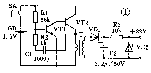
图1是直流升压器的电原理图。其中VT1与VT2组成互补多谐振荡器,它的振荡频率约为2000Hz。T是升压变压器,初级就是互补多谐振荡器的负载,次级为升压绕组,输出一个较高的脉冲电压。图2(A)是VT2集电极电压波形,图2(B)是升压变压器输出端(即二极管VD1的正极端)脉冲波形,由于它们不是同名端,所以波形是反相的。


为什么VT2集电极有一个负脉冲呢?我们知道,互补多谐振荡器VT2处在开关状态,VT2的导通时间比截止时间短得多。当VT2由导通状态一下变为截止时,电感线圈内的电流不能突变,电感线圈里的磁能无处释放,就会在电感线圈的两端激起一个较高的脉冲。这就是VT2集电极脉冲形成的原因。这个较高的反向脉冲一般可达电源电压的2~8倍,它的大小和VT2导通电流的大小成正比,与负载电感量成正比。
升压变压器的次级绕组比初级线圈多得多,所以可将脉冲电压进一步提升。提升后的脉冲电压经过二极管VD1和电容器C2的整流滤波后就成为直流高压了。再经过电阻R3与稳压管VD2的稳压后可输出一个较稳定的高电压。
元器件的选择
VT1为3DG6或9014等NPN型三极管,VT2为3AX31等PNP型三极管,要求它们的放大倍数在50以上,反向耐压大于12V。3AX31的穿透电流要尽量小,不得大于0.2mA。VD1可用2CP型或1N4148二极管,要求反向耐压大于50V。稳压管VD2的工作电压在22~23V范围内,稳压特性要好。电容器C1为1000pF的涤纶电容器,C2为2.2μF耐压为50V的小型电解电容器。电阻全部用1/8W碳膜电阻器。
升压变压器是一个关键元件,可用晶体管收音机用的502型输出变压器代替。只是将502输出变压器的次级作为升压变压器的初级,输出变压器的初级边中间抽头不用,两边两个头作升压变压器的次级。如果找不到合适的变压器,也可自制。选用收音机用的输出输入变压器的硅钢片,初级用直径为0.25mm的高强度漆包线绕110匝,次级用直径为0.12mm的高强度漆包线绕520匝。初次级间要加一层绝缘纸。注意初次级线圈的同名端。如果选用的变压器电感量或匝数比不合适,将得不到应有的电压输出。
安装与调试
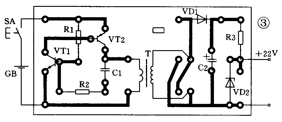
除去电池和开关外,全部元器件都装在一块电路板上。图3是其印制板图。管子和电阻电容器的安装高度以变压器的高度为准。

电路装好后即可调试。通电后用电压表测量滤波电容器C2两端的电压,正常值应在30V左右。如果电压偏低可改变电阻R1的阻值,同时测一下电路的总耗电,应在25mA左右。如果C2两端电压偏高,同时总电流也较大的话,可适当增加电阻R1的阻值。
如果电容器C2两端的电压很低,可能是升压变压器的同名端搞错了,这时的总电流也较大,可将升压变压器次级的两个头焊在旁边的两个孔中,见图3,这样线圈的两个头就调过来了。
输出电压的大小,不仅决定于升压变压器,而且与电容器C1、电阻器R1的大小有关。但一般来说我们只调整电阻器R1即可。
最后测量一下稳压管两端的电压,如果不合适可更换稳压管。如果需要一个15V的输出电压,可更换一只15V左右的稳压管就行了,其它都不必改动。
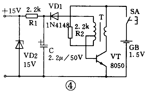
此外再介绍一种很简单的小型直流升压器。它的核心元件——变压器使用的是袖珍验钞器的专用变压器,电路很简单。图4是它的电原理图,图5是它的印制板图,电路耗电约40mA。如果万用表的15V电池的正极与1.5V电池的负极相接,只需将图4中VD1、C和VD2的极性调过来,这时输出一个负15V电压。 (周海)

