在电子小组活动中,声控电路实验深受学生的欢迎。如装置声控汽车,声控电灯等都会引起学生极大的兴趣。本文先介绍一种简单易装的声控电路,然后再谈谈辅导工作中的点滴经验,供读者参考。
一、选好声控集成电路
我选用SL517声控集成电路作为实验用主要器件。它的外形见图1a。此集成电路外围焊上5个电容、一个话筒和一个继电器,就成了声控装置。掌声、口哨声、敲击声都能使它工作。该声控装置具有灵敏度较高、抗干扰能力较强、驱动电流大等特点。

SL517电路的内部方框图见图1(b),它由放大器、双稳态电路、缓冲驱动器等部分组成。

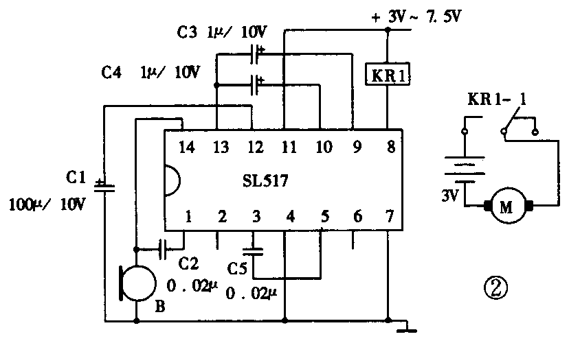
图2是由SL517电路组成的声控电动汽车电路。从图中可以看出,当你发出声音信号后,由驻极体话筒B接收并转变为微弱电信号,经电容C2耦合至集成电路1脚,由集成电路内部放大器将微弱信号进行放大,然后由13脚输出,放大信号经电容C3、C4耦合至双稳态电路的输入端9脚和10脚。双稳态电路的输出端Q接缓冲驱动器,控制三极管的截止和导通,如果双稳态电路原来输出端为低电平,则三极管截止,外接继电器KR1释放。当声音传感器接收到声音时,则双稳态电路翻转为高电平,三极管由截止变为饱和导通,继电器KR1吸合,被控的电动机接通电源而开始工作。当传感器再次收到外来声音时,Q重新变为低电平,三极管截止,继电器KR1释放,被控的电动机停止工作。以后每当传声器收到一次信号,双稳态电路便翻转一次,继电器也就动作一次。
二、准备工作
1.电路中用的电容器,尽量选择体积小的为好。用万用表检查电容器的质量。分清电解电容器的正、负极引线,把每个电容器的引脚镀上锡。
2.检查驻极体话筒的质量。
驻极体话筒的输出有二输出端与三输出端两种形式。二输出端的话筒在使用时,把与外壳相连的接点接地,另一接点接信号输入端,见图3a;三输出端的话筒可将S极与外壳相连接,然后连入电路中,见图3(b)。

驻极体话筒是关键的部件,一定要选择质量好的,在安装前,要分清极性。在话筒输出端中,与外壳相连的是负极。用万用表R×100档测量两极片间的电阻时,其正向电阻(黑表笔接正极,红表笔接负极)约5kΩ左右,反向电阻约为2kΩ左右。也可在测它的正向电阻时,靠近话筒大声讲话或吹气,表针会明显摆动,其摆幅越大越好。
3.继电器选用JZC-4098型,工作电压选用3V的。也可选用其它型号的继电器,但应根据继电器的工作电压而改变整个电路的工作电压。认清继电器线圈的引出端以及转换接点的三个端点。
三、安装与检查
除继电器以外,全部元件均焊在声控集成电路板上,见图4。由于电路板面积较小,焊接时应小心。烙铁应选用20W~35W的,焊点要小,否则容易引起短路。电容器引线上要预先上锡,焊接时间要短,否则将损坏集成电路。电容器、话筒、继电器焊好后,要求学生们仔细检查,核对元件,确保无误后才可接通电源进行试验。

接通电源后,拍掌几声使维电器工作。如果发现电路不能工作,可以逐级检查。用一根导线,一端接电源负极,另一端分别触发集成电路的9脚和10脚,应该分别能控制继电器的释放和闭合。如果能工作,说明双稳态电路工作正常,问题出在前面部分。这时应检查驻极体话筒有否损坏,它的输出端两接点有否短路;几个电容器焊接中有否虚焊点。
在电路正常后,可先对驻极体话筒拍掌几声,继电器应随着一次次拍手而吸合、释放,然后可以将整个声音转换电路装在电动汽车玩具中,用螺丝螺母固定。驻极体话筒应放在汽车上方,这样拍手无方向性。全部安装完毕后,我们在汽车附近拍掌发信号,电动汽车就能前进、停止,有效距离约3~7米。
如果我们用继电器控制交流电的电灯开关,应选用功率大些的继电器,它的触点可接220V交流负载,例如可选用JBX-13F型继电器。在调试前先不要接交流负载,整机线路调试完成后再接交流负载。按法如图⑤。接点用套管套好,小心触电。(程国阳)
