FX630有静默功能的宽增益控制的音频放大器(贵州省都匀市国营四四三三厂电子科研所生产)是专为话筒/耳机设计的放大器,电压增益为100倍,可接受平衡或非平衡输入,并能通过“AB”推挽输入级传送250mW的输出功率。电路内部设计有自动增益控制电路、静默电路、输出保护电路,FX630用作放大器,特别是用作话筒放大器时,增益控制设备有AGC(自动增益控制)。同时因具有线性差分计还可进行音量遥控。该电路是一个功能完善的,频率响应好的高品质器件。
一、FX630主要电参数
1.输入信号为1mV时差动电压增益 38dB- 42dB;
2.输入信号为1mV时单端输入电压增益43dB-49dB;
3.电源电压12V时最大输出电压≥2.5Vrms;
4.输出信号失真0.5%时,最大输出功率≤25mW;
5.差动输入阻抗 1.0-3.6kΩ;
6.单端输入阻抗 1.5-3.0kΩ;
7. 输出电阻 ≤4.5Ω;
8.增益控制范围 60-100dB;
9.输出信号10%失真时最大输入(带AGC)≥50mVrms;
10.电源电压6V时电流消耗≤5mA,电源电压12V电源消耗≤13mA;
11.短路电流≤200mA;
12. 电源电压 6~15V;
13.使用环境温度 -55℃~+125℃。
二、封装形式
FX630集成电路采用金属圆形封装。其外围管脚排列和管脚功能如图1所示。

三、工作原理简述

FX630内部电路如图2所示。它主要由输入电路、静音电路、自动增益电路、放大电路、恒流源偏置电路、末级功放、保护电路等其他电路组成。VT1、VT7是第一输入级,与VT0、VT8组成线性差分计,VT13为中间放大级,VT17为推动级,VT25为射随器,VT20与VT21组成达林顿PNP管,以VT24组成乙类互补推挽末级放大电路,VT22、VT23、VT19组成末级放大电路的偏置电路,VT26为输出短路保护管,VT14、VT15、VT12等组成一个主偏置恒流电路,VT9、VT10组成对数式负反馈电路,以便AGC实现对数式控制。
静默功能的实现:当7脚静默端接地或为负电位时,VT3深度饱和,集电极电位降低,VT5截止,输入级VT3、VT7无输入偏置电流使器件增益为零,即处于静默状态。AGC控制功能的实现:当AGC端加上不定的正向电压时,VT4的工作状态将受到AGC端电压的控制,随着AGC端电压的升高,VT3集电极电流将增大,VT5基极电位降低,减少了输入级的输入偏置电流,配合VT9、VT10组成的对数式负反馈电路,实现正向AGC控制的功能。
四、典型应用
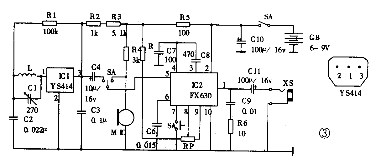
1.收音助听两用机

收音助听两用机如图3所示。它的高频电路采用YS414,低频电路采用本文介绍的FX630,具有工作稳定可靠,体积小,频率响应好,装调简单等特点。图中SA1是收音、助听选择开关,SA1拨向左端是收音工作状态,SA1拨向右端是助听装置。IC1为收音集成电路,型号为YS414,增益可达72dB。它外形如塑封小功率三极管,管脚排列如图3所示,图示为管脚朝上位置。YS414正常工作电流为0.3mA,电源电压为1.1V~1.9V,为保证YS414工作电压保持在1.5V左右,电路中特设置R3、C5作为降压退耦用。
无论是作为收音或是助听用,对于FX630的信号输入都采用非平衡输入。FX630有正向AGC控制功能,关选择功能,音量控制可利用增益遥控设备进行手动增益调节来控制音量的大小,关选择功能的9端连接线消除了由延迟衰减特性引起的音量控制范围的“死区”,可根据实际需要选择R和RP的值,就可得到所需的音量控制范围。而激动开关SA是为需要静音而设置的,因为FX630的7脚是静默功能端。
FX630和大多数小信号集成电路一样,它的固有带宽是非常大的,从较低的音频扩展到大约0.5MHz,图示电路中C取值为470pF。L、C1是收音机调谐回路,用来选择要听的电台信号。L可用55mm长中波扁磁棒,用0.07×7多股纱漆包线密绕75匝即可。MIC采用CRZ2-9型驻极体话筒,X为耳机插孔,耳机可用8Ω低阻耳机。其他元件均采用小型的,以利于缩小整机体积。电池选用叠层电池,该电路由于采用集成电路,调试简单,通电即可工作。
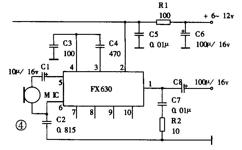
2.话筒放大器

图4所示的话筒放大器,适用于家庭卡拉OK话筒配置。这里FX630在5端和6端之间使用平衡输入,如果负载电阻随频率增加,有必要使输出回路稳定,在1端和接地端之间连接1000pF的电容,可形成10Ω系列的话筒放大器。电容C6、电阻R1是为了减少电源纹波而设置的退耦电路。MIC选用动圈式话筒,如果要进一步缩小体积,可选用驻极体话筒。话筒输入可采用如图3所示的非平衡输入。
FX630与国外SL630完全一致,该电路用途广,功能多,品质优。以上所举两例,仅作开端,只要读者稍开动脑筋,灵活应用,还会开发出更多、更好的实用电路。 (蒙正国)