近几年,随着家用电脑的日益普及,带有CD-ROM(光盘驱动器)、解压缩卡、声卡和视频卡的多媒体家庭影院系统开始走红,那些能够产生大动态低音效果、高音清晰悦耳的高保真有源音箱成了人们追求的目标。
由于这类高保真有源音箱不仅可以接多媒体电脑,而且还可以与随身听、便携式CD唱机、VCD影碟机直接接驳使用,所以社会拥有量越来越大。
最近许多新型高保真有源音箱的电路都是采用NE5532作前置及音调、TDA1521作功放的电路设计。如润宝技研的“轻骑兵”系列、燕山科技公司的“慧声”系列及国立电子公司的“超能”系列。以上几种产品拥有众多的使用者,而此类产品多不附带电路图纸。在此对其电路原理详细分析一下,从而使广大消费者及维修人员在使用和维修过程中得到方便。
NE5532是美国SIGNETICS公司生产的能够完成前置放大和负反馈式高、中、低三段音调均衡的专业集成电路。
TDA1521是荷兰飞利浦公司推出的一种性能优异的功放集成电路。具有频响宽、瞬态互调失真小、转换速率高、输出功率大的特点。
TDA1521系列包括TDA1521、TDA152lA、TDA1521B、TDA152lAQ、TDA152lBQ、TDA1521Q等型号,它们的内电路及电参数基本相同,仅封装形式有所不同。TDA1521的频响为20Hz~20kHz,当其在满功率输出时,其失真度为0.5%,而当每个声道输出6瓦(8Ω)时,其失真度仅为0.15%,完全满足了数字音源的需要。同时,TDA1521在开关电源时,扬声器发出的“喀喀”声相当小,输出和地之间的失调电压相当低(仅为30mV左右),两声道间的增益平衡性优异(相差小于0.2dB)。同时,它内部还具有短路和过热保护功能,省去了复杂的外围保护电路,这些性能指标基本上已达到国际标准规定的高保真指标。
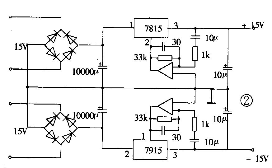
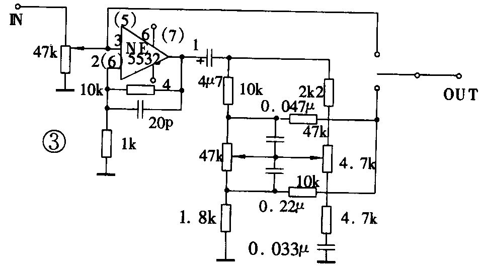
NE5532与TDA1521配合使用的电路图如图1所示。实际维修时,必须先测量正负电源电压是否对称(不能超过±20V,否则TDA1521进入自动保护状态)。质量比较好的音箱可采用有源伺服电源供电,这部分电原理图如图2所示。需要指出的是:三端稳压器的输入电压应比输出电压至少高5伏,才能保证良好的稳压特性。图3所示为利用NE5532制作的音调控制器,高低音最大提升和衰减量约为±15dB。



其他维修事项:1.判断TD1521纯功放级时,可感应其第①脚和⑨脚。此时扬声器中应有较响的“嗡嗡”声。第④脚和⑥脚为输出脚,直流电压不应超过0.1V。2.测量NE5532的第④脚和第⑧脚电压应为±10V左右。感应第③脚和第⑤脚,扬声器中应有很响的“嗡嗡”声,这时方可接入音源。
若NE5532损坏,可用TL082、LF353和NE5535直接替换。也可用LF356代换,但是LF356是单声道输出,也就是说要用两块LF356才能代替一块NE5532。 (钱一青)