传统的音频功率放大器有A类、AB类、B类、C类等几种,其功率放大元件(三极管、场效应管)均工作于线性放大区域,属线性放大器,其效率普遍不高,通常AB类放大器的效率不超过60%。
采用D类开关放大电路可明显提高音频功放的效率。D类放大器将音频信号转变为宽度随信号幅度变化的高频脉冲,控制功率管以相应的频率饱和导通或截止,功率管输出的信号经低通滤波器驱动扬声器发声。因功率管大部分时间处于饱和导通和截止状态,功率损耗很小,其效率可达90%以上。典型的D类放大器实验板,可提供200W输出,效率94%,谐波失真在1~2.8%。D类放大器的保真度不如线性放大器,但在很多场合已能满足要求,例如,汽车音响系统只要求低功率输出时失真小于2%,满功率输出时小于5%,而且经过改进D类放大器的性能还将有所提高。另外,D类放大器不存在交越失真。
D类开关放大器的概念源于50年前,但因其工作频率应至少为音频信号上限(20kHz)的4~5倍,早期的采用电子管、三极管的电路在功率、效率等方面还不能充分体现其优越性。80年代出现了开关速度和导通损耗均满足要求的MOSFET,近来又出现了集成前置驱动电路,如Harris公司的HIP4080,从而推动了D类放大器的实用发展。D类放大器所用的MOSFET为N沟道型,因为N沟道MOSFET的导通损耗比相应规格P沟道MOSFET小2/3。
D类开关放大器由积分器、占空比调制器、开关驱动电路及输出滤波器组成。图1所示电路为采用半桥驱动的D类放大器,它采用了固定频率的占空比调制器,功率管输出的方波信号与音频信号混合作为负反馈送入积分器。积分器兼滤波作用,输出修正信号送占空比调制器,占空比调制器由比较器和三角波发生器组成(图2),用修正信号对三角波进行调制产生调制输出,推动功率管工作。负反馈应取自低通滤波器之前,否则因滤波后的信号与输入的信号有相位差(二阶滤波器可引起180°的相位差),可能引起电路自激,需采用复杂的相位补偿电路。


驱动功率管的调制信号为占空比随音频输入信号变化的方波,半桥驱动电路以相反的相位驱动两个功率管,一个导通时另一个截止。采用方波驱动是为了使MOSFET尽可能快地改变工作状态,减少其处于线性放大区的时间,从而减少热损耗,提高效率。该电路的效率主要取决于功率管的开关损耗和导通损耗。输出滤波器将方波转变为放大的音频信号,推动扬声器发声。

图3为全桥驱动D类放大器的原理简图。全桥驱动电路中负载上的电压峰-峰值两倍于电源电压,因而可用单电源代替半桥驱动电路中的双电源供电。全桥驱动与半桥驱动电路工作原理相似,但采用了四个MOSFET,反馈网络中的滤波电路也有所不同,该电路中负载采用浮动接法,需要两个低通滤波器来消除载波。四个功率管两两成对工作,为防止短路,驱动电路在关断一对功率管后过一段时间才开启另一对功率管。全桥中的功率管只需承受半桥中一半的电压,其导通损耗比半桥电路要小,这是因为MOSFET导通时的漏源电阻Rds(on)与漏源电压BVdss不成线性关系,串联的两个MOSFET总的Rds(on)比BVdss增加一倍时单管的Rds(on)小。
功率管的选择需考虑以下几点:峰值工作电压、工作电流、开关速度、开关损耗、导通损耗。峰值工作电压和电流决定了MOSFET的规格,开关损耗、导通损耗及输出滤波损耗决定了输出级的效率。计算公式如下:
V\(_{P}\)=\(\sqrt{2·P}\)0·Z\(_{L}\) IP=\(\frac{V}{_{P}}\)ZL
例如,要在8Ω负载上获得100W输出,VP为40V,IP为5A,考虑到工作电压应留25%的裕量,相应的MOSFET规格为50V/5A。
选择内部包含一个具有较短反向恢复时间的二极管的MOSFET可减小开关损耗,目前较快的反向恢复时间约100ns。较低的工作频率、较小的栅-源电容及较高驱动能力的驱动电路都有助于减小开关损耗。工作频率过低会使输出滤波器的设计变得困难,过高又会导致开关损耗增加并产生射频干扰及电磁干扰,因此选择工作频率时需要综合考虑。
解决了开关损耗的问题之后,D类开关放大器的效率主要取决于功率管的导通损耗,换言之,选用Rds(on)较小的MOSFET可提高放大器的效率。例如,MOSFET的Rds(on)为200mΩ,放大器效率比理想状态下降5%,公式如下:
△η=2×Rds(on)/Z\(_{L}\)=0.4/8=0.05
式中因子2对应于全桥驱动电路。同样,当Rds(on)为80mΩ,效率损失只有2%,也就是说效率取决于元件的制造工艺。

图4所示为图3中反馈网络的电路,功率管输出信号经IC1c处理成为反馈信号,其幅值约为输出信号的1/11。音频输入信号经缓冲放大器IC1b放大,与反馈信号一同送至积分器IC1a,经处理产生修正信号送图4中驱动IC的比较器反相输入端,从而产生调制输出。图4中还有另一路反馈取自电流采样电阻,驱动IC据此对MOSFET作过流保护。
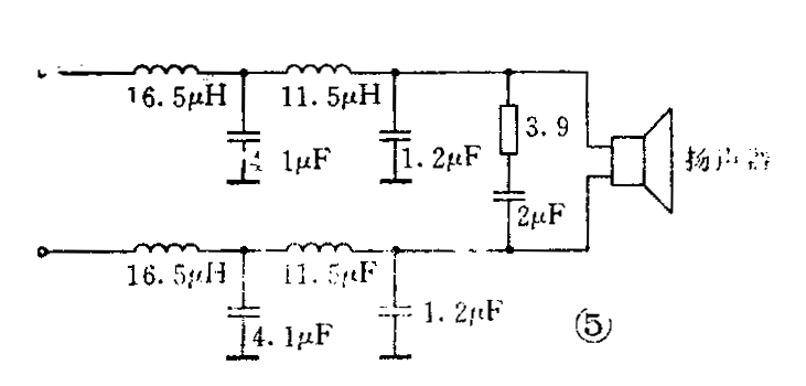
该放大器的输出采用了两个巴特沃斯滤波器为负载提供音频驱动电流,巴特沃斯滤波器保证了全频段内的平滑频响,可使放大器具有良好的动态响应。图5中四阶巴特沃斯滤波器的截止频率为30kHz,对250kHz载波的衰减为74dB,增加阶数或降低截止频率可更有效地消除载波。巴特沃斯滤波器工作时要求负载为恒定值,而扬声器在高频下将处于失控状态,因此扬声器两端并联了RC滤波网络以保证高频时电路的稳定。

该放大器驱动4Ω负载输出100W时,信号频率8kHz以下的失真(THD+N)不到1%(图6a),信号频率超过8kHz时,放大器的非线性度增大,THD+N也随之增加,在12kHz处达到最大(2.8%),超过12kHz',输出滤波器开始发挥作用,THD+N也随之下降。在通常工作的小功率情况下,失真状况有所改善,输出10W时全频带范围内的THD+N小于1.2%(图6b)。

失真特性通过滤波器及反馈网络的选择加以修改,以适应不同场合的要求。反馈网络选用高素质的运放、修改补偿电路、提高三角波的线性度均有助于降低失真和残余噪声。实际应用中,输出滤波器与扬声器的阻抗相匹配可降低放大器的闭环频响,改善放大器的失真特性。(吴袆 编译)