目前国内广泛采用的三洋公司单片机彩电是以LA7680为基础的A3-CA机心。A6-CA机心是三洋公司近期开发成功的,作为更新A3-CA机心的新一代产品。它的主要特征是集成化程度高,元器件减少了48%。采用自动调整技术,使调整部位减少了73%(与全制式A3-CA机心比较)。在提高清晰度、降低噪音、减小色度信号干扰方面都采取了一些措施。采用12MHz时钟频率8位单片微电脑和三洋数字/模拟总线,增强了整机控制功能。字符显示有中文/英文选择,方便用户使用。采用CCD延迟线代替玻璃延迟线提高彩色质量等。
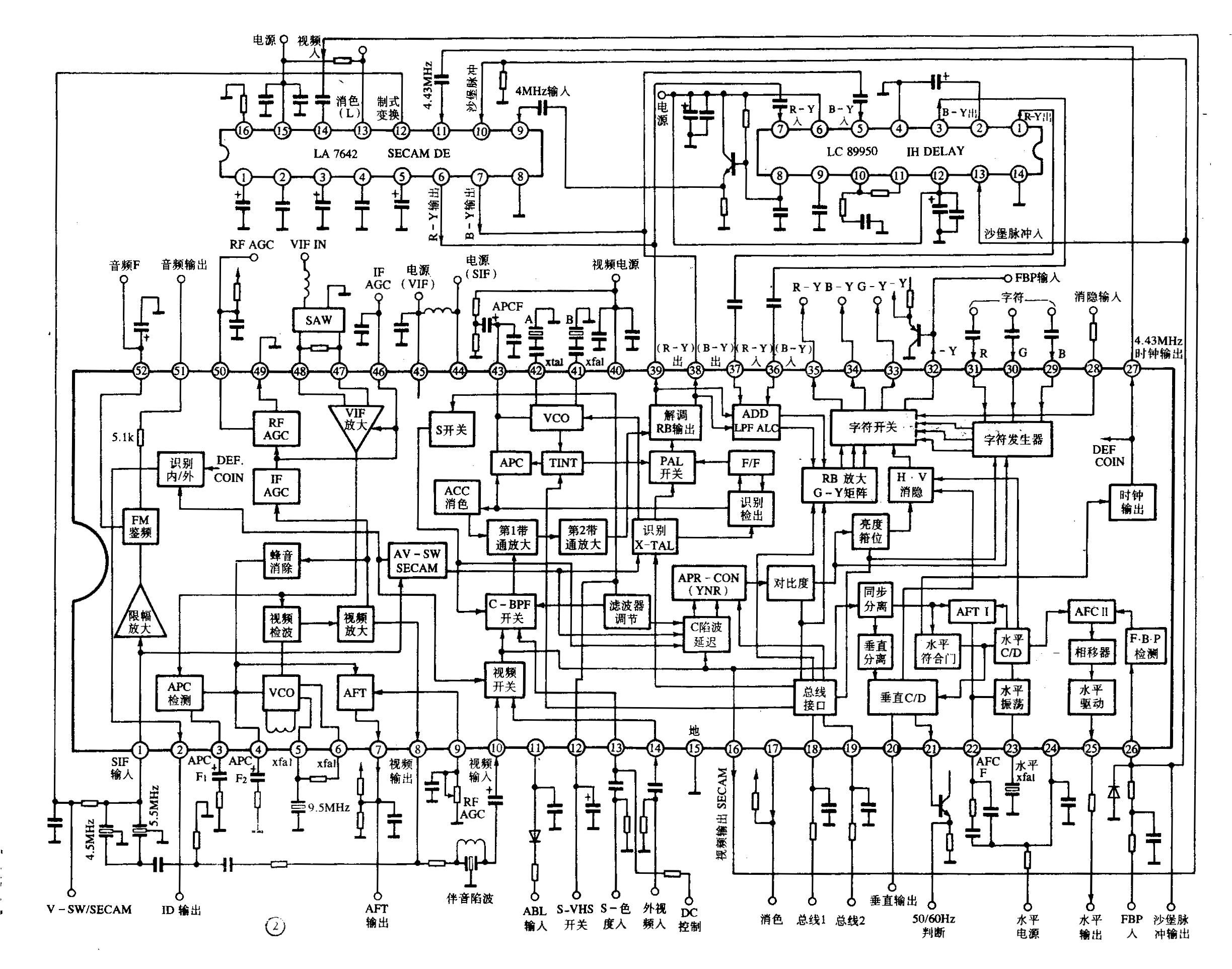
A6-CA机心使用日本三洋半导体最新设计的LA7687小信号处理集成电路(52脚双列直插式)。
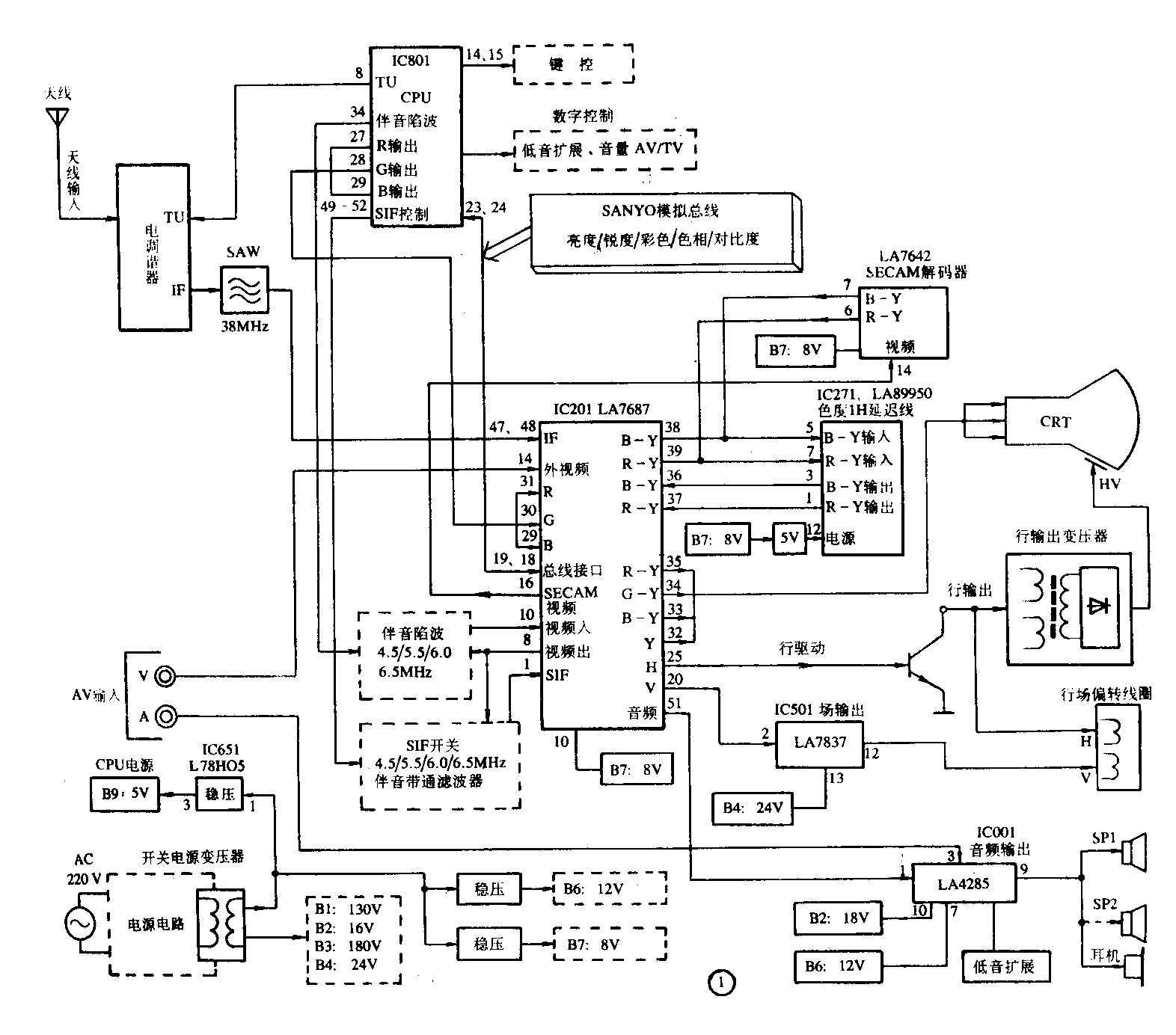
该机心信号流程方框图见图1。

天线接收的电视信号经电调谐器后输出38MHz的中频信号(IF),经声表面波滤波器(SAW)加到LA7687的47、48脚,在LA7687内部经VIF放大。PLL视频检波后从8脚输出视频信号。此视频信号经伴音陷波器除去信号中的伴音成份,从10脚输入,在LA7687内部完成亮度和色度的处理。在SECAM制时视频信号从16脚输出,加到SECAM制解码器LA7642;的14脚,解码后的色差信号从6、7脚输出,同PALNTSC制一样,经1行CCD延迟线IC271(LA89950)后加到LA7687的36、37脚。图像的色差信号和屏幕字符的R、G、B信号在集成电路内部叠加后从32、33、34、35脚输出亮度和色差信号加到彩色显像管。
从LA7687第8脚输出视频信号的伴音成份,经SIF(伴音中频)带通滤波器又加到第1脚,在IC内部进行限幅放大和FM鉴频后得到的伴音信号从51脚输出加到音频输出IC001(LA4285)进行音频放大,最后从第9脚输出驱动扬声器。外音频信号加到第3脚,在IC内部可以进行内/外音频切换。LA7687集成电路的内部结构及外部连接见图2。

从图2中看出,LA7687内部设有大屏幕彩电为提高清晰度而采用的孔阑补偿电路(APR)和降低高频噪音采用的核化电路。还有为防止伴音过调产生蜂音的蜂音消除电路。采用PLL视频检波,提高了电路的稳定性,检波线圈设计在集成电路内部,不需要调整。
色饱和度、亮度、对比度、色相(TINT)和清晰度以及不同制式更换彩色副载频晶振,是通过连接在IC801的第23、24脚和IC201第18、19脚之间的模拟总线来控制的。CPU已经将7比特的控制数据经D/A变换变成了模拟量来控制。控制情况见下表:
总线1(18脚)
电压(V) 0~0.25 0.75~1.25 1.75~2.25 2.75~3.25 3.75~4.25 4.75~5
地址 晶振识别 亮度 对比度 彩色 清晰度 色相
总线2(19脚)
晶振识别电压(V) 0~1 1.33~2.33 2.66~3.66 4~5
晶振A/B B(41脚) A(42脚) A(42脚) B(41脚)
PAL/NTSC PAL PAL NTSC NTSC
由于采用模拟量,可以用电压表测出电压,便于修理时查故障,这是三洋模拟总线的优点。 (彭定武)