(李楷)在当今的电子技术领域中,音频振荡器算不上什么高新技术,但是,由于它电路简单、使用方便、应用范围广、深入到人们生活和工作的各个角落,所以,换个角度审视它,很有必要。
走在街上,坐在办公室或是会议桌前,BP机一响,大家都不约而同地看自己的寻呼机,因为鸣闹声一样,分不清在寻呼谁。办公室里电话铃响了,拿起一个听筒,一听不对,放下一个再拿另一个;电话机多的办公室,或许这种重复动作要多几次。这是大家经常看到或遇到的情况,是音频振荡器不好用吗?当然不是,只是由于现在的音频振荡器发出的声音几乎没有区别,现在的区别也只是音调高低不同,或间歇方式不同,仍然很难分辨。能否在振荡中“编”出些区别来?笔者做了一个简单的有特殊功能的音频振荡器,介绍给大家。
图1是一个以时基电路555为核心,以及周围元件组成的多谐振荡器,其振频率f=10.693(Ra+2Rb)·Ca,由公式中看到,振荡频率f取决于Ra、Rb和Ca的大小。改变其中任何一个元件的数值,都会使振荡频率不同。当Ra取4.3kΩ,Rb取62kΩ,Ca取0.01μf时,可以算出f约为1125Hz,若改变Ca容量,振荡频率也会改变。

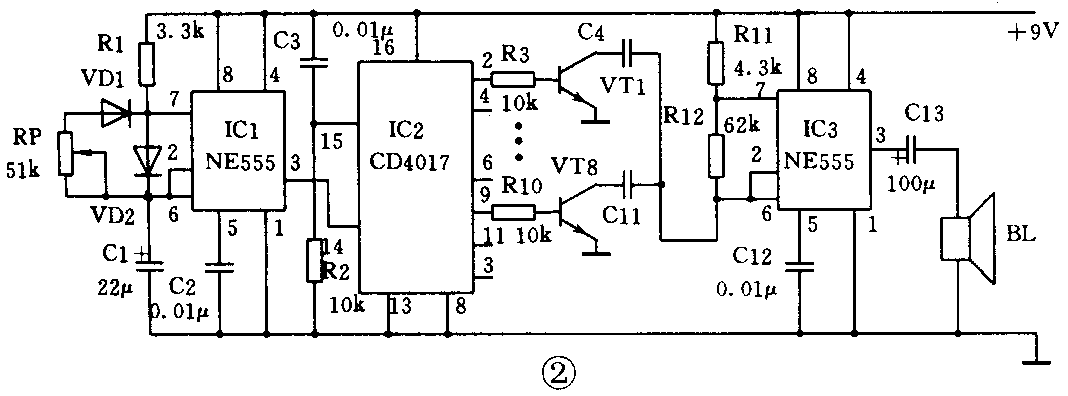
图2是笔者设计的音频振荡器电路原理图。IC3及周围元件组成音频多谐振荡器,其Ca不是一个固定不变的电容,而是由VT1~VT8和集电极所接电容C4~C11等所代替。IC1及周围元件组成一个超低频多谐振荡器,它的频率可由RP调整,输出的矩形脉冲,送到十进制时序器IC2的输入端,其十个输出端,按时序先后输出高电平,使VT1~VT8先后导通,C4~C11分别接入电路,所以音频振荡器输出不同频率的音频信号。本电路是连续输出八个不同频率的音频信号后,再间隔两个脉冲周期时间,然后再用此方式循环。所以IC2的十个输出端不全用,只用其中Y1~Y8八个输出端,Y9与Y0输出高电平时,IC3组成的音频多谐振荡器由于无Ca而停振。如果脉冲继续送入IC2,振荡电路还会按上述方式循环。C4~C11选用适当的容量,使获得的音频信号组成12…67i音阶。这八个音阶的全排列有四万种以上,这就是给音频振荡器带上自己的“编码”。电路刚刚接通电源时,C3、R2组成的微分电路输出一个尖脉冲,送到IC2的15脚,用以清零。此时,IC2十个输出端只有Y0输出高电平,其余都为低电平。音频多谐振荡器不起振。超低频多谐振荡器开始振荡,不断送出矩形脉冲。当第一个脉冲送入IC2的14脚时,其输出端Y0恢复低电平,Y1经R3输出高电平,三极管VT1导通,使C4充当Ca,音频多谐振荡器输出某个频率的音频信号;第二个脉冲送来,Y1恢复低电平,C4退出电路,Y2出现高电平,经R4限流,VT2导通,C5接入电路,由于C4与C5容量不同,所以,此时输出音频信号的频率与上次不同。就这样,不断替换容量不同的电容充当Ca,每次音频信号频率都随电容容量变化而变化。为了扩充“编码”的种类,IC2可以换为二进制计数器4040,使成千上万个音频振荡器输出的音频信号都有明显的区别。

此电路简单,易于装制,不需要特殊元器件,大家不妨试一下。IC1与IC3都用双极型时基电路NE555,IC2用CD4017,如图3所示。VT1~VT8用9014等NPN型小功率三极管,VD1和VD2用1N4001,一般RP不需经常调整,用可调电阻即可,其余电阻用1/8W碳膜或金属膜电阻都可以。C4~C11这8个电容,决定8种音频信号频率的高低,自己选配,也就是自己给音频振荡器“编码”,可以通过试验方法来确定容量。接通电源,便可听到扬声器中不断发出自己“编码”的8种声音,并反复循环。调整RP,可以使循环速度加快或减慢,以能分清“编码”、听起来速度适当为宜。可以将此音频振荡器,装入数字钟作闹钟鸣闹,或将几个“编码”不同的振荡器配合多路报警器使用。
