目前许多人是利用录音机或单放机来提高外语听力水平和纠正发音的。利用录音机,在学习的过程中需要频繁倒带,不仅很麻烦,也加快了机器的磨损,而且也不易找准生词或难句在磁带上的位置。对于单放机,无倒带功能,学习起来就更困难了。
本文所介绍的“多功能外语学习机附加器”是在普通录音机或单放机的基础上增加一附加电路,通过该附加电路插头和录音机或单放机的耳机插孔连在一起,实现自动录音,反复重放等多种功能。此附加器具有结构简单、体积小巧、造价低廉,使用灵活等特点。
工作原理
图1为学习机的原理方框图。它主要说明语言信号的传送,存取及其控制关系。

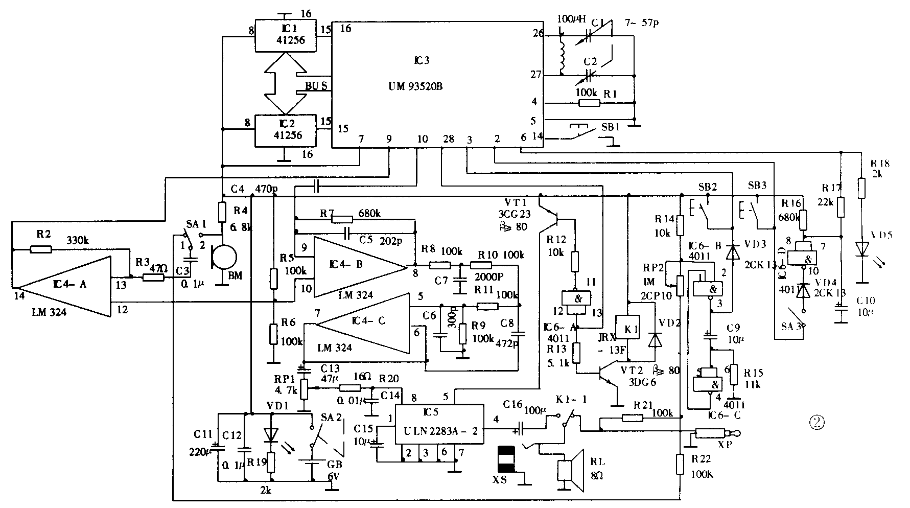
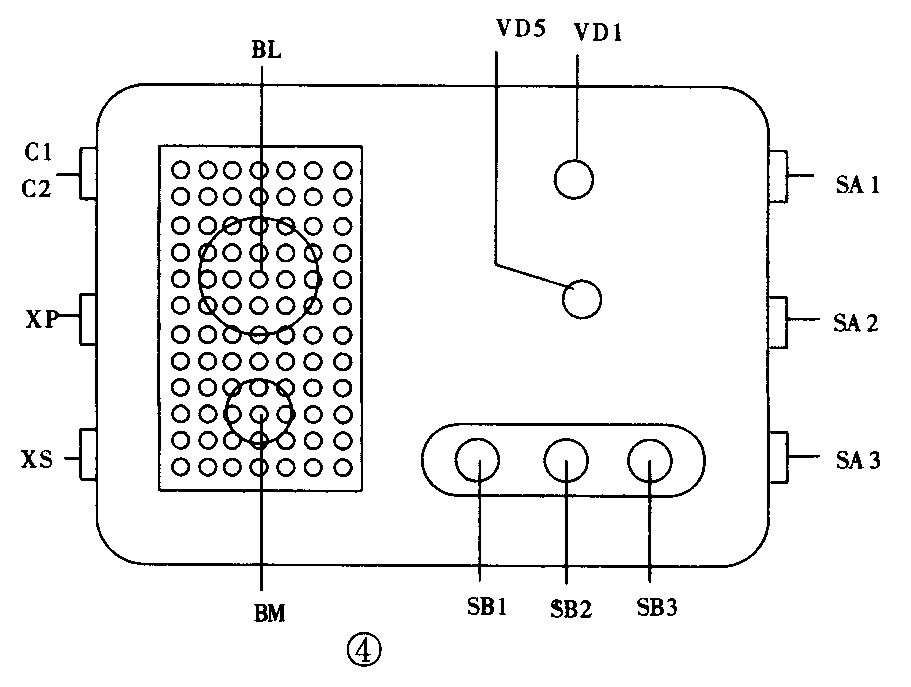
图2是电路原理图。存储集成电路IC1、IC2与语音处理集成电路IC3的连接关系如附表所示。其各引脚功能见图3。图4是本机的外观示意图。对本电路所能实现的各种功能及工作原理说明如下。




l.反复重放的实现
这种功能的实现包括语音存储和重放两个过程。
(1)存储过程。利用插头XP从录音机或单放机的耳机插孔中取出磁带放音过程中的语音信号。此信号分为三路:第一路送到扬声器BL或耳机插孔XS外接的耳机作监听用;第二路经过R21、R22、SA1、C3、R3送到IC4-A和R2构成的放大器,经放大后的信号送到IC3的输入端;第三路经R21和PR2送到IC6-B的输入端,该路信号的每个负半周,在IC6-B的输出端3脚都出现一个正脉冲,此脉冲经过二极管VD3送到IC3的录音触发端3脚,IC3在录音触发脉冲的作用下,将其输入端9脚所得到的语音信号进行A/D转换后送入IC1或IC2。
(2)重放过程。闭合SA3,即可进行语音的反复重放。其重放过程是靠IC3的2脚得到上跳信号的触发而实现的。首次上跳信号是由SA3闭合的瞬间产生的,而后续的上跳触发是由IC3的录、放指示端6脚在放音结束时电位产生下跳,经IC6-D反相后提供的。R17和C10构成延时电路,其作用在于每次放音完毕时,要等待IC3内部复位后再作下次的放音触发。如果只需重放一次,不必闭合SA3,只需按一下SB3即可。
IC3的2脚得到重放触发信号后,IC3将存入IC1、IC2中的语音数字信号取出,经D/A转换,由IC3的输出端10脚输出。输出的信号经运放电路IC4-B,IC4-C和功放电路IC5放大后,再送到扬声器BL或耳机实现重放。IC3的28脚在放音时为高电平,不放音时为低电平,利用这一点实现对语音重放过程中的两个控制作用。一是使VT1在放音时饱和导通,给IC5提供电源;不重放时VT1截止,IC5不得电。这样既节省电能,同时也避免了在录音时功放电路的静噪干扰。第二个控制作用是使VT2在重放时饱和导通,继电器K1得电,K1-1转换,使XS或BL经C16与IC5的输出端4脚接通,实现语音重放。
2.口录重放的实现
将SA1置于2的位置,手按录音按钮SB2,这时对着话筒BM发音,语音信号由BM转化为电信号,再经C3、R3、IC4后进入存储过程。口录内容的重放操作仍是利用SA3或SB3实现的,其过程如前所述。这种口录重放功能,可用于检查自己的口语发音,或以口读方式录入一批单词,然后反复重放从而强化记忆。
3.跟读对比功能的实现
此功能的实现主要是在使用方法上。在录音过程中,先将SA1置1的位置,存入磁带上的句子,然后将SA1置于2的位置,跟读该句。跟读后闭合SA3,即可重放出从磁带上录的和跟读的语音,由此进行发音比较和矫正发音。
4.难句重放功能的实现
前述利用XP引入的第三路磁带语音信号,经IC6-B后变成脉冲信号。显然这种脉冲信号的频率属于音频,而音频信号的周期最大也不过是0.05秒(对应频率为20Hz),这就是说,每隔不到0.05秒,IC3的3脚就得到一个录音触发脉冲。所以,在外语磁带连续播放时,IC3每段录音时间刚一结束,在不到0.05秒的时间内,便又立即开始了下一次的录音。这就保证了当外语磁带连续播放时,所播放的内容都能不间断地在存储器中存储一遍。因此,在磁带连续播放的过程中,听者如果发现某句不熟需要重放,可在该句刚播过的时刻立即停播,并按一下SB1(SB1的作用是防止已存入的信号被后续的录音触发脉冲给误抹掉),然后闭合SA3或按动SB3,即可反复重放该难句了。
元器件的选择和调试
IC1、IC2为存储集成电路41256,IC3为语音处理集成电路UM93520B,IC4为四运放集成电路LM324,IC5选用ULN2283A-2功放集成电路,IC6为与非门4011。VD1、VD5分别为红色和绿色的φ3发光二极管,C1、C2为双联同调可变电容器,RP1、SA2为带开关滑动触点电位器。其它参数如图2中所示。
本机调试比较简单。一是录音时触发灵敏度的调试,其方法是在XP悬空的情况下,使RP2的阻值由小到大改变,调至由IC6-B、IC6-C,C9、R15构成的单稳态电路输出端3脚电平由“l”变成“0”即可。二是录放时间长短的调试,C1、C2增大,时间增长,反之缩短,本机录放时间为10~45秒。(李源生)