本文介绍一种采用TDA7088T的商品化手表式FM收音机。该收音机电路非常简洁,采用电调谐方式,不用可变电容选择电台,也不需中频变压器和音量电位器,外形似一只手表,只设两个按钮(搜索钮和复位钮),采用一粒3V钮扣电池供电,配立体声耳机收听,携带方便,效果理想。
工作原理




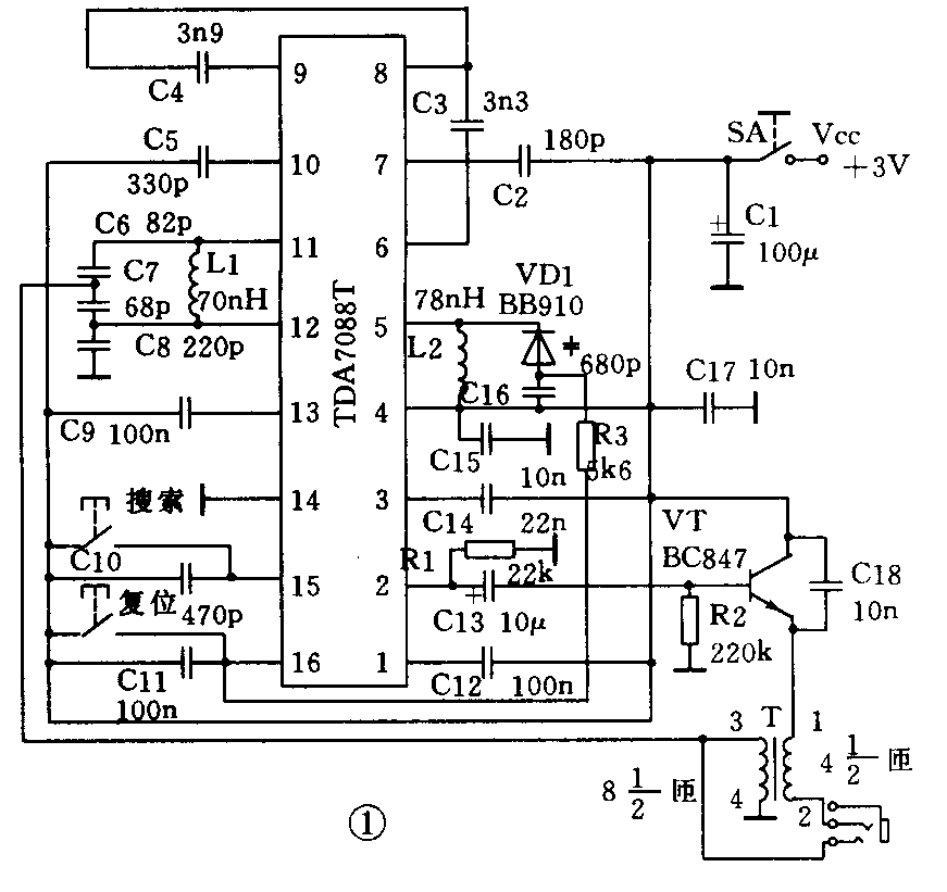
图1和图2分别为该FM收音机的电原理图和印制板图(2:1)。图3是TDA7088T的外形图,图4是该收音机实物图。TDA7088T是飞利浦公司最新推出的FM收音集成电路。该集成电路除包含了FM收音机从天线接收至鉴频音频输出的全部功能外,还设有搜索调谐电路、信号检测电路及频率锁定环路(FLL)。TDA7088T的中频频率为70kHz,外电路不用中频变压器,其中频选择由电路内的RC中频滤波器完成。在调谐方式上,TDA7088T可采用电调谐方式搜索电台,只要按一下搜索调谐按钮(RUN),电路便自动地由频率低端向频率高端搜索电台,一旦搜索到电台,调谐自动停止。当搜索到接收频率的最高端时,只要按一下复位按钮(RESET),本振频率便回到最低端,搜索调谐又可重新开始。TDA7088T的外形为16脚双列扁平封装,工作电源电压范围为1.8~5V,典型值为3V,该电路非常适用于微型FM收音机。L1、C6、C7、C8用于选择电台,FM广播信号由兼作天线的耳机线送入电路(11脚和12脚)。5脚外接由L2、C16、VD1等元件构成的FM本机振荡回路。上述两路信号在IC内混频器中混频产生70kHz的中频信号,该中频信号经放大、限幅送到FM鉴频器,检出FM音频信号经2脚送到低放电路。1脚的C12为静噪电容;3脚外接AF(音频)环路滤波元件;6脚的C3为中频反馈电容;7脚外接C2为低通电容;8脚为中频输出端;9脚为中频输入端;10脚C5为中频限幅放大器的低通电容;13脚C9为限幅器失调电压电容;15脚为搜索调谐输入端,C10为全通滤波电容;16脚为电调谐、AFC输出端。
我们知道,变容二极管是一种特殊可变电容器,它的PN结电容随偏压变化而变化。偏压越大,PN结电容越小;偏压越小,则PN结电容越大。因此,改变变容二极管的偏压就可以改变它的PN结电容,将它接本振回路上即可改变本振频率。
在图1中,当按下搜索钮时,控制电路经16脚迫使加在变容二极管VD1上的调谐电压不断上升,电路由频率低端向高端搜索,当搜索到电台后,IC内的控制信号即强迫本振停止改变,调谐电路停止搜索,收音机锁定在当时的频率上收听。当需要收听下一个电台时,可再按一次搜索钮。同理,当按下复位钮时,电路控制信号迫使电路回到频率低端,搜索调谐又可重新开始。
元件选择与调试
射频阻流线圈T选用调频中频变压器中的“工”字形磁芯,用φ0.25的漆包线绕制;L2用φ0.51的漆包线在φ3钻头上绕10匝脱胎而成;L1用φ0.3的漆包线在φ3钻头上绕8匝脱胎而成。变容二极管宜用超小型进口管BB910;C1选用微型缩体电解电容;C2~C18和低放管VT全部选用贴片式(SMD)元件,R1~R3宜用微型电阻,耳机选用微型立体声耳机,只要元件接线无误,本电路不需任何调试。(黄焕林)