(周放)本文介绍的家庭影院四路环绕声处理电路μPC1892,是日本NEC公司1995年推出的新产品。该电路采用矩阵式移柏环绕声处理系统,能产生奇妙的环绕声处理效果,电路还专门设置有音乐厅、电影院和模拟立体声等三种音场效果模式,可把双声道或单声道的音源分离出两组前置主功放信号和两路后置的环绕声信号。电路内部还设有环绕声效果控制、主功放平衡、高低音及音量控制,各部分控制均采用直流电平控制,使电路的杂音减少到极低限度。该电路是目前性价比较高的AV中心控制电路,由于集成度高,外电路简洁、实用,非常适合业余制作简易家庭影院音响。
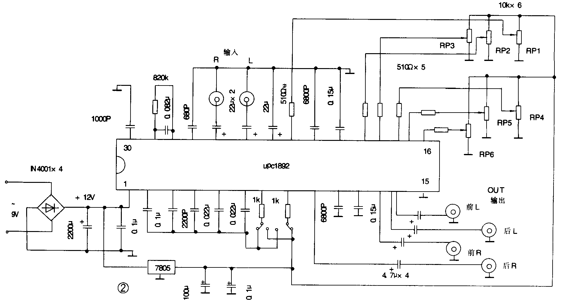
μPC1892内部功能见图1,从图中可以看出μPC1892内部设有放大器、低通滤波、模式控制、移相、效果处理、补偿吸收、音调、音量、平衡等电路,是一块大规模集成电路。整体应用电路见图2。本电路工作电源为+12V,控制部分使用+5V电源,音效模式控制由μPC1892的⑦脚与⑧脚的高低电平编程控制,四种功能见附表。电路板设置为电影院效果,也即是⑦脚接地,⑧脚接+5V,用于欣赏电影故事片时有身临电影院之感。电路中RP1为音乐效果控制,主要控制后置两路环绕声信号,RP2为前置左右声道输出的平衡控制,RP3为前置左右声道音量控制,RP4为后置环绕声音量控制、RP5为前置声道低音控制,RP6为前置高音控制,使用时用户可根据自己欣赏需要分别调节到最佳位置。μPC1892可方便地接于音乐源与功放之间,整体音响配置见图3,音源可来源于CD、VCD、LD或录像机、电视机的音频输出,如果输入信号为单声道,应选用模拟立体声工作模式。四路功率放大器的配搭要求前置功率是后置环绕功率的2倍以上。μPCl892属矩阵式移相环绕处理,如能将环绕输出信号分别再经5毫秒的数码延迟处理后输出,则整个环绕电路的定位及混响效果更加明显,有兴趣的发烧友不妨一试。



