随着消费水平的不断提高,卡拉OK、影碟机、摄录像系统、家庭影院系统、多媒体系统等高技术高消费产品相继进入家庭,逐步形成我国AV新潮流。面对如此众多的AV信源,作为家庭AV系统重要角色的国产大屏幕彩电却显得不相适应,主要表现在:一、AV输入端子的组数偏少;二、普遍采用后置式(在机身后部)而没有前置式AV输入端子。就拿功能较强的乐华CT6388W彩电来说,该机的AV端子只有输入/输出各一组(即AV1),不仅组数太少,而且均为后置式,每次更换AV信源都得搬动沉重的彩电或转到机背去操作,给用户带来诸多不便。笔者经过一番研究后决定对该机的AV系统加以改进,原则是充分挖掘原有电路的潜力,尽可能少花费。通过努力,用不足20元钱便给该机增加了前置式和后置式AV输入端子各一组(即AV2)。经使用比较,效果十分满意。具体方法分以下三步进行:
一、改变主电路板上微处理器IC1(M37102M8或GS8234-01B)的预置矩阵,使新加的AV2被控制系统(含遥控)所接受,同时将AV/TV的切换及屏显功能由原来的三档循环:AV1→S-AV→TV变为含AV2的四档循环:AV1→AV2→S-AV→TV,由于IC1芯片内部的硬、软件均具备以上功能,其具体工作状态由预置矩阵的编码来确定。因此,只要将跨接在IC1与2之间的编码二极管D5断开即可,如图1所示。

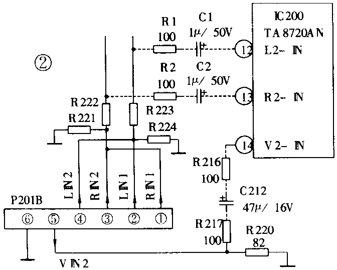
二、恢复AV系统板中AV开关集成电路IC200(TA8720AN)对AV2输入信号的处理功能。该集成电路具有多路AV信号的处理能力,原机IC200的、、趴兆盼从茫欠直鹞狝V2的音频信号左、右声道输入端L2-IN、R2-IN和视频信号输入端V2-IN。改动方法如图2中虚线部分所示,即在IC200与排插P201B⑤脚之间增加由R216、R217、R220和C212组成的视频耦合网络,这4个元件在原机电路板上留有空位及连线,将元件焊立即可;在IC200脚与R222之间增加R2、C2组成的右声道音频耦合网络,并在IC200脚与R223之间增加R1、C1组成的左声道音频耦合网络,这4个元件在原机电路中未留有位置,要用飞线将元件焊上。

三、安装AV2的前置式和后置式输入端子(这两组端子是并联的)。安装后置式AV输入端子应选用市售的立式AV插座(图3)3个,在电视机后部的AV插座盖板上开孔安装,其位置如图4所示。由于原机印制电路板上留有这3个插座的空位和它们与VIN2、LIN2、RIN2的连线,直接将3个立式AV插座焊上即可。前置式AV输入端子的安装要复杂些,首先应选用市售的螺栓式AV插座(图5)3个,在电视机前控制面板上主电源键与指示灯之间的空位横向开3个φ8mm的孔,将3个螺栓式AV插座装入在机内拧紧螺母(图6),然后分别用视频同轴电缆和音频双芯屏蔽线在机内将它们与AV2的后置式输入端子一一对应并联焊接。要注意:由于这两组AV端子的连线横贯机内,故所用电缆和屏蔽线应尽可能短些,不得使用一般导线,以免影响图像和伴音质量。另者,选购AV插座时其颜色应符合规范:黄色为视频,白色和红色分别为音频的左、右声道,若买不到合适的颜色可用油漆来区分。




经上述改进后,该机AV系统的功能增强了,特别是增加了前置式AV输入端子,使用极为方便。值得一提的是,这并非最佳方案,因为该方案将就了原机印制电路的结构(为了简化改动工作),使得AV1和AV2的音频输入信号也是并联的,考虑到实用中多路AV信号在任一时刻也只能取一路送入彩电,故该方案是合理的。
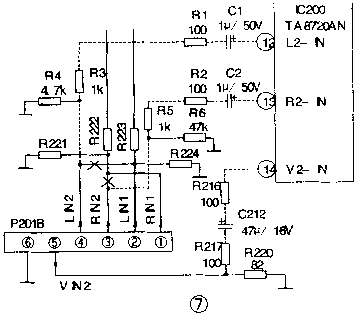
如果要使AV1和AV2完全分离,可采用另一改进方案,其方法是保留前一方案的第一和第三步,将第二步中(图2)排插P201B①脚与③脚、②脚与④脚的连线割断,使AV1和AV2的两路音频输入信号分开,然后在IC200脚与P201B④脚之间增加R1、C1和R3、R4组成的耦合网络;在IC200脚与P201B③脚之间增加R2、C2和R5、R6组成的耦合网络;IC200的改动方法与前一方案相同,如图7中虚线部分所示。由于受到原机印制电路的影响,此方案的难度要大些,但AV1和AV2彼此独立,使用效果更佳。

以上是乐华牌CT6388W彩电的改进方法,其它型号的国产大屏幕彩电的AV系统普遍存在类似问题,基于电路结构的差异,各机的改进方法有所不同。上述改进方案是本人的实践体会,在此与同行们交流,以求抛砖引玉,若有不足敬请指正。同时建议国内彩电生产厂家在开发大屏幕彩电的新产品时,应使其更能适应当今家庭AV的新潮流,以满足广大消费者的需求。(张宜)