闭路电视监控系统以其实时性、真实性、形象性为特点,广泛地应用于银行、证券、公安以及工矿企业中,有效地代替人员巡视,对整个工作场面和工作要地进行全方位的监视,大大提高了管理水平和安全性。由于监视面广,在监示器上显示的是各监视点的图像,若要在监示器上显示各监视点在什么地方,什么方位等,还必须增加汉字字符叠加器,把汉字字符的数字信号叠加到摄像机的字幕信号上,再输入监示器,以达到此目的。下面介绍汉字字符叠加电路原理。
汉字字符叠加电路由字幕键控脉冲形成电路,汉字字符发生电路和字幕信号与数字信号叠加电路三部分组成。
1.字幕键控脉冲形成电路
为了把汉字字符叠加到摄像机产生的字幕信号中,就要把幅度较小的字幕视频信号形成幅度较大的字幕键控信号,并以此信号作为汉字字模叠加到摄像机的字幕视频信号的同步信号。其电路如图1所示。

由于字幕视频信号幅度较小,为了得到较大幅度的字幕键控脉冲信号,V3采用PNP型晶体管,R7是静态工作点的偏置电阻,R8是V3的集电极电阻,由V3的集电极得到正的脉冲信号。字幕键控脉冲幅度大于+4V。
2.汉字字符发生电路
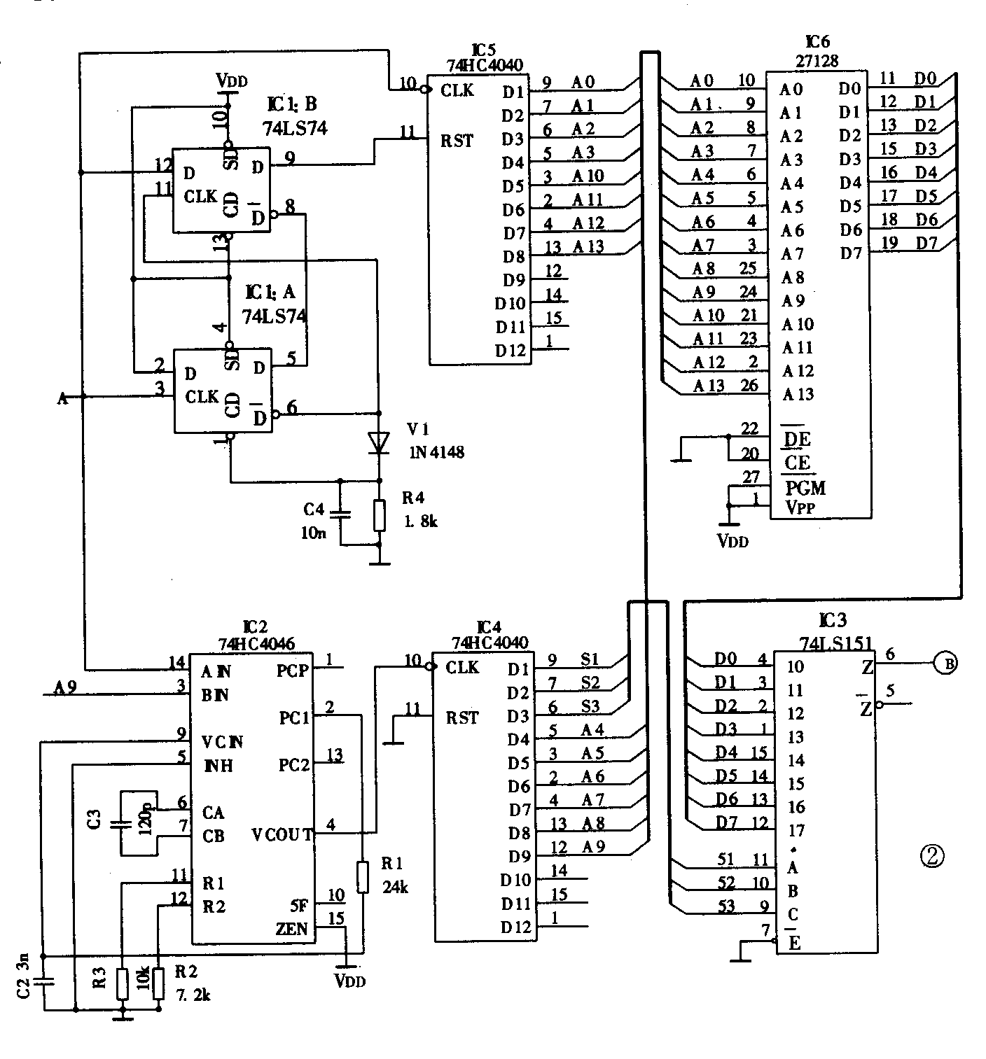
汉字字符发生电路主要是把固化在EPROM27128芯片内的汉字字符的字模输出叠加到摄像机产生的字幕信号上去,其电路如图2所示。图中以IC1:A,IC1:B两D触发器和V1(1N4148),R4,C4组成同步分离电路,从字幕键控脉冲信号分离出场同步信号,并把场同步信号接到IC5(74HC4040)12级二进制计数器的复位端,即一帧完后复位一次。字幕键控信号接至IC5(74HC4040)的时钟端,用此信号来触发IC5计数,同时又把字幕键控信号接至IC2(74HC4046)锁相环中相位比较器的一个输入端AIN(14脚),IC2(74HC4046)与IC4(74HC4040)组成锁相倍频器,如图3所示。


图3中的Fin是字幕键控输入,即行频输入。此行频输入接IC2(74HC4046)14脚,经IC2(74HC4O 46)的相位比较器,低通滤波器及VCO的振荡器,输出信号(IC2的第4脚)经IC4(74HC4040)12级二进制计数器输出,得到输入信号的N次倍频。在IC4(74HC4040)芯片上把12脚(D9)接IC6(27128)芯片的地址线A9,同时又作为IC2(74HC4O46)锁相环的另一输入端即BIN脚(3脚)。这样,IC2(74HC4046)锁相环和IC4(74HC4040)12级二进制计数器就组成了一个8倍频的锁相倍频器。IC4(74HC4040)的D4~D9脚接IC6(EPROM27128)的地址线A4~A9,用以作为选择监示器上每行扫描的字节数即为32个字节,IC4的D1~D3接IC3(74LS151多路选择器)的A、B、C,用于把每字节的8位二进制数与摄像机的字幕信号叠加。IC5(74HC4040)12级二进制计数器的D1~D4接IC6(EPROM27128)的地址线A0~A3,IC5的D5~D8接IC6的地址线A10~A13,所以IC5用以扫描监示器上每帧的行数,即每帧扫描行数为2\(^{8}\)=256行。假如为16×16点阵汉字,每汉字占用32个字节,则监示器每行能显示16行汉字,最多有16个汉字。因此,只要把要显示的汉字字模固化在E-PROM 27128的某些地址单元中,就能在监示器上的相应位置显示其汉字。
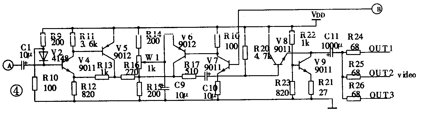
3.字幕信号与数字信号叠加电路
字幕信号与数字信号叠加电路如图4所示。字幕信号经C1耦合由V4(9011)和V5(9012)放大加到V6(9012)的集电极。数字信号由IC3的输出端加到V7(9011)的基极,再由V7(9011)放大加到V6的基极。这样,字幕信号与数字信号在V6上进行叠加,叠加后从V6的集电极上输出,再由V8的发射极输出。V9作为V8的发射极负载有源电阻。输出可接多个监示器。

利用此电路实现全屏幕汉字叠加,图像显示清晰,不存在汉字的抖动。(熊茂华 闵次凡)