三、应用电路简介
TA8880为一多制式解码VCD通道IC,与TA8772基带延迟线IC配合,可组成全制式彩色信号处理电路。如果配用TA8889白平衡调整IC,在生产过程中还可通过总线对白平衡进行自动调整。配用TA8859图像几何校正IC,可组成25英寸以上大屏幕彩电电路。图2给出了TA8880的一种典型应用电路,可组成PAL/NTSC/SECAM多制式信号处理电路。

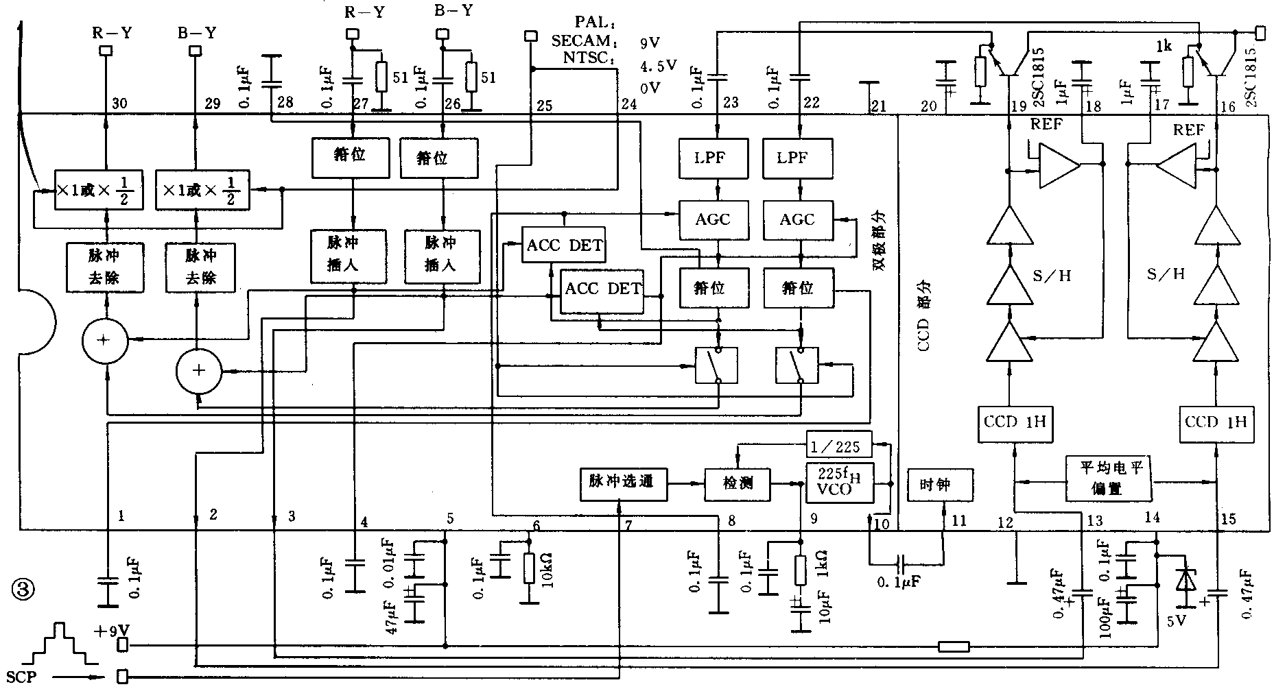
TA8772是基带延迟线(Basebann Delav)。传统的延迟电路采用玻璃延迟线,无法实现低频宽带基带信号的延迟,因此基带信号的延迟大都采用电荷耦合器件(CCD,Charge-Coupled Device)或开关电容技术作集成基带延迟线。TA8772就是CCD方式的基带延时IC。它由两部分组成,一部分是CCD芯片组成两个独立的1H延迟线,对R-Y、B-Y基带信号作延时处理。另一部分是双极性芯片,用于控制CCD处理的R-Y、B-Y信号,主要有:时钟产生电路,用沙堡脉冲控制225倍行频压控振荡器产生CCD工作时钟;模式选择电路,控制两个色差信号对不同制式的处理方式,PAL制信号时,直通信号与延迟信号几何平均,SECAM制信号时,延迟信号与直通信号直接相加(SECAM制是隔行传送,相邻两行有一空行,延迟相加可恢复),而对NTSC信号不作任何处理,直接通过。图3给出了TA8772内部电路框图。由TA8880产生的基带信号R-Y、B-Y由40、41脚送至TA8772的27、26脚,进行箝位后,一路作直通信号,另一路由2、3脚输出送至CCD电路15、13脚进行1H基带延时,产生延迟信号,由22、23脚输入,进行低通滤波及AGC和箝位后通过制式开关送至相加电路,由几何运算控制电路输出基色矩阵电路所需的R-H、B-Y色差信号。

TA8889是I2C总线控制的白平衡调整IC,通过I2C总线可分别调整RGB输出的直流工作点即显像管截止电压和B、G信号驱动增益。传统的调整方式是用5个半可调电位器对视放驱动的直流工作点和驱动增益作调整。由于半可调电位器长期工作稳定性差,易造成图像偏色,另外,生产线上调整也无法使用计算机。TA8889则使上述问题迎刃而解,即使出现偏差,用遥控器也能进行调整,而无需拆开电视机。图4给出了TA8889内部电路框图。RGB信号由1、3、6脚进入IC后,首先进行可控增益放大调整,然后进行箝位,再作直流电压调整,经消隐处理后由16、14、12脚分别输出至无调整显像管驱动级即视放电路。(李砚泉)
