自VAA系列胆机套件1993年开始推出后至今已有三年多时间了,该套件由推出时的一款型号—VAA-70推挽合并机,现已发展为前级套件一款、单端甲类两款和合并机多款的系列机种。该套件目前不仅仅在国内拥有大量的用户,而且还远销海外,其销售总量已过万套,该套件现已成为一种国际性的胆机套件产品,并受到了国内外许多动手派发烧友的喜爱。为配合本次胆机制作大奖赛,现将此系列套件的设计思路作一介绍:
一、设计思想
欧美、日本生产的胆机,由于其高昂的价格,绝大多数的音响爱好者是可望而不可及。在l992年底,我受深圳银耀公司之邀,为该公司设计了一款“新声牌”SAP-50T合并式胆机。该机于1993年中正式生产并批量投放市场。这时该机的售价虽然只有4000多元人民币,且只有同档次进口机的价格的1/4~1/5,但对于多数发烧友来说价格还是偏高。于是有朋友向我提出:能否设计一套素质不低,但价格不高、能满足众多发烧友要求的胆机呢?在经过仔细的成本核算之后,我发现胆机的成本有很大一部分是生产成本、管理成本和销售成本,如果我们能大幅度地降低这几项成本,就能大幅度地降低胆机的销售价格,因此我想到了做胆机套件并采用邮购的方式作直销,这样就可以在元件素质不变的情况下,较大幅度的降低以上几项附加成本,从而降低胆机的售价。做套件成功与否,问题的关键是能否让懂得一点无线电常识的人,能用简单的工具和万用表能装出达到“发烧”级别的胆机来,即能否让用户控制好质量,换句话来说,就是让用户买到套件之后,能比较简单和容易地使该套件达到一定的水准。为此我进行了许多调查、比较和摸索,终于确定了设计方案。
当时我想应该设计什么样的套件才能较广泛的适应发烧友们的需要呢?毫无疑问一套组装调试容易、结构合理、外观美观、功率适中、音质良好、价格不高的合并式推挽机应该比较容易被更多的发烧友接受。因此,根据上述要求,我设计了VAA-70胆机套件。在VAA-70推出之后,相继改进设计了更完善的VAA-70MKⅡ,同时为了适应不同发烧友的不同要求相继又设计了功率较大一点的VAA-120、前级套件VAA-L1、单管单端的VAA-300BA以及VAA-70MKⅡ、VAA-120的廉价经济型VAA-70E和VAA-100E,后来还专门为国外用户设计了几款特别的型号,由于不能在国内销售,这里就不介绍了。
二、VAA系列套件的结构设计
在设计VAA-70时,当时就有一指导思想,要把此套件的结构做精细,就必须开模具,由于开模具的费用都比较高,所以经济一点的做法就是开一套能适应各种电路的“万用”底盘,这样才可能做到质量好,价格低。在这一思想指导下,我在结构尺寸的选择,元件的布局等上作了精心考虑。同时又为了方便运输和安装,就把该套件设计为积木拼装式,全机金属件分为:主底盘、侧板、安装支架,上盒板和下底板等五大类。元部件分为:电源变压器、输出变压器、电子管、PCB印制版、阻容元件、接插件、开关电位器等。
金属件中主底盘是全机的支架,在主底盘上几乎全机的所有部件都安装在它上面,主底盘的外形尺寸为:400×254×55(mm),400mm的选定是考虑为方便在它的两端各加15mm厚的木侧板时或加面板时可成为430mm的标准机箱宽度,254mm的深度和55mm的高度是从视觉效果好的角度来选择的。在侧板上有两个M3的孔是为了安装网罩或木侧板用的,安装支架A是为了末级安装两只八脚电子管而设计的,它适用于末级为KT88、KT100、KT94、KT99、6550、EL34、6L6GC、5881等所有为八脚的功率电子管作推挽时,安装支架B是为两只四脚管座(300B、2A3)或五脚管座(807)作推挽式并联单端而用。安装支架C是供一只四脚管座(300B、2A3)和一只八脚管座(6SN7、EL34、6L6GC)作单端甲类用。在主底盘上开有一大方孔,是为了安装推动电路PCB板的。这里开孔有两个目的,一是方便安装调试和维修,二是可适应各种不同的推动电路。推动电路可以随意使用几只管子作推动,这样就有两孔的上安装板A(供每声道一个三极—五极管、双三极管或一个五极管用),有三孔的上安装板B(供两个声道用三个电子管用)。四孔的上安装板C(供每个声道用二只电子管用)和五个孔的上安装板D(供两个声道五只电子管用)。当然如果电子管超过五只,也可另做上安装板或不用上安装板,主底盘上的小方孔是供安装电源变压器(作双声道时)或输出变压器(作单声道时),电源变压器的功率有350W、450W和550W三种。输出变压器的位置可安装120W的GOX-120-3.5、方孔的两侧是供安装输出变压器的(作双声道时),GOX-50-5.5S和GOX75-5.5均可。在作单声道时该位可安装两个200W的电源变压器,一个给前级和灯丝供电,一个给末级供电。后来为了方便在底盘上安装面板,又设计了主底盘P(见图1)。该机另还设计有一网罩。该网罩也是积木式设计,可适用于无面板、有大小面板的所有结构。

该机为了提高音质、减小干扰,整机采用了全对称性布局结构和最短路径设计。这种对称结构可使电磁干扰对每声道的影响一致,最短路径设计是:220V交流输入、电源开关、保险离电源变压器最近,离放大电路最远而输入信号的RCA插座刚离放大电路最近,信号从前面板一输入就近去音量电位器,随后马上进入放大级。
被放大的信号经推动级到末级,又从末级就近入输出变压器,输出变压器的输出引线又就近到输出接线柱,这样设计虽然比较“发烧”对音质有利,是一种只讲“发烧”的最佳选择,但在使用中有点不方便,后来设计的P型主底盘除了可加面板外还作了以下改动:①电源开关移至正面。②RCA输入移至背面,并增加到四组。③增加一选择开关。这样对使用就方便许多。
在内部结构上,供电部分和前级放大推动、电路各自分别为一独立PCB板(见图1),电源板上含有阳极高压整流、滤波,栅极负压的整流滤波和前级灯丝的整流滤波,放大PCB板,可在同一尺寸的情况下,灵活地选用不同型式的推动电路,末级推换电路可为搭棚方式。
三、电路设计
由于VAA系列胆机套件种类较多,故这里只介绍比较典型的VAA-70MKⅡ,电路图见图2。

1.电源设计
胆机的电源是整机的“动力”,它由电源变压器、阳极高压、栅极负压和灯丝供电四部分组成,VAA-70MKⅡ的电源是一种比较简洁可适应于多种推挽双、单声道合并机或纯后级的电路,它的栅负压范围最大为-100V。阳极高压的范围可在+400V~500V范围选择几个档次。末级的灯丝电压供电一般为交流6.3V,它可用于KT88、6550、EL34、6L6GC等,常用的还有5V(300B)、10V(211、845)、2.5V(2A3),而前级灯丝电压多为6.3V,直流供电稍多一些,目前极典生产的电源变压器有350W、450W、550W三种,350W的是套件的标准配搭,型号有两种350P和350P(见图3、图4),350P适用用KT88、6550、EL34、6L6GC等,350P1适用于300B和2A3,这两种变压器的阳极高压绕组设有几组抽头,使用不同的抽头可获不同的电压。


VAA-70MKⅡ电源的整流、滤波部分电路很简单这里不详细介绍,这部分设计在一块PCB板上,分布在电源变压器的周围,实现了“最短路径”。胆机的电源实际上挺有文章可做,胆机电源做好,对胆机的音色音质有很好的影响,现在也有开关电源在胆机中应用的。
2.放大电路设计
胆机的放大电路种类繁多,五花八门,是众多厂家和发烧友最多施展才华的地方,但比较典型的是由三级或四级电路构成,一级电压放大,一级推动放大(推换机兼作倒相)和一级功率放大,有些放大电路还含有一级前级预放(可提高输入灵敏度)或一级阴极输出推动级(该级加入一般可提高功率和改善低频力度),VAA-70MKⅡ的放大电路也是最典型的电路,此电路实际上是美国著名胆机Dynaco70的翻版,它每声道实际上只用三只电子管组成,一只三极、五极复合管6F2,两只末级功放管EL34,该电路堪称简洁至上的典范。6F2的五极管部分负责电压放大,三极管部分组成屏—阴倒相电路作倒相和推动用,末级除了可用EL34外还可以用6L6GC(6P3P)、KT66、KT88、6550,末级管接成超线性放大,(末级管还有标准接法和三极管接法,标准接法输出功率较大,三极管接法失真较小),末级的栅压供给方式是采用固定方式,并由R10、R11(R′10、R′11)引入,通过调整VR1-VR4,可分别改变每声道两只末级电子管的工作状态。在末级电子管的阴极设有一只10Ω的电阻(R14、R15、R′14、R′15)供检测每只末级管的工作状态。在该电阻上每增减0.1V的电压表示该管即有10mA的屏流增减。该级的推荐状态为AB\(_{1}\)类,其静态屏极电流在35mA左右,注意:当屏流较小时对电子管的寿命有利,当屏流较大时,其音质听感会好一点,失真也会小一点,但要保证屏流(Ia)与屏压(U\(_{a}\))的乘积值要小于最大屏耗(Pamax)(一般不超过0.7~0.8P\(_{amax}\))。为保证整机的一致性和稳定性,由R18、R′18和R2、R′2引入环路负反馈,但反馈量较小,不会对音质产生不利的影响。
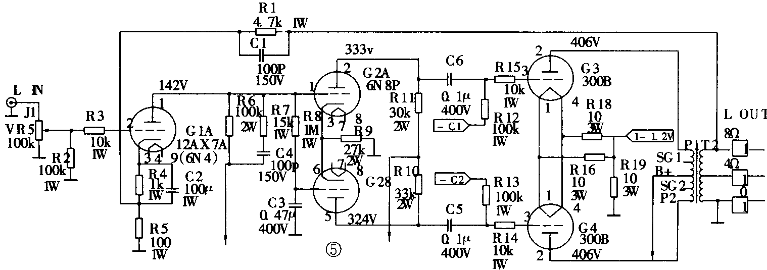
而VAA-120系列套件(VAA-100E、VAA-12O、VAA-300B)的电路与VAA-70系列的区别主要在于推动电路不同(另是末级电子管不同和材料质量档次的不同),推动电路详见图5。VAA-120系列的电压放大级用的是高μ双三极管6N4(12AX7)的一个三极管作电压放大,推动级则用了一个低μ的6N8P(6SN7)双三极管作推动兼倒相。电路形式为最常见的“长尾式”电路,这种电路曾被国外许多名机采用过。总之电压放大、推动、倒相电路,电路不同的形式其整机的音色均有不同的变化。通过实践你还会发现,即便是同一电路,用不同型号的管子,会有不同音色走向,更有甚者同一型号的管子由不同厂家生产其音色都有一些细小的差别。这样表面看起来不定因素太多,不知如何选管为好,实际上这为胆机设计带来了极大的空间,有经验的设计师就可通过简单的手段来选取音色取向。

3.输出变压器的设计
大家知道胆机的输出变压器是整机的咽喉,非常重要,它直接影响着整机的指标和听感。在输出变压器上,早期我们曾做过大量的工作,经过多次反复试验与比较,终于设计出了素质不错的“金牛牌”GOX-50-5.5输出变压器,该变压器也曾用在银耀的SAP-50T上,后用在VAA-70的套件上时总的反映还是不错的,就在听感上觉得低频力度略欠,高音透明高度也差一点点。后来再次改进后,命名改为“极典”牌,GOX-50-5.5S推出后反响良好。该变压器目前除了成为套件的标准搭配外,还批量出口欧美,并被国外一些过万元的整机采用。现“极典”牌输出变压器还有GOX-75-5.5(MP合并机系列使用,套件也可安装),GOX-12-3等多款输出变压器,可用于各种型号的胆机套件。
四、套件的装配与调试
我们在设计该套件时非常注意使装配与调试的尽可能简单,为此我们除了从设计上予以充分考虑外,还备有详细的安装调试手册(说明),在该手册中有结构装配图(见图6)、配线连接图(见图1)和安装调试说明。总之装配者即使无音响装配的经验,只要会使用电烙铁、万用表,再备适当的工具,从安装到调试一般用十个小时即可完成。另该套件的所有元器件齐备,如螺钉、焊锡和扎线都有,不必另买任何其它输件。

总之该套件经过几年的实践与发展应该说完善度是比较高的,也是比较成熟的,希望这次举办的胆机制作大奖赛,能发挥发烧友们的才干,能涌现出一些人才,能有一批高水平的制作。为提高国产高级音响器材的水平做一些工作。
本次大赛设立的一名技术进步奖是为了鼓励新技术在胆机上应用而设的。如前不久我去美国就看见有CPU在胆机中应用的例子。在电源开关开启之后,先由CPU检测整机的工作状态,若检测正常,整机进入工作状态,不正常则暂停整机的工作。在工作中CPU始终保持整机最佳工作点,若有明显故障则整机暂停工作,这一点对保证胆机长期稳定工作是有积极意义的。因此我们设立技术进步奖,以鼓励在这方面勇于实践和创新的人。
最后祝本次大赛圆满成功。(曾德钧)