对数放大器能对输入信号实行对数运算,它是一种十分有用的非线性函数运算放大器,把它和反对数运算放大器等适当组合,可组成具有不同功能的非线性运算放大器。例如,它可组成乘法器和除法运算放大器,不同阶次的幂函数运算器等。
本文介绍双通道对数放大器集成电路KW441。此电路在航空、通信以及医疗系统的精密仪器中作数据压缩、模拟运算方面都有着广泛的应用。
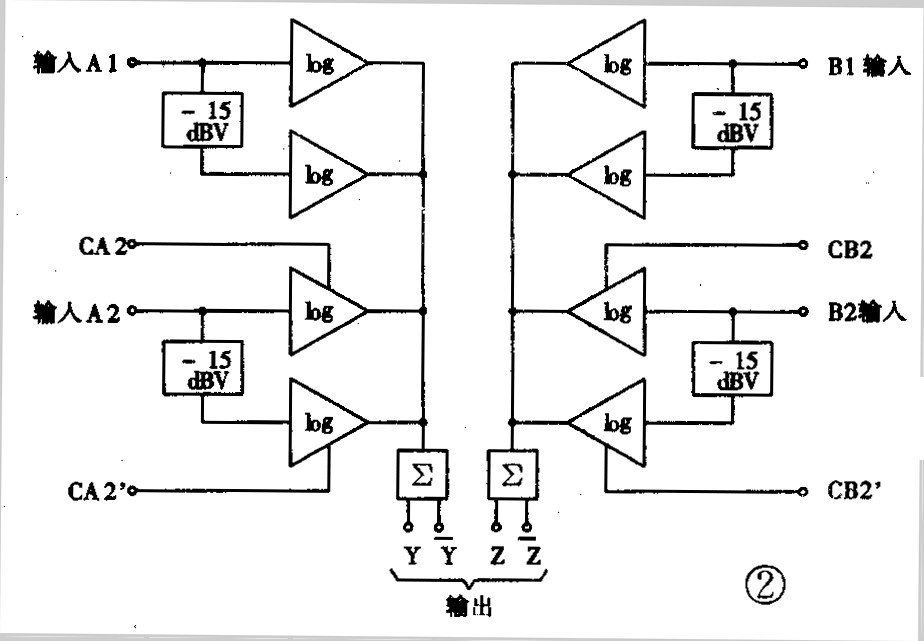
KW441集成电路采用16脚双列直插式塑料封装,外形见图1a,各引脚功能见图1(b)。下面介绍KW441电路的主要特性、特点、内电路以及应用实例。

电路特点与特性
1.KW411集成电路是利用P-N结的非线性伏安特性原理设计的,因此对数运算精度高。
2.频带宽(高达40MHz)。
3.输入电压范围大0.01~1.0V\(_{P}\)-P(峰-峰值)
4.内含温度校正电路(P-N结补偿)
差分输出直流比例系数SF\(_{DC}\)
SF\(_{DC}\)=[UOUT(560mV)-U\(_{OUT}\)(18mV)]30dBV
线性误差E\(_{DC}\)
E\(_{DC}\)=
内部电路介绍

KW441集成电路的内部方框图如图2所示。电路由八个差分放大器组成,分别构成A,B两组独立的对数放大器,各自可单独使用,每组有两个30dBV的对数级,每个输入送到每一级的两个差分对,而两个差分对数级又是独立的。输入电压范围内的输入电压与输出电压的关系为对数比例关系,所以,每级均可单独工作,也可串并联工作。若四级适当连接,可以得到输入电压范围为120dBV的理论值。实际上允许输入电压范围大于80dBV,对数线性度±0.5dBV,带宽可达40MHz。电路含温度校正电路,它采用三极管V\(_{be}\)结、Vcb结与电阻串联分压,以提供恒流源I\(_{0}\)所需的基极偏置电压。这个偏置电压是随恒流源的Vbe结变化而变化的,因此,当环境温度产生变化,并不影响I\(_{0}\)的变化。此外。电动内部还有四个补偿点:CA12,CA2'和CB2,GB2'。它们专作微补偿调整,使A2和B2输入级的两个独立的15dBV的增益(斜率)达到最佳状态,在静态情况下,一般用一个补偿点就可以作微量调整,通过调整可以使一个15dBV级的增益能与另一个15dBV级的相匹配。每A或B组电路直接通过一个共基极输出级的集电极求和,两个集电极输出级作为两个对数级输出Y和Y-或Z和Z-,这些输出在幅度上相等而极性上相反。
值得注意的是,虽然本器件的输入范围大(0.01-1.0V\(_{P}\)-P),但若输入电平超过1.0V,则可能产生输出失真。过载应用是可以的,但输入驱动达3.5V时,会出现饱和状态,集电极被箝位和产生严重的输出失真,这种情况应避免。
应用电路

图3为KW441电路组成的对数放大器,其中A1、A2、B1、B2为441对数电路的输入端,其中A1由外加信号直接提供,A2是经15kΩ衰减后的信号,B1和B2由两级运放通过调整后的增益作为输入信号。在输出级5kΩ的可调电阻主要用作调整增益或线性区的斜率,20kΩ用作原点调节或输入端之间的差模输入电压。在调整过程中,为避免KW441电路产生饱和、集电极被箝位和输出失真现象,要求KW441对数电路的输入驱动电压限制在±3.5V以内。上述对数放大器的输入、输出电压特性曲线见图4。(毕宝玉)

