最近几年,电子管音频放大器在市场上的占有量正在逐步增长,它虽称不上是主流,但它的复出也确实引起了较大的反响。
做为一个事物,它的存在也必然说明了其本身具有一定的价值。
许多朋友都曾有过这样的疑惑:电子管做为一种古老的电子器件,早已是昨日黄花,在二十多年前已被淘汰,今日的复出究竟是什么原因呢?回答或许是多种多样的。在此,我谨引用我国的一位著名电声学家的话,做为这些疑惑的解释:“那种把电子电路的发展分为电子管、晶体管、集成电路、大规模集成电路等四个时代,并认为一个时代比一个时代先进的说法,对电子计算机技术来说可能比较确切,对声频电路说来则似乎并不全面。以上四个时代的划分,只表达了电路形式的不同,但声频电路的先进性,主要应看设备的综合指标、综合性能,特·别·要·看·音·质·是·否·良·好·,不能只看电路形式。”
不可否认,晶体管音频放大器在近些年经过不懈的努力确实有了长足的进步,但做为晶体管器件本身却并没有发生根本性的转变,其器件本身的一些先天缺陷反过来也制约了它在音频领域更进一步的发展。这也就是为什么晶体管电路越做越复杂的原因。
在国外,电子管机常常被人称之为“贵族机”,这主要是指它的价格。而在中国大陆,情况则大为不同,首先,中国是目前世界上电子管生产量最大的国家,得天独厚的条件也就促进了国内电子管机的发展。目前,国内生产的一些优秀电子管机型,无论在外观、性能、质素、声音等方面都与国外的一些优秀机型相距不远,而在价格方面却比国外机型便宜很多,为国人所能接受。
北京欧博直响技术公司开发、生产的M100型合并式电子管音频放大器便是一款针对国内市场的低价位机型。
它的使用甚为方便,只需接上信号源(如CD机、卡座、收音头等),接上音箱线即可开声,免除了前后组搭配挑选等问题的烦恼。
以有限的成本而达到理想的效果,这对于设计师来说几乎是一个难题。如何使M100的素质得到保证呢?对于这样一台低价位机型,M100在关键的元器部件上注入了最大的投资,并没有做省略处理,以此保证了整机的素质在一定的水平线上。
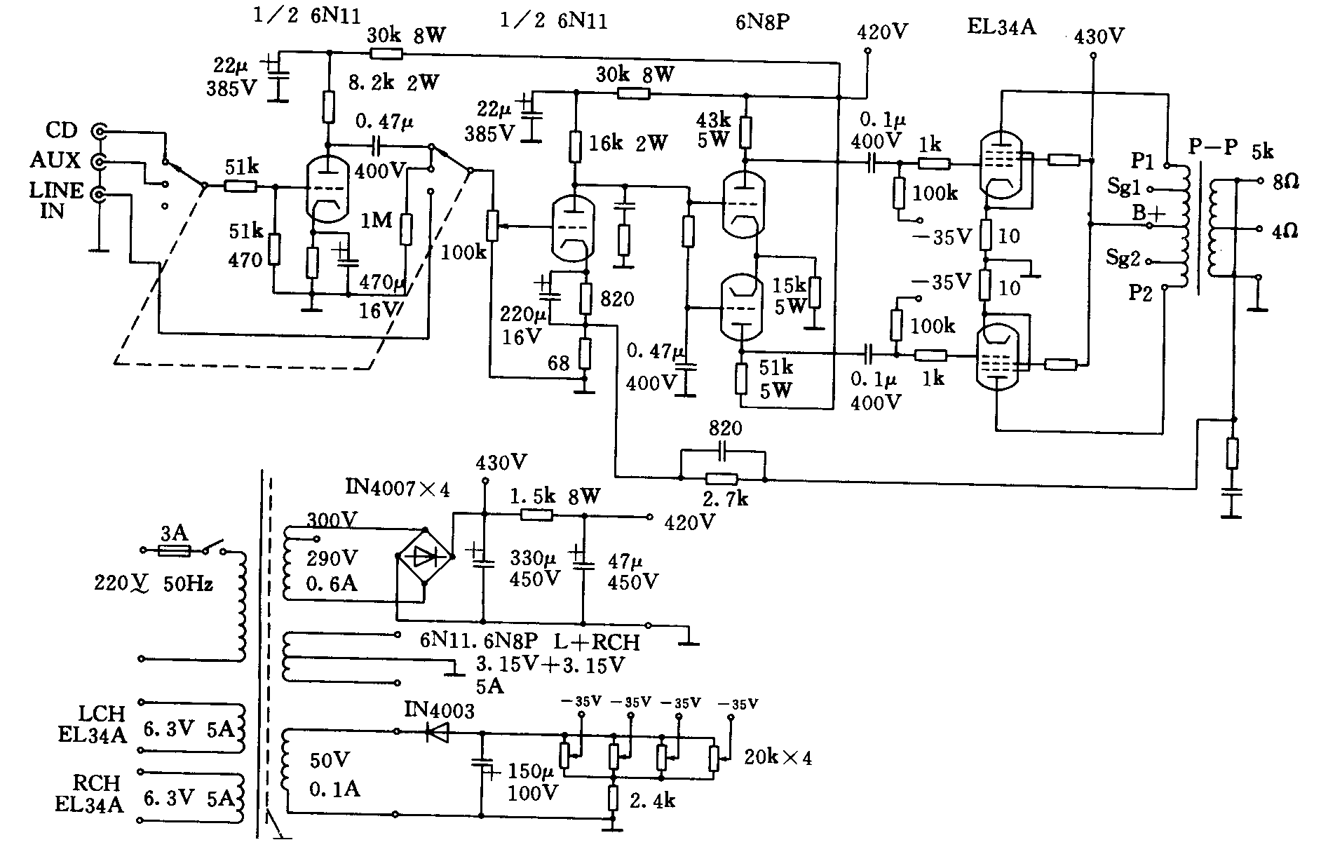
M100的线路图见附图(图中只画出一个音频通道)。它共使用了2只6N11、2只6N8P、4只EL34A。它是一款真正意义上的前后级合并式放大器。独立的内置前级部分与后级可连可分。在一般情况下,机内的前级已经可以满足使用,若有升级要求,便可通过LineIN接口,接入更为发烧的前级(如和韵QM-Ⅱ分体前级),即可达到目的。这样的设计,主要是为了方便用户,也可用来单独比较后级或者前级之用。

从M100的电路上看,它属于典型的电子管电路。它的前级放大、后级输入级放大都是普通的共阴极放大器,长尾式倒相级,末级功率放大是经过改良的标准接法。然而,也就是在这普通的电路上,根据测试指标及主观听音要求,对电路参数进行了慎重仔细的选择调整。首先,是整机的开环特性,M100后级的开环增益设计的比较低,输入级选用了低内阻低噪声高跨导的6N11,开环的频响、失真度等指标都比较理想。这也就为施加浅量大环路负反馈创造了条件。负反馈量的改变对声音倾向有着重要的影响。M100的大环路负反馈量只有5.8dB,闭环10W时的频响是6Hz~6kHz(-3dB),谐波失真在10W时0.15%(1kHz、l0kHz)。浅量的负反馈也就带来了声音上的一些特征:明朗、富有弹性、低音丰厚清晰,瞬态反应良好,同时,中音也反映的更加淳厚。
由于输出变压器是一个感抗器件,并由于分布电容及漏感的存在,使频率高端会出现一个谐振峰,虽然这个谐振峰远在人耳听域之外,但它的存在确实会部分影响听域内声音的重播。为此,M100对零极点进行了修整补偿,使频响曲线呈单调下降的状态,这一点,在音频放大器里尤为重要。
M100的末级功率放大,经过反复实验,最后采用了改良的标准接法,它不同于以往常见的标准接法,而是在帘栅极各自引入一定的电流负反馈,使末级的谐波失真、特别是高频端的谐波失其较之于标准接法超线性接法有了较大幅度的降低,主观听音方面也有了可观的改善,同时,在稳定可靠的前提下,输出功率又提高到了每声道50W(RMS)以上。
输出变压器在后级放大器里所起的作用是举足轻重的,它几乎是后级放大器的灵魂所在,M100的输出变压器采用了多层多段结构。无氧铜漆包线绕制、高矽冷轧有取向硅钢片、环氧树脂端封。变压器的初级电感量50Hz时175H左右,分布电容、漏感非常之小,在1kHz~10kHz时的初级漏感≤8mH。
在整机外形布局上,M100采用了进口不锈钢底壳,两侧附以美国樱桃木梯形木边,圆形冲压变压器罩,三只变压器呈倒“品”字形安置,整体的重量分布、热分布都十分良好。外形看上去大方明快。
整机的电压放大级及倒相级安装在一块双面印刷电路上,灯丝部分由导线连接,功率放大部分则用搭棚焊接工艺。输入选择部分以最短捷的导杆开关方式连接,使信号串扰降低到最低限度。
元器件方面,M100使用了环形电源变压器,WIMA、ERO耦合电容,进口电解电容,ALPS音量电位器,镀金扬声器端子RCA座,北京718J厂生产的RJ型金属膜电阻,军级电子管。特别值得一提的是,M100所使用的EL34A电子管,是近期北京电子管厂根据设计者的要求特别订制的,与M100的声音特点相得益彰。
M100搭配什么样的CD机和音箱是许多朋友所关心的事情。CD机方面,中低价位的可选用CEC891。马兰士63、飞利浦931、951等。音箱方面的选择则以英国音箱为主,像ProAC、KEF、Rogers、Spendor、HARBETH以及AVANCE等。线材方面有美国的怪兽、AQ、荷兰的VDH等。以上的这些音箱及线材在中低价位都有多款可供选择,整套系统的预算可控制在万元之内,若是搭配得当,效果一定不会令人失望。
M100在播放各类音乐体裁时都有比较好的适应性,这一点正和设计者的初衷相吻合。用它播放由笔者监制的发烧CD《响韵》中的《无词剧》一曲时,大鼓的动态、质感、能量感与现场的情况十分相近;当播放方明雅坤的朗诵时,人声的口形合适,定位清晰;在男女声对唱《三十里埔)这首歌里,男女声两位演员的声音表现的很“通”,没有过多的渲染和损伤。在播放小提琴,大提琴、钢琴以及管弦乐队的演奏时,M100表现出一种很耐听的音乐感,又不失之准确的特性。(于建兵)