索尼公司近年推出的采用超级特丽珑显像管(Super Trinitron)的大屏幕彩电在市场上甚为走俏,社会拥有量越来越大,特别是贵丽单枪K系列的KV-K29MH11、K29MF1、K25MN11、K25MF1和明丽F系列的KV-F29MH31、F79MH11、F79MF1、F25MN11、F25MF1这几种型号的29英寸和25英寸彩电,尤其受消费者青睐。然而这些彩电因为机型及电路结构新颖,许多维修人员尚不了解,加上维修资料奇缺,所以出了故障维修较难。本文介绍通过实践总结出的几例常见故障维修实例,希望对有关维修人员和爱好者有所帮助和启发。
例1机型:KV-F29MF1
故障现象:有图像和伴音,但图像亮度很暗,若出现亮景图像可看到彩色基本正常。测量显像管丝极电压及加速极电压均正常,调整加速极电位器有效,但不能使亮度正常。
分析与检修:由于显像管丝极和加速极电压均正常,且除亮度暗外,图像基本正常,据此可以初步判断显像管及其工作电压大体正常,问题很可能出在亮度信号通道中。该机与这两年流行于市的大多数其他牌号进口大屏幕彩电一样,采用了I\(^{2}\)C总线控制技术,即由主控微机IC001(CXP85224-016S)通过SCL(时钟总线)和SDL(数据总线)对亮度信号处理、色度信号处理、行场扫描、枕形失真校正等集成电路进行控制,达到亮度、对比度、色饱和度、色调、行幅、场幅、行线性。场线性、行及场中心、图像枕校等调整的目的。这样做的优点是省去了常规电路中的十几个可调电阻(半可变电位器),明显方便了调整工作,提高了彩电的可靠性指标,同时也简化了集成电路外围电路和整机工艺结构。由于采用I2C总线技术的彩电,在出厂前已将数据调整好并储存于存储集成电路中,每次开机时主控微机会从存储器中读出这些数据并通过I\(^{2}\)C总线对相应集成块进行调整,使其进入正常工作状态。所以通常情况下,包括一般维修时不必对这些数据重新调整。但是少数彩电因受到高压或强脉冲等干扰,或存储器本身质量不佳,可能造成存储器中某个或某几个数据丢失或改变,这样就会使光栅及图像某个或某些指标发生相应变化。这种变化靠检修电路元器件大都难以奏效,必须重调储存数据才行。
本例检修过程如下:
1.开机后按压彩电或遥控器上的MENU(菜单)键,使屏幕显示主操作功能表。随后按压+键或-键,将光标2至第五行,即:“演示”行,再按压ENTER键,彩电便进入演示状态。观察演示图像,发现亮度仍暗,与正常接收电视台节目时差不多,从而基本上判断为电路硬件故障,非存储数据有误。

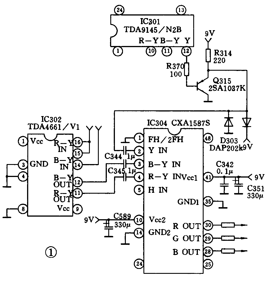
2.检查Y信号通道。如图1所示,该机Y信号从亮度/色度处理(分离)集成电路IC301(TDA9145/N2B)的脚送出,经射随放大器(Q315组成)缓冲后,由C344输送到色度/亮度处理及扫描集成电路IC304(CXA1587S)②脚(Y信号输入端),在IC304内与色度信号B-Y、R-Y一起被处理后,从IC304别送出B、G、R信号,加到显像管电路。由上可见Y通道是十分清楚的,通常检查原则是由后级向前级推进。因集成块内部电路无法检查,故应从IC304②脚入手进行检查。首先测量IC304②脚电压,为3V左右,而正常应为4.7V左右,而②脚电压只要低于2.5V就有可能明显影响亮度,甚至无光(注意用高附表测量),由此可基本确认故障由IC304②脚电压过低所致。
3.引起②脚电压低的原因可能在集成块外围电路中,也可能是集成块内电路损坏。首先检查外围电路,发现C344正常;再查①、②脚间印制线路及焊点,发现有漏电迹象。重焊①、②脚焊点,并用无水酒精彻底清洗周围线路后,再试机,发现亮度已完全恢复正常。
检修小结:就目前情况来讲,虽然总统数据出错故障在总的故障中所占比例不是很高,但确已在维修实践中不时发现,对这类故障机若仍沿用传统维修分析判断方法进行检修,那就十有八九要走进“死胡同”。所以这里再次提醒维修人员要重视这个问题,而且随着新型彩电不断普及,这类故障可能会成为检修重点之一。
例2机型:KV-F25MF1
故障现象:通电开机后无光无声,待机指示红灯点亮,按压POWER键不能启动彩电。据用户反映,该机在一次收看节目中突然图像收缩,随之变成一条水平亮线,亮线持续不足1秒就消失了,机子进入待机状态,以后就再也调不出图像或只有水平亮线,开机后即直接进入持机状态。
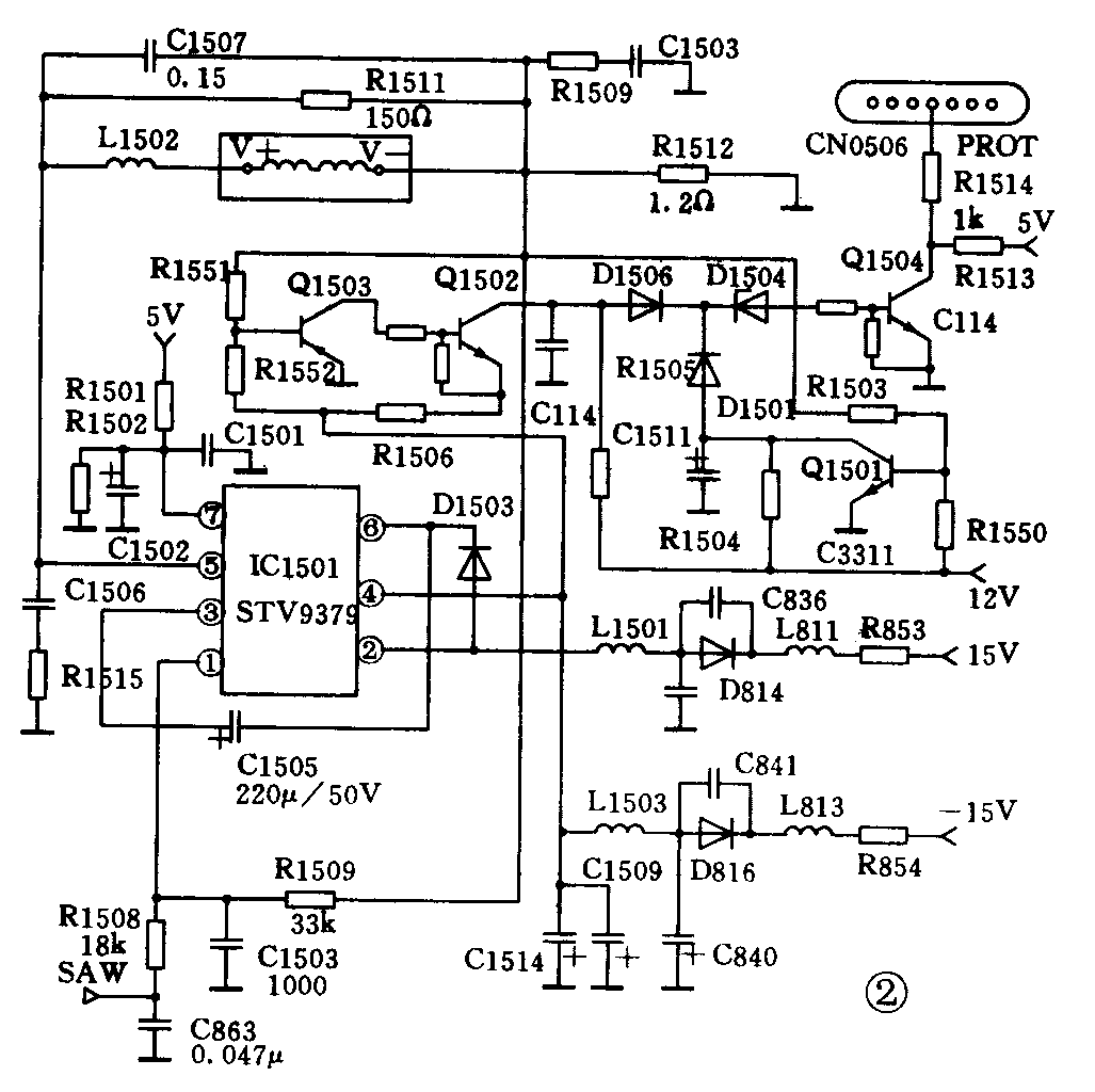
分析与检修:根据故障发生时曾出现一条水平亮绕这个特征,可以初步判断故障发生在场扫描电路。由于通常的检查总是遵循从后级向前级的原则,而且对该系列索尼彩电而言,先查看场扫描后级也直接、方便(拆开机子后益便可看到场输出集成电路等元器件),所以检查从场输出级入手。本例检修过程如下(电路见图2)。

1.开机后测量场扫描输出集成电路IC1501(STV9379)各脚电压。由于开机保护,场输出级供电电压因行扫描停止工作而中止,故测量时需不断启动机子(少数机子仅需启动1、2次便能完成测量)才行(按压频道选择键)。本例实测IC1501①、⑤脚电压不正常,其余基本正常。
2.测量IC1501①脚对④脚在路电阻仅几Ω,而正常值应为数kΩ(断电测量);再查①脚外围电路无明显短路故障,故初步判断IC1501损坏。
3.拆下IC1501,测量各脚对④脚电阻,发现①、⑤脚电阻明显不正常,如表1所示,表明IC1501确实已坏。换上新件后故障即被排除。

检修小结:索尼大屏幕彩电的场扫描电路相对于其他电路(行扫描电路除外)来讲故障率较高。通常以场扫描输出集成电路损坏或场输出级供电电路的故障可能性为大。所以检查时测量场输出集成电路的各脚电压及电阻是一个重要手段,通常已损坏的场输出集成电路IC1501的①脚或⑤脚、③脚(对④脚)非在路电阻大都明显偏离正常值,判断比较方便。如果实测IC1501各脚电阻并无异常,那表明故障在外围电路,尤其是供电电路中。
值得特别指出的是,场输出IC1501采用正、负双电源供电,索尼大屏幕彩电具有较完善的保护电路,当IC1501或相关的外围电路发生故障时,保护电路动作,使彩电迅速进入待机状态,无光亦无声,同时场输出级供电也消失,这就给判断故障带来了一些麻烦,所以在检修这类彩电前应问清故障发生前后的症状,在检查中则应认真仔细观察,必要时可多次启动机子或解除保护之后再测量检查。
例3机型:KV-K29MH11
故障现象:图像和伴音质量基本上都良好,唯图像稍有倾斜,出现水平长线条状图像时尤为明显。
分析与检修:图像倾斜现象在大屏幕彩电中比较常见。一般倾斜均不严重,粗看甚至不会觉察,但一旦被用户发现后,大多数人在心理上难以忍受,尤其对一些具有较明显水平直线条状图案的画面更是如此,所以这类彩电的送修比例并不低。造成图像倾斜的常见原因有:(1)偏转线圈松动移位;(2)某项I\(^{2}\)C总线数据丢失或出错;(3)彩电放置位置不当,受外界强磁场或地磁力影响而使偏转磁场发生异变。如果是(1),拆开机子后检查一下偏转线圈后便立即可判断。若是(2),图像总伴有其他几何失真,而且往往比图像倾斜现象还明显,所以观察及判断均不难。倘是(3),通常图像倾斜度最小,且不需重新摆置彩电,可用遥控器来调整。由此可见,(3)的操作最简单,故排除这种故障一般从(3)入手,本例过程如下:
1.观察图像,发现只是略有倾斜,且没见其他较明显的图像几何失真,故初步判断为受地磁等影响所致,可通过遥控器来校正。
2.调整遥控器,如下:(1)按MENU(菜单)键,使屏幕上出现“主操作功能表”,共有5项功能可选择。(2)按+或-键,将光标到“其它设定”一项,再按ENTER键,此时屏幕出现下示“操作项目表”(见表2)。(3)按+或-键,把光标到“倾斜校正”一项,再按ENTER键。(4)按+或-键,使倾斜校正达最佳即可。倾斜校正值共有-3、-2、-l、0、+l、+2、+3七个可选,本例将其调至+3档后,图像倾斜基本被校正。
表2
其它设定
变图比: 关
图像/声音信号出:屏幕信号
音响效果: 关
图像降噪: 关
倾斜校正: 0
检修小结:现在流行的新型29英寸以上(含29英寸)彩电大都具有方便的图像倾斜校正功能,可通过调整遥控器或机上键钮来实现。设置该功能的主要目的是为了便于维修人员及用户调整图像倾斜度。不过此项调整的范围较为有限,对于因偏转线圈松动等原因引起的图像倾斜故障大都无能为力,必须拆机进行维修调整,维修人员遇到图像倾斜较严重的故障不应试图通过调整此项功能来解决。
例4机型:KV-F29MH11
故障现象:遥控功能全部失效,机上按键调整一切正常。
分析与检修:这种故障通常是发生在遥控(发射)器或遥控接收器内,所以可先检查遥控器。遥控器的检查很简单,同类比较(可拿同类良好遥控器来与本彩电试验或用本遥控器到别的彩电上试验)最迅速直观。若无此条件,可将遥控器放在中波收音机天线近旁,按键(不要同时按2个键或以上)后即可听到收音机发出“特、特”声,无声就表明遥控器有故障,有声时除极少数情况外,通常都可认为遥控器正常。本例检修如下:
1.检查遥控器正常,表明故障基本上在遥控接收电路中。
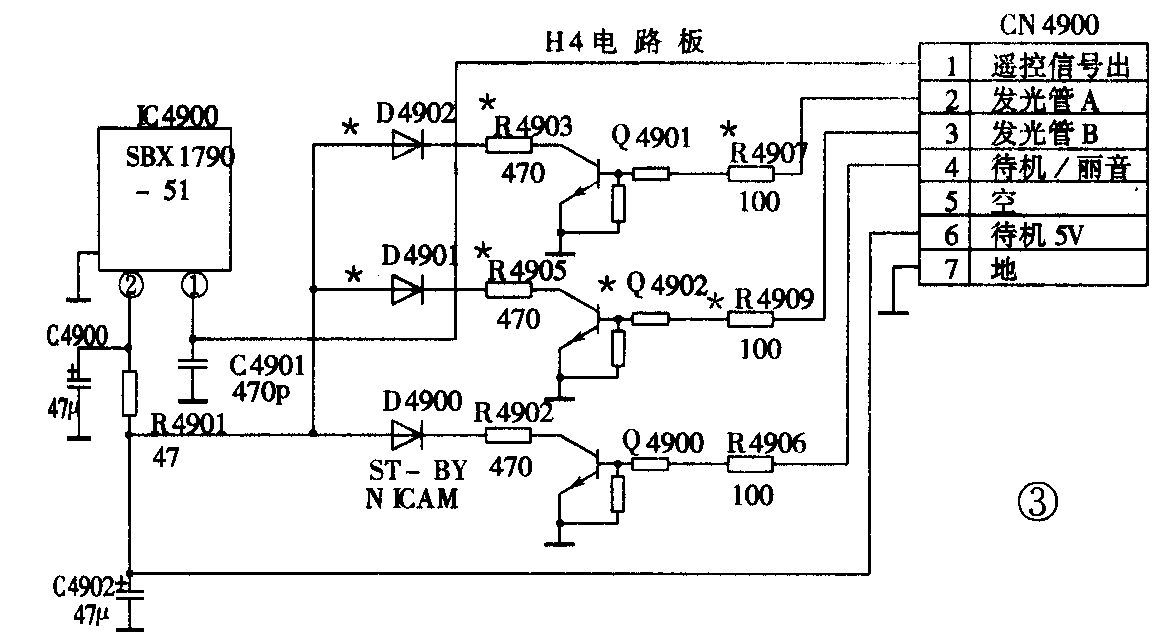
2.该机遥控接收电路安装在一块H4印制板上,采用播拔方式,检修十分方便。遥控接收电路如图3所示。图3所示为索尼KV-L、F系列大屏幕彩电全部适用的电路,依具体机型不同,遥控接收电路也可能有异,主要变动在图3中打*号的元器件,检修时只要一对照实物便可知道。但不论何种机型,遥控接收电路基本都一样,是由遥控接收集成电路IC4900(SBX1790-5l)等组成的。检修应从测量接收电路的5V电源电压入手。

3.检查接收电路。由于该机的待机指示灯亮熄正常,故可判断进入遥控接收板的5V电压基本正常。检查时可直接测量IC4900②脚(电源端)电压。本例实测②脚电压正常。于是关机,拔下H4板,仔细检查后发现IC4900①脚(信号输出端)虚焊,重新焊接后,装好H4板,遥控功能全部恢复正常。
检修小结:遥控接收电路出故障的原因主要有:电源电压不正常、焊点脱(虚)焊及接收集成电路损坏。所以,若实测电源正常,便可拆下H4板检查相关焊点是否脱焊。如果电源及焊点均正常,那么就可能是IC4900损坏了。判断IC4900是否损坏的简易方法是拔出H4板,然后测量其①、②脚对地电阻,一般正反测均应为4~6kΩ,否则很可能是已经损坏(用中心阻值为10~20Ω、电池电压为l.5V的万用表R×1k档测量)。不过实践表明,IC4900(一体化遥控接收电路)的故障率较小,损坏的多为外加强力或高电压等人为所致。值得指出的是,该机底板与显像管及其附件的距离很近,拔推底板时不注意的话、容易撞弯待机指示灯及IC4900等元器件,引起脱焊或元件损坏等故障,故拆装底板时应小心仔细。
本例及图3电路对索尼KV-F29MF1/F29MH11/F29MH31、KV-F29MN11/F29MN31、KV-L34MF1/L34MH11/L34MN11及25英寸F、K系列彩电基本上都适用。(王德沅)