一台PIONEER牌数字调谐器,型号为F-447,可以储存多达36个调频或调幅广播电台。唯一美中不足之处是缺少遥控功能,给使用者带来诸多不便。为此,笔者利用成品无线电收、发遥控器对该调谐器作小小改动,在不影响原机功能的基础上,实现12个预选台的遥控操作,这在一般地区收听广播节目已完全满足要求。
工作原理
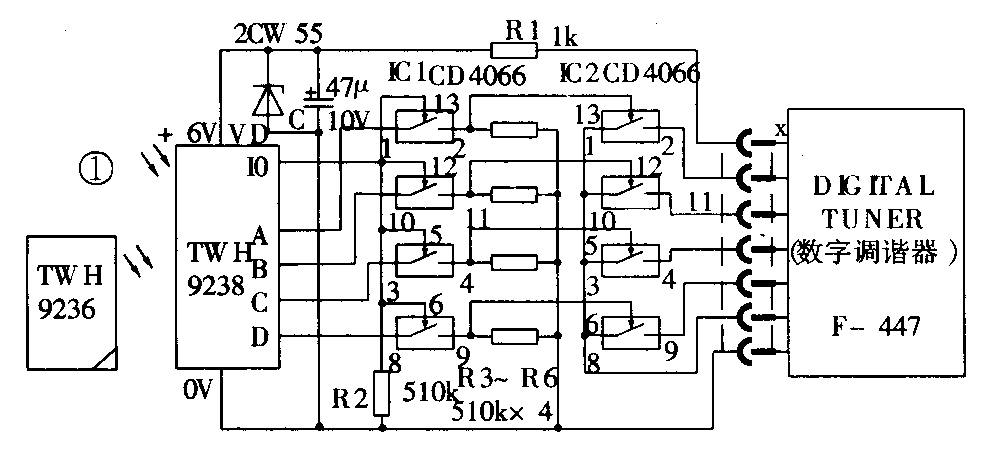
多路无线电遥控发射、接收机为成品组件,由TWH9236发射机及TWH9238接收机配套组成。其原理在有关书刊上已有许多介绍,这里不再赘述。发射机上A、B、C、D中任一键按下或同时组合按几个键时,在接收机对应的输出端上将会有电压输出。4个键可组成16种不同状态,通过接收机的输出端再进行译码,这样可以控制16个电台的选择。但采用这种方法将使接收机附加电路变得复杂起来,并且对发射机的组合按键动作也不是很方便。而利用图1提供的线路虽只能完成12个电台的选择,但线路十分简单,这种方法能够得以实现,完全是模拟了原调谐器的特殊选台方式。F-447调谐器面板共设有12个选台按键。对某一键按一次,就选一个台,如果连续按动二次或三次,又能切换到另外的电台节目。这样一来,12个键位上共可储存32个电台节目供选择。实际使用时按键的连续动作时间间隔应在1秒钟以下。

图1电路共用两片CD4066即可完全模拟上述调谐器按键方式。因此只用发射机上四个单键,采取“单按”、“连续按”的不同方法即可选出预先储存于调谐器四个键位上的12个电台。
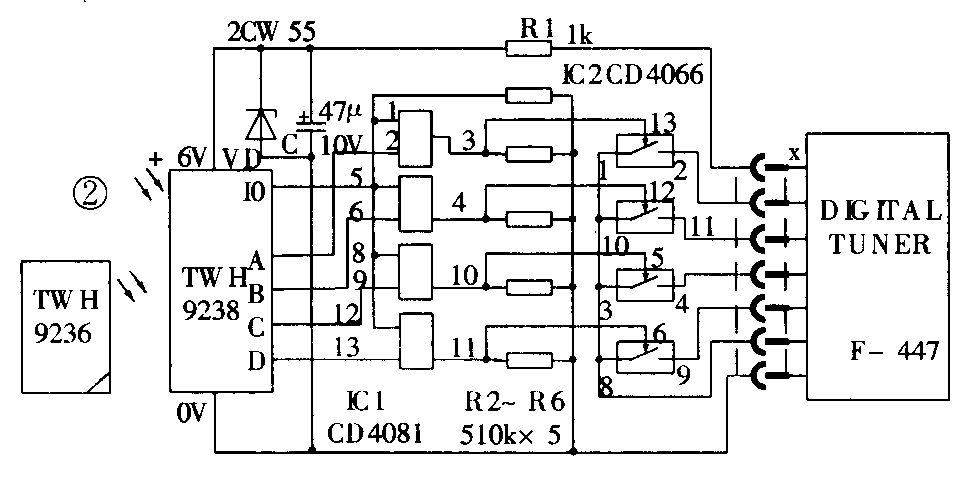
接收机模块上A、B、C、D引出端对应发射机的按键,并且有互锁输出功能。10端为脉冲输出端,按发射机任一键它均有输出脉冲。在此脉冲的控制下,使IC2的四个双向开关按操作者意愿分别呈接通和断开状态。由于四个双向开关最终接到调谐器选台板的开关上,从而实现遥控选台。图1中的IC1也可以用CD4081按图2方式接线,效果也完全一样。

制作和使用
由于采用无线电遥控方式,故不必像红外遥控那样在调谐器上开孔、安装红外接收管。但要特别说明的是,目前大部分音响器材外壳均用金属材料制成,F-447也不例外,接收机就不能装在机壳内部。好在加装的组件体积小巧,可以把它安装在调谐器的后面板上,利用现有的固定螺丝把印制板固定好,7根引线用排线引入机内。既不需要对机壳大动干戈,又不影响美观。

遥控接收器在调谐器内部连线方法如图3所示。电源线分别接到+12V和地线;IC2中的一个公共线应接到调谐器开关矩阵的“行线”;其余四根分别接开关矩阵“列线”。对F-447可安排在8、10、11、12号键位。如果是其它型号机器,一般选台按键都采用动态扫描方式,只要仔细寻找,总可以找到相应的焊点位置。
使用时,应将经常收听的电台频率预先储存在相应键位,打开收音机,按动发射机按键,就能随心所欲地收听你所喜爱的广播节目了。(殷金林)