本文介绍的简易总线式多路呼叫系统,可以用于高层住户与值班室的突发事件的呼叫以及医院病房病人与护士值班室的联络等。由于每个分机用电小于1mA,故采用总线式结构。每个分机可以用3根导线与总线相连接,既传递了信息,又不需自备电源。系统中所用元器件均为一般元器件,具有安装方便、调试简单、成本低廉等特点。
系统设置
作为分机用的小盒子可以安装在靠近总线且操作方便的地方,引出3根线与总线对应相接。分机设置一个呼叫按钮。
主机放在值班室,面板上设置三位数码显示,用来显示×楼××号或者××病房×号的呼叫。机内装有讯响器,一旦有人呼叫,讯响器发出声音,提醒工作人员处理问题,面板上的复位按钮用来对显示屏复位和停止发声。
工作原理
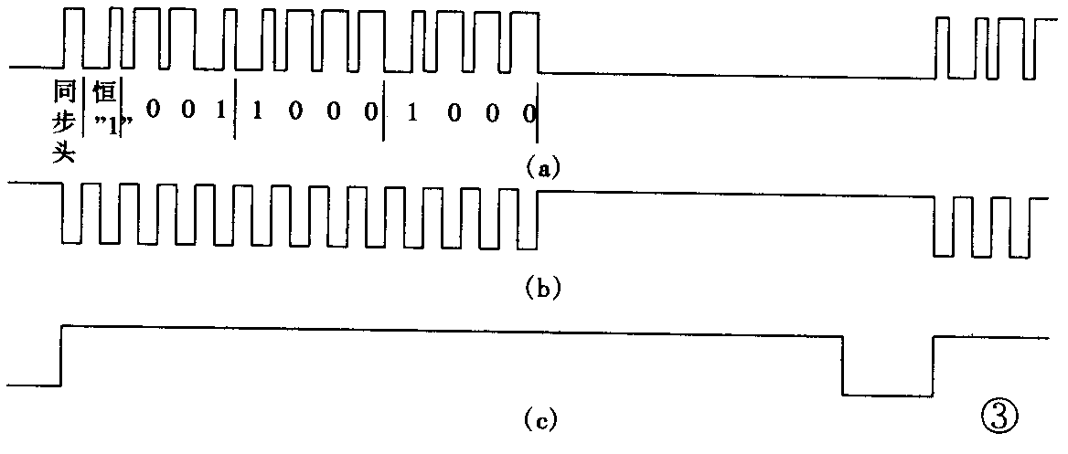
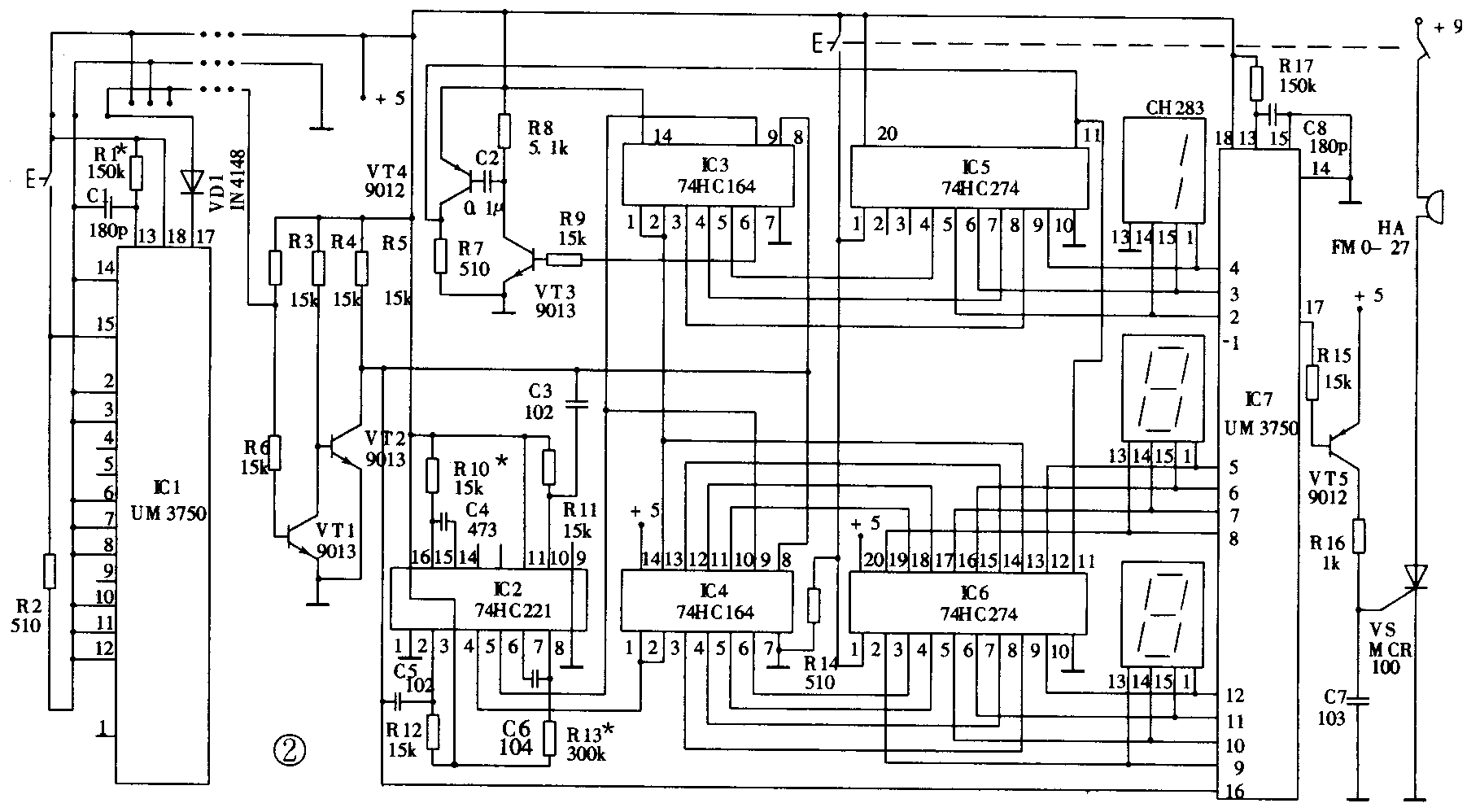
分机采用一片12位编解码芯片UM3750,管脚1~12为编码输入端,管脚15为“1”电平时发送数据,为“0”电平时接收数据。本方案中管脚1固定编为“1”(悬空或接电源正极),管脚2、3、4作为最高位地址编码端,对应最高位数码显示,5、6、7、8和9、10、11、12分别对应后两位数码显示的编码端。平时IC1的15脚通过R2接电源负极,不向主机发送数据;17脚输出为“1”电平,由于二极管VD1的作用,对主机不产生影响。当分机按钮接通时,IC1的15脚为“1”,门脚向主机发送数据,其波形由1~12脚的状态决定,数据波特率由R1、C1的大小决定。本方案中为了简化电路,地址采用十进制编码,IC1的1脚固定为“1”电平。地址为188号分机的编码电路见图2,其波形见图3(a)。

分机发送的串行数据通过总线进入主机,经三极管VT1、VT2整形放大,一路直接送移位寄存器IC3、IC4的移位CP端(8脚),一路送4次判别电路IC7的16脚,另两路经电容C3、C5进入双定时电路IC2,通过R13、C6和R10、C4定时由4脚送给IC4的数据端(1、2 脚)由5脚送给IC3、IC4的允许端(9端),其波形分别见图3(b)和图3(c)。
IC3、IC4连接成16位移位寄存器(只用12位),其并行数据输出对应与锁存器IC5、IC6的D端相连。IC5、IC6的Q端分别与4次判别芯片IC7的2~12脚和三片二—十进制显示芯片CH283的输入端相连。
由于分机编码电路和1脚恒为“1”,当一帧数据全部移位完时,IC3的6脚为“1”,经VT3、VT4的延时和微分,产生一窄脉冲加到锁存器IC5、IC6的11脚,这样由分机送来的串行数据经解码变为并行数据并锁存,当IC7的16脚出现连续4帧完全一致的数据时,其17脚产生一个有效信号“0”,经VT5反相触发可控硅VS,使讯响器发声,提醒工作人员去处理显示屏上所显示的地方发生的问题,并且及时按动面板上的按钮,等待接收下一次呼叫。
几点说明
本文介绍的分机只有11位参加编码,如果希望12位全参加编码,可以增加一片556或221取代三极管VT3、VT4的作用即可。
分机增加一片556芯片且改变编码电路的接法,主机增加机号预置和编码发送电路,三芯线改为四芯线,整个系统可变为准双工总线式,通过主台操作可检查各分机的好坏,且能准确判断总线故障地点,可大大提高系统的可靠性。
参数选择时应使R1、C1与R17、C8一致,用示波器观察IC1的17脚波形为0.4~1ms/bit,测试时让按钮一直接通。当R1、C1为150k和180p时为1ms/bit。选定R1、C1后再确定R10、C4和R13、C6的值,其原则是保证IC4的1~2脚波形的占空比为1∶1,9脚的波形的高电平为一帧数据波形的3/4左右,见图3(b)和图3(c)。理论上分析,波形占空比允许最大误差为116%,调试时控制在±5%内为好。可以用CD4511和共阴数码管取代CH283,电路虽然稍微复杂一些,但成本可以降低。系统中所用芯片的管脚排列见图4。

主机只显示当前最近时间的分机号,为了减少信号阻塞,要求按按钮的时间尽可能短,主机收到呼叫后应尽快处理,否则下一个分机呼叫将冲掉前次呼叫号。(陈定友)

