ZHC系列湿敏电阻有两种型号:ZHC-1型,外形为长方体;另一种为ZHC-2型,它的外形为圆柱体,详见图1所示。

ZHC湿敏电阻具有体积小、重量轻、灵敏度高、湿度量程宽,温度系数小、耐高温,使用寿命长等特点。ZHC-1湿敏电阻的外壳采用耐高温塑料制成,此电阻价格较便宜,适用于家用电器(干衣机、加湿器、去湿机、空调机、录相机)作湿度测量和控制用。ZHC-2型湿敏电阻的外壳用铜材制成,因此可在各种仓库、蔬菜大棚、纺织车间,以及电力开关中作测湿及控湿用。
工作原理与参数
ZHC湿敏电阻以多孔电子陶瓷为基体,装置金属电极,引出导线,然后封装在耐高温塑壳(ZHC-1型)或多孔防尘铜外壳(ZHC-2型)中制成。其电阻值能随周围环境湿度变化而变化。如:湿度升高时(80%RH),电阻值约100kΩ左右;湿度降低时(20%RH),电阻值为4MΩ左右。利用这一特性加以适当电路可作成湿度变送器和湿度开关,对某一空间(室内、仓库、干衣机、蔬菜大棚)的相对湿度进行测量和控制。
ZHC湿敏电阻主要参数如下:①工作电压,交流1~6V;②测湿范围,5~99%RH,一般为20~90%RH;③使用温度,-10~90℃,一般为0~50℃;④温度系数,-0.1%RH/℃;⑤灵敏度,20%RH时的阻值与90%RH时的阻值之比大于90;⑥升湿响应时间小于5秒;⑦电阻系列分档在50%RH、20℃时按E\(_{6}\)系列分档,阻值误差为±20%。上述ZHC系列电阻的典型阻值与湿度对照关系如附表所示,供读者参考。
附表:湿度阻值对照表(20℃)
温度(%RH) 20 30 40 50 60 70 80 90
阻值(Ω) 4M 2.2M 1.2M 650k 320k 170k 86k 44k
应用电路

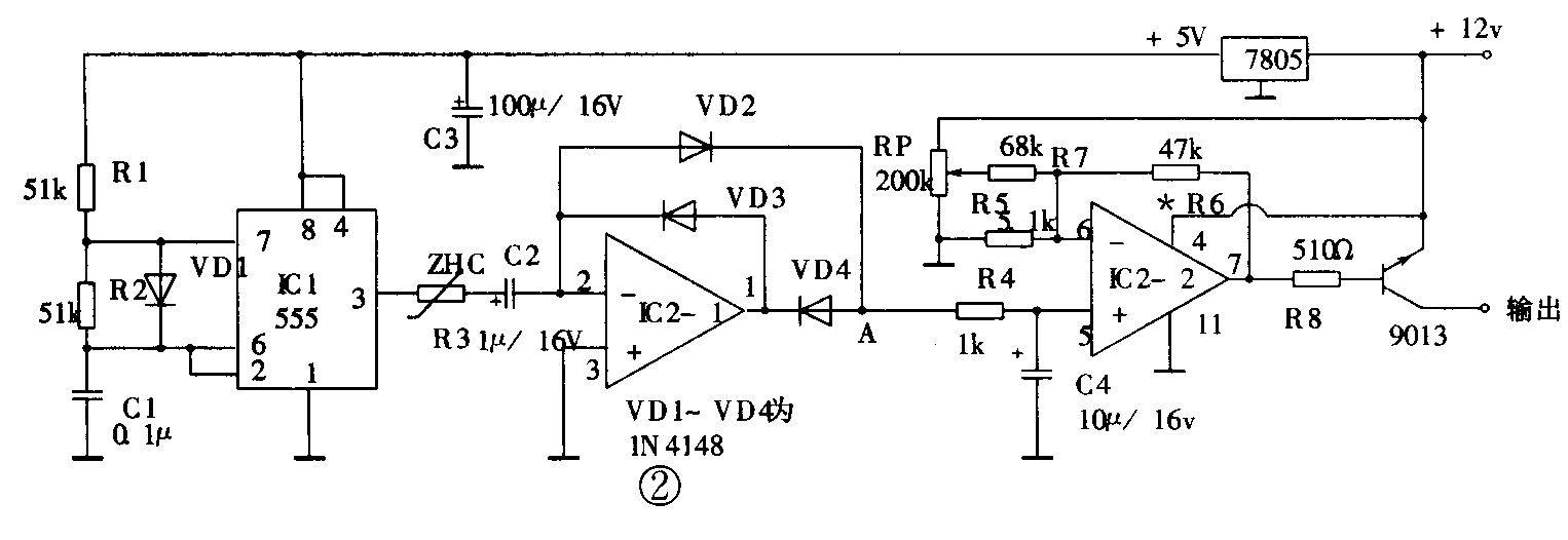
图2为湿度电压变送器电路图。其中R3为感湿元件,采用ZHC型湿敏电阻。此变送器由湿敏元件、振荡器、对数变换器、滤波器、放大器等几部分组成。ZHC湿敏电阻的测量回路不能用直流电源,而需用交流供电。否则湿度高时(80%RH以上)将有电泳现象产生,阻值产生漂移。本电路采用555集成块产生振荡方波加在湿敏电阻上。特殊场合如工作电流小于10μA,湿度小于60%RH时,测量回路可使用直流电源。
R1、R2和C1的数值决定振荡频率的大小。振荡频率的大小将影响湿敏元件在60%RH以下时的电阻值大小。当频率高时,电阻值低,性能较稳定,本电路频率约为100Hz。
图2电路中IC2-1、IC2-2分别为324四运放集成电路中的两个运放电路。
IC2-1和二极管VD2、VD3、VD4构成对数变换电路,其输出端A点对地电压将随相对湿度的增加而增大。
R4和C4接在IC2-2放大器的同相输入端,它们的作用是滤去干扰短脉冲。放大倍数由R6和R5之间的比例决定。
RP电位器用来进行零点调整。理论上当湿度为10%RH时,输出为0.5V,当湿度为90%RH时输出为4.5V。画出的输入输出特性曲线虽有些非线性,但误差小于±5%RH。图2电路可用于要求不太高的测控场合。
ZHC型湿敏电阻的缺点是抗短波辐射能力差,因此不宜在阳光下使用。室外使用时应加百叶箱式防护罩,否则影响使用寿命。
湿敏电阻一旦污染可用无水乙醇或超声波清洗、烘干。烘干温度为105℃,时间4小时,然后重新标定使用。(郎瑞)