许多读者在家使用收音机或单放机时都使用简易整流电源,由于此种电源输出纹波大,扬声器中有很大噪音,用耳机听时更让人难以忍受。本文介绍用集成稳压器LM317把整流电源改装成稳压电源,此方法取材容易,成本低,制作简单,效果较好。
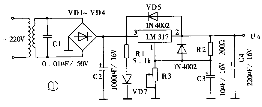
电路图见图1。220V市电经变压器变压,二极管桥式整流,电容C2滤波后送入LM317第3脚(输入端),第2脚输出稳定的直流电压。第1脚为调整端,调整端与输出端之间为1.25V的基准电压。为了保证稳压器的输出性能,R2阻值应小于240Ω。为使输出电压可调,调整端与地之间接一可变电阻器R3,改变R3阻值即可改变输出电压。输出电压计算公式为U\(_{0}\)=1.25(1+R3R2)。

C3用来旁路纹波电压,C1用来滤除由市电引入的高频干扰,VD6用来防止稳压器发生短路时损坏LM317。C4用来抑制LM317自激,并可进一步改善输出电压。VD5起保护LM317作用,发光二极管VD7作电源指示灯,R1为其限流电阻。
在图1中,变压器、VD1~VD4、C2、R1和发光二极管VD7都是从改装前电源线路板上拆下的,LM317、VD5、VD6、R2、R3、C1、C3、C4是需购买的。其规格、型号为:VD5、VD6选1N4002或别的整流二极管,C1选瓷片电容器,C3、C4选电解电容器,R3、R2选金属膜电阻器。R3阻值可根据下式计算:R3=(U\(_{0}\)1.25-1)·R2,其中R2取200Ω即可,表1列出输出电压U0与对应R3阻值,供读者参考。
附表
U\(_{0}\)(V) 3 4.5 6 7.5 9 12
R3(Ω) 280 520 760 1000 1240 1720
若R3找不到表中所列阻值,可用最接近该阻值的金属膜电阻代替,但相差不要太大。LM317电路的外形及引脚见图2,其参数为:电压调整率0.01,纹波抑制比80dB,最大输出电流2.2A,输出电压范围1.25~37V。

下面以星马电源为例介绍改装步骤:
1.拆下原整流电源线路板上所有元件以备二次利用,其余元件需购买。
2.原变压器共有七根抽头,找到输出电压最大的两根抽头,其余抽头分别用绝缘胶布封住。

3.找一块敷铜板,裁成35×45mm,按图3所示制作印制线路板。注意电源极性转换开关和电压选择开关的位置尺寸要与原板上一样,否则线路板无法装入电源盒中。

4.按图4元器件分布图焊接所有元件(为了和图3对应,元件布置图是从印制板正面看的)。电容器C3、C4及所有电阻器、二极管采用卧式焊接。LM317和滤波电容C2引脚留长一点,这样便于插在变压器与电源盒壁的空隙处。
所有元件焊好后,再将变压器输出头和电源输出线焊在印制板正面,改装工作即告结束。
接上市电,拨动电压选择开关,用万用表测输出电压,看是否满足附表中电压值,如果没有输出电压或电压不可调,多是电压选择开关接触不良,可找镊子进行修理。此种转换开关不易购买到,提醒读者注意,拆卸该开关时最好用吸锡烙铁。(武小余)