用美国国家半导体公司(NSC公司)生产的LM1875集成块构成的功放,无论是BTL、OTL、OCL都能取得较满意的效果,是性能价格比较高的集成电路功放之一。这对工薪阶层发烧友,或发烧初哥来说,具有非常大的诱惑力,都想试一试。但该集成块构成功率较大的BTL电路时,若散热器选型不当,或散热面积不够大,都会造成不良后果,特别是一般都将BTL的两个LM1875合用一个散热器,这就使得印刷线路板交叉的线路太多,很容易造成自激,甚至损坏功放。此外实际调试也很重要。本文就针对这些问题,以BTL电路为例,谈谈自己做法,以供参考。
一、电路上的改进
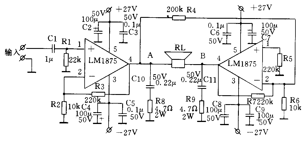
电路图如图1(只画出一个声道,另一声道相同)。

1.取消NSC公司典型图上与电阻R2(R6)串联的、接于反馈输入端2的反馈电容,使低频响应拓宽。
2.最佳供电电压:双电源以±25~±27V为最好,此时功率可达50W左右。可用100W或200W的、次级输出双18V或双20V的电源变压器整流滤波后供给,正负电源滤波电容容量应分别不小于10000μF。
3.改善高音音质的C3、C5、C7、C9电容需用聚丙烯无感电容。
4.防止高频自激的C10(C11)需用无感电容,并与其相应的电阻R8(R9)在靠近线路输出端,接至喇叭。
5.信号输入电容C1选用聚丙烯电容,耐压50V以上,条件允许可用2—3个电容并联则效果更好。
6.接扬声器的A、B两点,可直接和8Ω60W(或100W)的三分频或二分频音箱相驳接,经实践推动自如,听感较佳。
二、安装及调试注意事项
1.值得注意的是散热器与LM1875第三脚即电源负极相通,散热器固定时必须与地绝缘,可用胶木板固定于功放铁底板上,再将四块散热器用强力胶点粘于胶木板上,或用螺钉固定在胶木板上(注意螺钉不可接地)。
所有电阻均用金属膜电阻,除R8、R9选用2W的外,其余均可选用1/4W的。
3.所有元件直接焊在敷铜板面上,只有LM1875的引脚处钻孔,引脚从胶木板那面穿过来焊在敷铜板上,以便LM1875的散热面固定在散热器上。
4.经检查确认安装无误后,便可进行调试。由于有输入电容C1的存在,隔开了功放与前级的联系,本身LMl875的失调电压很小,可忽略不计,也就不会损坏扬声器。LM1875电路内自备过载、过热以及抑制反向电动势的安全工作区保护,故该集成块也不易损坏。
调试时先调一个声道,将两块指针式万用表的500mA档,串接在每块LM1875的正电源线路内,如图2断开D、E两点分别串入,然后把前置部分的音量电位器旋至最小,将音箱或扬声器负载接入,合上电源,观看两块集成块的静态工作电流是否一致,一般为50或40mA,最大不应超过100毫安。如果不等,调换一块LM1875,直至相等为止。一般该集成块静态电流是50mA左右,很容易配对。然后再接上音源,开大音量,观察两块表指针的摆动幅度,是否时时刻刻均相等,如果万用表量程不够,则必须换档。先关掉电源,后换档,再开电源继续观察,如果不等,则改变R3或R7的阻值,因为LM1875的增益与R3/R3或R7/R6的比值成正比,改变了R3或R7也就改变了上述比值,总之尽量使其两块表指针的摆动幅度相等或接近,以减少声音失真,另一声道照此办理,这套功放就此告成。必须指出,这是在业余条件下无法监视两块LM1875的音频输出,而采取的间接方法,但在业余条件下已可取得相当满意的结果。(陈世福)

