目前,国内外有很多彩电都没有卡拉OK功能,这给广大的卡拉OK爱好者带来很大遗憾。在此,我向大家介绍一种利用东芝卡拉OK集成电路——TC9289,给普通彩电增加卡拉OK功能的简单易行的方法。
TC9289F/P/N是日本东芝公司最新推出的内置AD/DA变换器、存储器、双声道立体声、数字混响电路的卡拉OK专用芯片,它具有如下特点:
(1)输入输出电路用内置滤波放大器、AD/DA转换器、存储器、单片数字回声系统构成。
(2)由于使用了10bit逐次比较型AD/DA转换器,所以实现了低噪声、低失真率和低成本。
(3)内藏延迟存储器,可以实现128ms延时,而且延迟量和混响深度可以自行调整。
(4)该IC有三路输入、两路输出,可以方便地实现立体声卡拉OK。
(5)封装采用24脚封装,有SOP(即TC9289F)、DIP(即TC9289P)、SDIP(即TC9289N)三种封装。
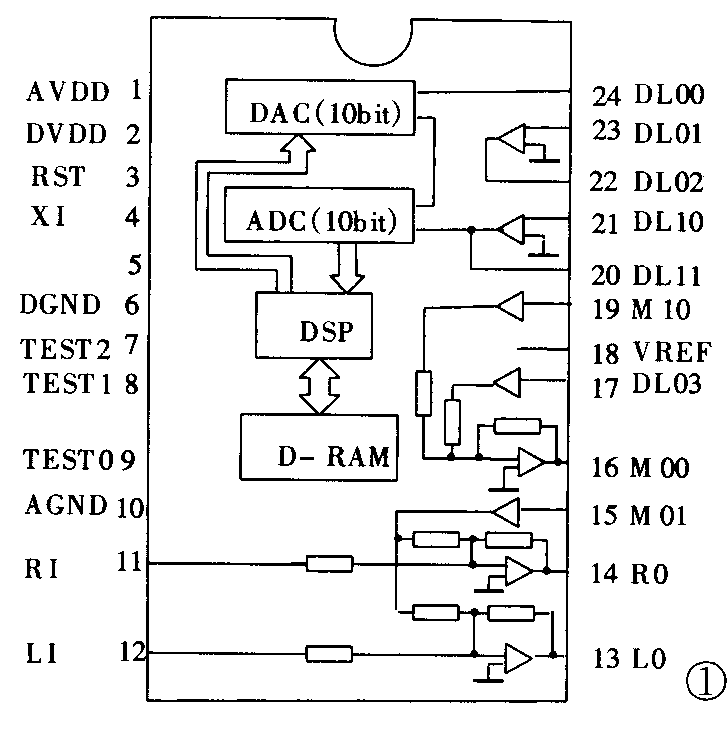
该IC的内部电路信号流程如图1所示。图中DAC为数/模转换;ADC为模/数转换;DSP为数字信号处理;D-RAM为延迟用RAM。

各端子的功能如表1所示。
表1.各管脚功能
管脚 符号 I/O 功能 备注
1 AV\(_{DD}\)- 模拟电源
2 DV\(_{DD}\)- 数字电源
3 RST I 复位
4 XI I 晶体接线脚(6MHz)
5 XO O 晶体接线脚
6 DGND - 数字地
7 TEST2 O 测试脚
8 TEST1 I 测试脚
9 TEST0 I 测试脚
10 AGND - 模拟地
11 R1 I 右声道输入
12 L1 I 左声道输入
13 L0 O 左声道输出
14 R0 O 右声道输出
15 M01 I 线路/话筒混合输入
16 M00 O 话筒/回声混合输出
17 DL03 I 话筒/回声混合输入
18 VREF - 内部基准电位(1/2V\(_{DD}\)) 接纹波滤除
19 M10 I 话筒/回声混合输入端 用电容器
20 DL11 O 低通滤波输出(LPF) ADC输入
21 DL10 I 低通滤波输入(LPF)
22 DL02 O 低通滤波输出(LPF)
23 DL01 I 低通滤波输入(LPF)
24 DL00 O 回声信号输出 DAC输出
该IC的最大使用规格和推荐工作条件如表2和表3所示。
表2.最大使用规格
项目 符号 规格 单位
电源电压 V\(_{DD}\)0.3~+0.6 V
保存温度 Tstg -55~+125 ℃
输入电压 V\(_{IN}\)-0.2~VDD+0.2 V
表3.推荐工作条件
项目 符号 规格 单位
电源电压 V\(_{DD}\)4.5~5.5V V
工作温度 TOPR 20~75 ℃
振荡频率 f\(_{XT}\)6 MHz
卡拉OK电路工作原理
电原理图如图2所示。插座XS801的①脚为话筒输入端的“地”,②、③脚为两个话筒的输入端。XS801的④脚为+12V电源的“地”端;⑤脚是+12V电源的输入端;⑥、⑦脚是整个卡拉OK系统伴音的输出端。插座XS802也是卡拉OK输出端,在此称为A部分,其用途在安装部分再做介绍。

TA2011S是带有ALC(自动电平控制)功能的运算放大器,由于它具有ALC功能,所以在很大限度上防止了由于话筒输入过大或过小而引起的失真。由XS801的②、③脚输入的两个话筒信号分别经两块TA2011S(IC902和IC903)放大后,再经过R809和R810混合在一起,经R811进入卡拉OK系统IC901。话筒信号在此系统中经A/D、D/A转换、延迟、混合、放大后,由IC901的第输出,再经V807和V808两管放大,最后形成卡拉OK伴音,从XS801的⑥、⑦端输出,与电视伴音混合。
V800起电源变换作用。由于TA2011S和TA9289都需+5V供电,而输入电源电压为+12V,这就需要将+12V电压变换成+5V电压。VD801是一只+6V稳压管,V800的发射极输出为+5.3V,分别供给TA2011S⑦脚和TC9289N的①脚。
Z901为6MHz晶体,为IC901提供振荡时钟。L801是为了抑制振荡脉冲对电视图像的干扰而增设的。当然,更好的防干扰措施是将整个系统屏蔽。R822是回响深度调节电阻,阻值增加则回响深度变小;阻值减小则回响深度增大。R831是话筒音量调节电阻,阻值增大则话筒音量减小;阻值减小则话筒音量增大。此两电阻,制作者可根据自己的爱好设置。
安装及调试:
此方案用在有耳机插孔的冷机心电视机上为最佳。将原耳机(耳机插孔为顶开式)插孔线路与电视伴音输出断开,将电视机内断开的两部分短路,使电视伴音正常工作。可将原耳机插座改装为话筒插座,它的“输出端”和“地”分别连接到卡拉OK板的XS801的②(或③)和①脚上。如果只用一个话筒,则XS801的②或③中的一路可以省去不焊;如果想用两个话筒,则分别由②、③引入。如果电视机无耳机插孔,可设法将话筒信号引入电视机,再在不影响电视外观的情况下,在电视机的侧面,远离电源和高压的地方开洞,固定两个话筒插座,并由电视机主板电源部分引出+12V和“地”线,分别接到卡拉OK板的XS801的第⑤、第④脚。如果电视机有“录像/电视”切换功能,则将XS801的⑥或⑦中的一路引到AV切换集成块的音频输出端,这便能实现AV和TV都具有卡拉OK功能;如果电视机没有“录像/电视”切换功能,则可将XS801的⑥或⑦的一路引到电视机伴音功放块的输入的耦合电容前;如果电视机有“录像/电视”切换功能,而同时外接伴音输入又为立体声输入,则XS801的⑦脚引到“录像/电视”切换块的电视伴音输入端,XS801的⑥脚和A部分XS802的①脚分别引到电视机内AV/TV切换IC的AV伴音输入端的左、右声道输入端。这样你的卡拉OK板就连接好了。再将卡拉OK板设法固定在电视机内就行了。
只要安装正确,此卡拉OK系统几乎无需调整,就可正常工作。另外根据个人的喜好可适当调整R822(回响深度调整电阻)和R831(话筒音量调整电阻)以达到自己感受最好的效果。但要注意不可调整到系统的极限状态(两只电阻过小),以免整个系统自激。
说明:
在加工、安装、使用此卡拉OK系统时,最好先仔细阅读关于TC9289的详细介绍和卡拉OK电路工作原理。选购话筒的时候最好选带有话筒音量调整电位器的话筒,因为在电视机上不容易加调整电位器。 (李东洲)