近年来卡拉OK功能正广泛应用于音响、录像机、电视机及激光视/唱盘机中。数字延时混响及音调变换是卡拉OK的两大主要功能。选用功能强、频率特性好、可靠性高的集成电路芯片则是各生产厂及业余无线电爱好者所关心的问题。
现介绍两种三菱公司生产的卡拉OK电路专用芯片:M65839与M65840。
一、M65839是将两路话筒放大器和数字延时混响电路集成到了一块芯片上的大规模集成电路芯片。它包含了A/D、D/A变换器,16k存储器RAM,低通滤波器LPF及自动电平控制电路ALC。
该芯片内部框图见图1。各引脚功能见表1。

表1
引脚 功能 引脚 功能
1 话筒1输入 19 VCC
2 ALC1控制 20 D/A变换器控制
3 话筒LNF输入 21 D/A变换器输入
4 话筒1输出 22 D/A变换器输出
5 话筒1VOL输入 23 LPF2输入
6 话筒2输入 24 LPF2输出
7 ALC2控制 25 混响VOL输入
8 话筒2NF输入 26 右通道输入
9 话筒2输出 27 左通道输出
10 话筒2VOL输入 28 右通道输出
11 话筒输出 29 左通道输出
12 LPF1输入 30 方式选择开关
13 LPF1输出 31 话筒开关
14 A/D变换器输入 32 晶振输入
15 A/D变换器输出 33 晶振输出
16 A/D变换器控制 34 混响电平控制
17 参考电压 35 话筒电平控制
18 地 36 话筒电平控制
该芯片的工作原理及工作过程:
话筒信号先送入话筒放大器放大,送入VOL进行电平调整。两路话筒同时混入减法器(一)。如果采用串行数据,串行时钟控制话筒电平调整的话,则要通过A/D变换器送入VOL。不采用串行数据的信号则经低通滤波器LPF1送入A/D变换器,将模拟信号变换成数字信号后送入RAM中,通过逻辑电路LOGIC延时后,再经D/A变换器把数字信号变成模拟信号,并经低通滤波器LPF2整形后送出,经外部电路反馈送入LPF1,以产生回响效果。
该芯片的主要优点是:话筒电平及混响电平调整既可受控于外部电位器也可受控于外部数据编码,这对于采用微机或红外遥控器来调整是非常方便的。
其数据编码见表2及表3。编码方式见图2。
表2
直流电压 串行数据 增益(dB)
(V) D1 D2 D3 D4
5.0 H H H H 0
4.25 H H H L 2
4.0 H H L H 4
3.75 H H L L 6
3.5 H L H H 7
3.25 H L H L 8
3.0 H L L H 9
2.75 H L L L 10
2.5 L H H H 11
2.25 L H H L 12
2.0 L H L H 13
1.75 L H L L 14
1.5 L L H H 16
1.25 L L H L 18
1.0 L L L H 20
0.0 L L L L ∞
表3
直流电压(V) 串行数据 增益(dB)
5.0 D1 D2 D3
4.0 H H H 0
3.5 H H L 2
3.0 H L H 4
2.5 H L L 6
2.0 L H H 8
1.5 L H L 10
1.0 L L H 15
0.0 L L L ∞

该芯片采用12位数据编码,第1位为高时为测试状态,为低时为NORMAL状态。2-4位为混响电平调整。5-8位为话筒2电平调整。9-12位为话筒1电平调整。
当使用串行数据控制时,话筒电平设定在10dB,混响电平设定在6dB,当电源启动时自动复位。
二、M65840是一块音调变换电路芯片,它包含A/D、D/A变换器,逻辑控制电路LDGIC,存储器RAM,低通滤波器LPF及高通滤波器HPF。内部原理框图见图3,引脚功能见表4。

表4
引脚 功能 引脚 功能
1 A/D控制 15 混合输出
2 D/A1控制 16 混合输入
3 D/A1控制 17 低通2输出
4 测试1 18 低通2输入
5 晶振输入 19 高通输出
6 晶振输出 20 高通输入
7 串行数据 21 低通1输出
8 串行时钟 22 低通1输入
9 触发脉冲 23 A/D输入
10 测试2 24 A/D输出
11 测试3 25 D/A1输入
12 参考电压 26 D/A1输出
13 地 27 D/A2输入
14 电源 28 D/A2输出
该芯片的工作原理及工作过程:
伴奏信号先送入低通滤波器LPF1,经A/D变换器将模拟信号变成数字信号后送入逻辑控制单元LOGIC,并存入RAM中,当需要改变音调时,可以改变外部数据编码,逻辑单元则根据新的数据编码来控制从RAM中读出数据的速度,速度快则频率高、音调高,速度慢则频率低、音调低。RAM的数据还要经过D/A变换器将数字信号变成模拟信号,并经低通滤波器LPF2整形后输出。
该芯片的主要特点是:可以使用微机进行数据编码控制,其编码方式有F±20个点、32级变调,每级音调变化约为一个“半音”。
该芯片的数据编码表见表5,编码方式见图4。
表5
D0 D1 D2 D3 D4 VMC VSC
H H H H H F+20
L H H H H F+18
H L H H H F+16
L L H H H F+14
H H L H H F+13
L H L H H F+11
H L L H H F+9
L L L H H F+8 F+8
H H H L H F+7 F+7
L H H L H F+6 F+6
H L H L H F+5 F+5
L L H L H F+4 F+4
H H L L H F+3 F+3
L H L L H F+2 F+2
H L L L H F+1 F+1
L L L L H F0 F0
H H H H L F-1 F-1
L H H H L F-2 F-2
H L H H L F-3 F-3
L L H H L F-4 F-4
H H L H L F-5 F-5
L H L H L F-6 F-6
H L L H L F-7 F-7
L L L H L F-8 F-8
H H H L L F-9
L H H L L F-11
H L H L L F-12
L L H L L F-13
H H L L L F-14
L H L L L F-16
H L L L L F-18
L L L L L F-20

该芯片采用8位数据编码,D7为测试TEST,D7=H时为TEST,D7=L时为NORMAL正常。D6为静噪,D6=H时为静噪MUTE,D6=L时为NORMAL。D5为方式变换,D5=H时为VSC方式,D5=L时为VMC方式。VMC方式提供高音区域小的变化范围,经常用于卡拉OK中管弦乐的音调控制。VSC方式可以用于低音区域大的变化范围,特别适用于音源倍速重放的复制时音调的补偿。
该芯片当电源启动时自动复位,且音调设定在FO。
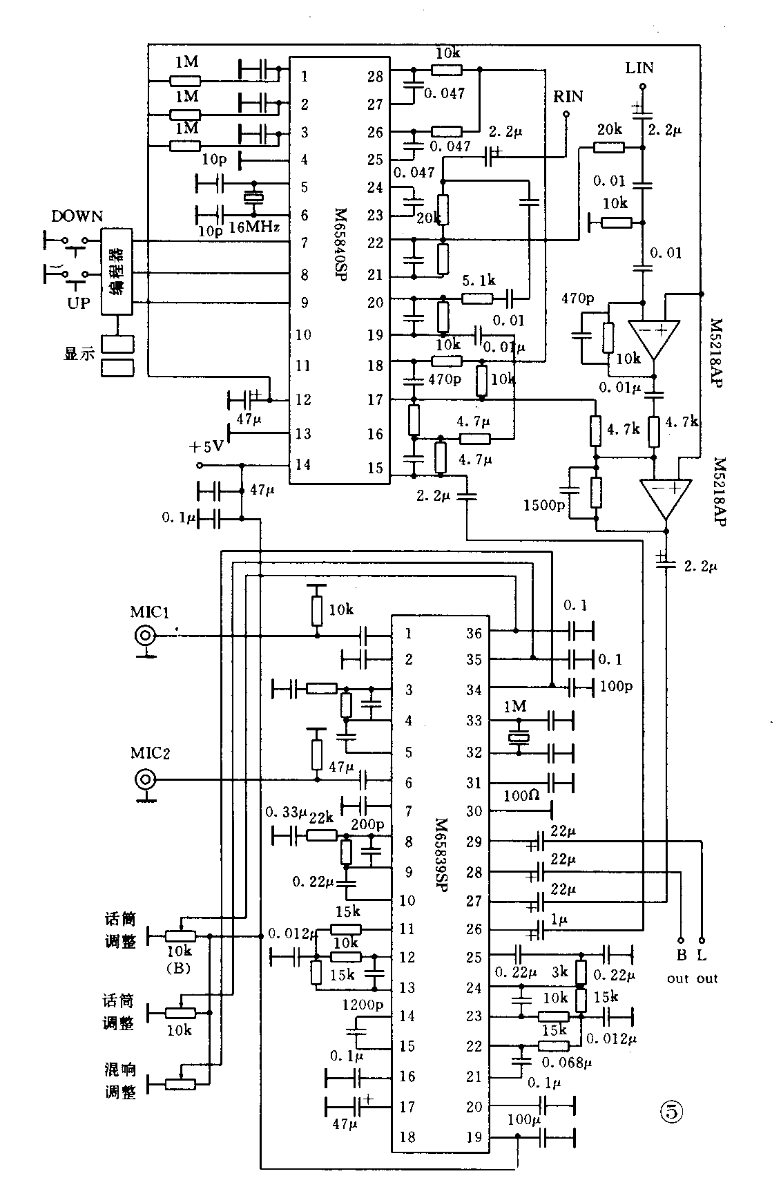
三、应用实例:原理图见图5。

左L、右R两路音频信号先送入音调变换电路芯片M65840的22脚LPF1的输入端,经过内部A/D变换器及逻辑电路单元存入RAM中,经D/A变换器输出送至LPF2,LPF2输出的则是经过变调的信号。它只是音频信号中的低频成分,要与外部高通来的高频成分相混合(由M5218AP完成),做为L路信号送入M65839的27脚。R路信号则是由M65840内部混合器将高、低频成分混合后送入M65839的26脚。M65839的作用是将话筒信号进行延时混响后与左右两路音频信号相混合后送出。
该电路本身即可以做成一台卡拉OK机,也可以应用到音响、录像机、VCD机当中去。它会给您的卡拉OK演唱增添乐趣。(张启明)