本文介绍利用光电式摇晃传感器设计制作的平衡感觉检测仪可检测出头部的晃动程度,并累计显示出规定时间内的晃动状况。
平衡感觉检测原理
测试者头戴摇晃传感器,闭上双目,单脚立地,保持静止状态,按下测试开关,仪表开始测试。传感器每检测到摇晃超过一度就发出一个脉冲信号,该脉冲信号送入计数器累计。规定测试时间一到,仪器给出提示并停止计数,仪器上显示的脉冲累计值就是测试者的平衡感觉指数。显然,平衡感觉指数愈小愈好。收集不同年龄组的平衡指数及收集自己在不同时期的平衡指数是非常有趣和有意义的。譬如,心脑血管患者可以利用平衡指数来监测康复状况,患者病重期间平衡指数较高,病愈后平衡指数较低。
电路工作原理

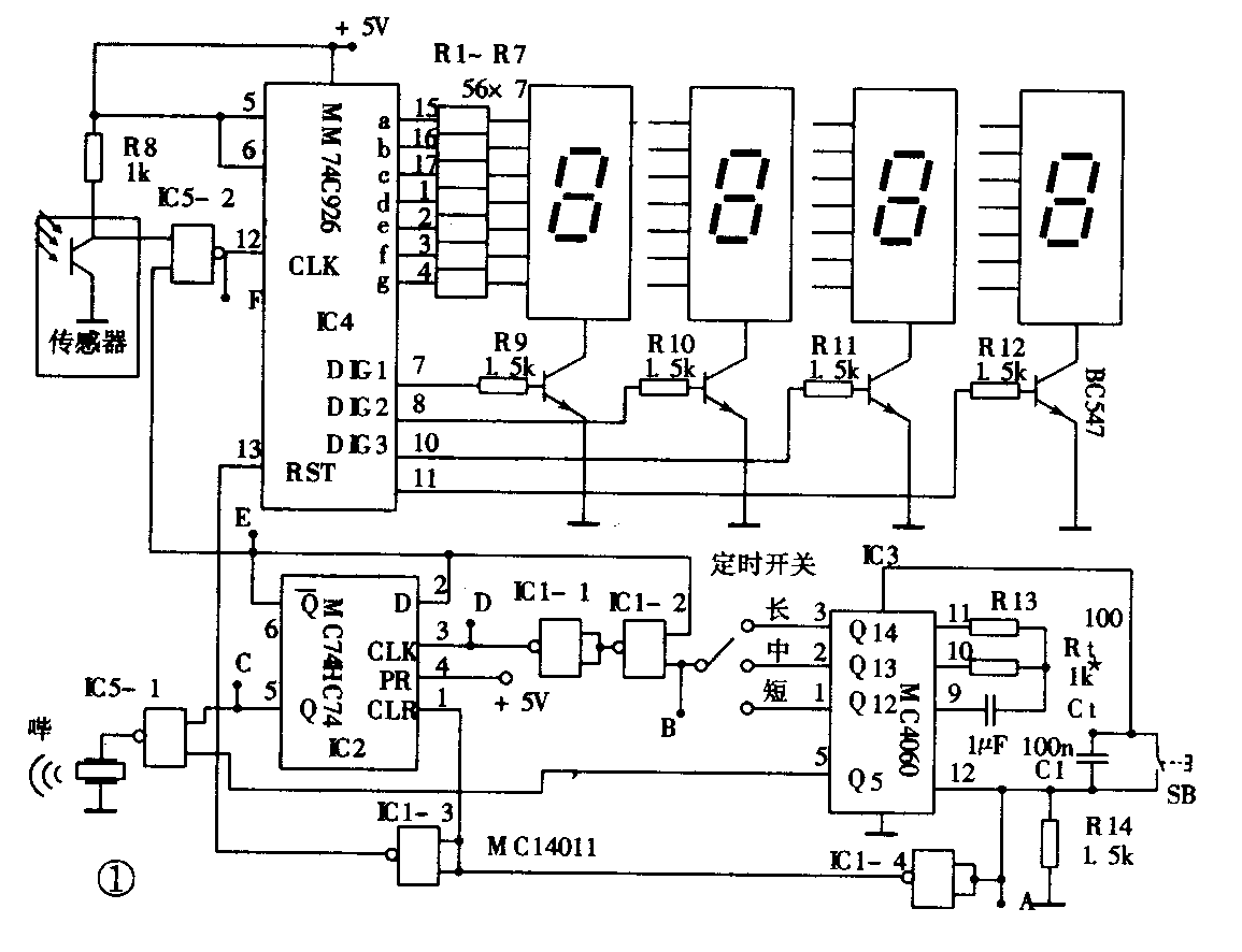
平衡感觉检测仪器是由摇晃传感器、定时控制单元及计数单元三部分组成,如图1所示。摇晃传感器采用东南大学力学研究所研制的HY-9型光电式摇晃传感器,其检测范围为±90度,最小分辨力为一度,特征频率为80Hzmax,即每摇晃一度传感器就输出一个脉冲信号给计数单元。计数单元电路有很多,本文采用四位计数集成块(MM74C926),电路简洁,最大计数为9999。该集成块内部具有驱动显示的多路转换器,只需通过四只外接开关管接到七段LED显示的公共阴极,多路转换频率约为1kHz。定时控制单元由二进制计数器(MC4060)及D触发器等门电路组成。定时单元主要完成复位置数与定时控制的任务。MC4060内含振荡器,C、R决定振荡器的时钟频率,Q14、Q13、Q12为三档定时控制输出。按下复位开关后,MC4060与MM74C926清零,D触发器置数为Q高(Q低),则计数门开通,计数器呈计数(检测)状态,每一个脉冲的到来计数器加1。到规定时间后,定时控制输出端产生一个正跳变1触发器反转,Q输出为低(Q为高),计数门关闭,计数器停止计数,Q控制与非门,驱动压电晶体发出“哔哔”提示音响。同时,D触发器的状态被锁定,直至复位开关起作用。电路各点时序见图2所示。整机电路耗电约为150mA。(黄跃平)
