电子仪器设备中,电压基准源的应用极为广泛。电压基准源是和电压稳压源基本相同的电子器件,但是它对输出电压的精度,温度系数,反向动态阻抗及长期稳定性等参数的要求更高,而其输出电流较小,一般为mA级。
电压基准按电路性质可分为齐纳基准和能隙基准两类。如CW199是齐纳式电压基准源;而 CW 136、CW185、CW589、CW431及REF系列等均为能隙式电压基准源。
能隙式电压基准具有齐纳基准所无可比拟的优点。前者的温度系数,反向动态阻抗,长期稳定性均优于后者。利用能隙基准可以获得1.25V;25V;5V;7.5V;10V等基准电压值。CW136是具有两种固定电压值(2.5V和5.0V)的能隙式基准源。
CW 136的另一个特点是可以通过外围电路对基准电压值和温度系数进行修正,使其达到最佳值,这是其它电压基准源所不具备的优点。
CW 136采用B-4型(T0-39)金属壳封装和S-1型(T0-92)塑料封装,完全可与国外同类产品互换使用,它的管脚排列如图①所示。

电路原理
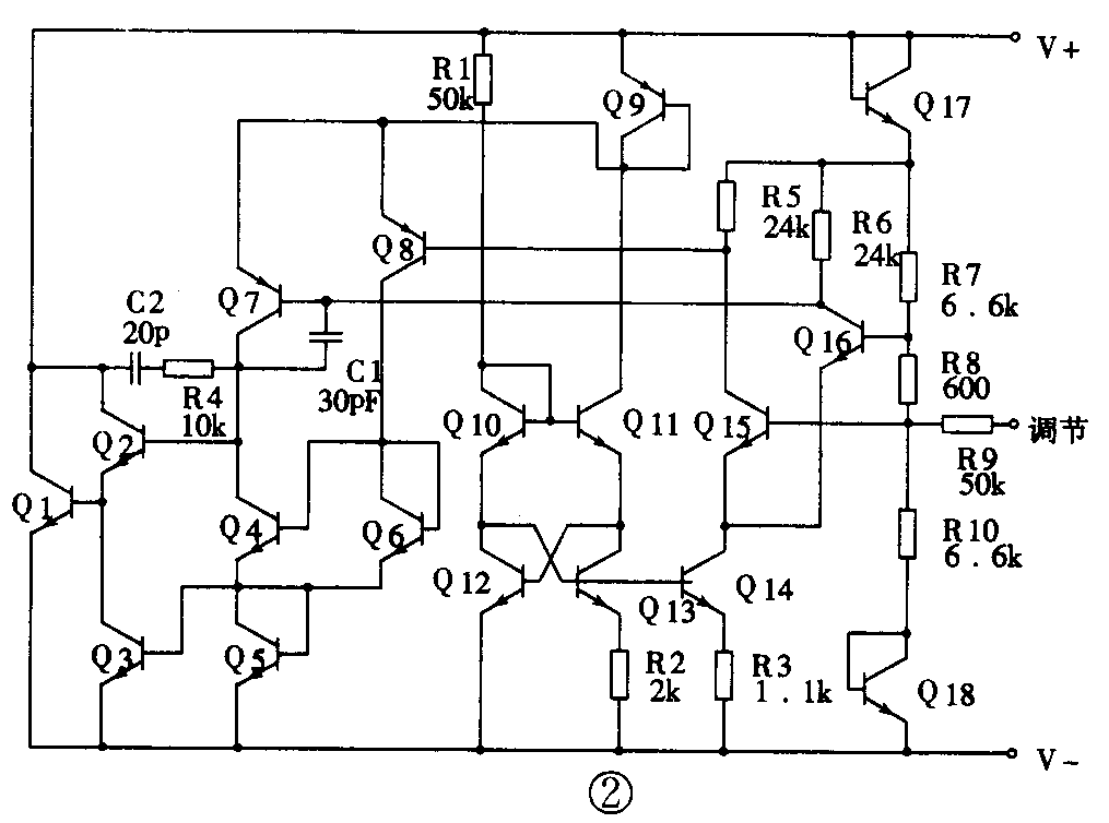
CW 136内部电路如图②所示,它主要由启动和恒流源偏置回路、能隙基准回路及误差放大调整回路三部分组成。

1.启动和恒流源偏置回路:由R1, Q10、Q11、Q12、Q13及R2构成启动回路。当电源电压加在V+和V-之间时,R1、Q10、Q12、R2支路及Q11、Q13支路导通,从而启动了整个电路,由Q9、Q10~Q13,R1、R2、Q14、R3组成恒流源偏置回路。
2.能隙基准回路:由R5、R6、Q16、Q17、R17、R7、R8、R10及Q18组成能隙式基准回路。Q15、Q16和R8为两管式能隙基准源,在R8上产生一个恒流,约为100μA,流过R7、R8、R10、Q17和Q18的 EB结,产生的压降之和,构成了CW 136的2.5V的基准电压。
3.误差放大调整回路:由Q15、Q16,Q1~Q8,以及电容C1、C2组成误差放大调整回路。 Q15、Q16是第一级双端输入双端输出的差分放大器,Q7、Q8是第二级双端输入单端输出的差分放大器,Q1、Q2达林顿复合管为第三级共射放大器。当输出电压由于某种原因变化时,通过这三级误差放大器的负反馈作用,使输出电压趋于稳定。C1、C2主要起消除自激振荡的作用。
主要电参数
CW 136的主要电参数如表1所示:

CW 136的应用
CW 136系列电压基准源比普通的齐纳二极管使用更容易,它的低动态阻抗和宽工作电流范围使几乎所有电路中的偏置可以简化,而且CW 136的击穿电压值和温度系数都可调节到最佳值。
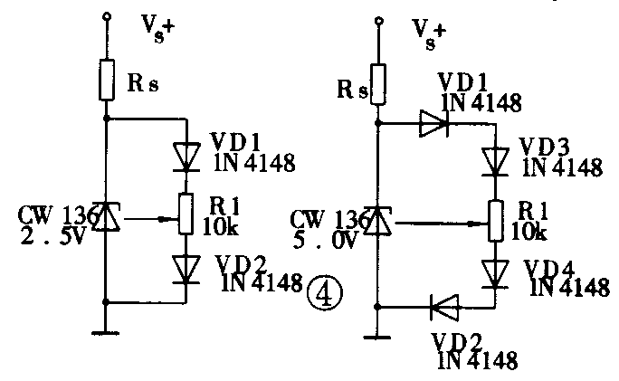
图③所示是用一个10k电位器来调节反向击穿电压的电路,在调节击穿电压的同时不影响器件的温度系数。R1的取值从2k到20k均可。如果要获得最小的温度系数,可在调节电位器的两端串联二极管,如图④所示。2.5V的那种串两个二极管;5.0V的那种串联四个二极管,分别调到典型值2.49V和5.000V时,温度系数最小。二极管选择各种硅二极管均可。为了实现良好的温度补偿,二极管必须置于同CW 136相同的热环境中,通常将二极管在印制板上靠近CW136安装就可以了。


典型应用举例
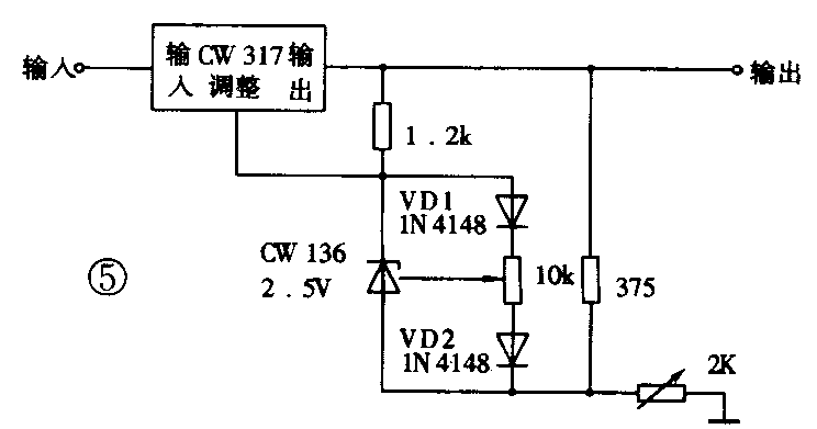
1、低温度系数的精密电压调整器
图⑤所示是用CW 136构成的低温度系数精密电压调整器的电路图,它与三端可调稳压器CW 317配合,可使输出电压的温度系数大大降低。在应用时,将R1两端的电压调至3.75V,改变R2的阻值即可调节输出电压。

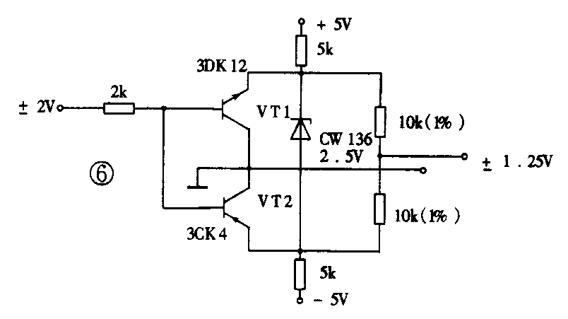
2.正负输出基准
图⑥是用CW 136构成的正负输出基准,若CW136用5.0V的可得到±2.5V的基准。

3、5V过压保护电路
图⑦所示是采用CW 136-5.0V实现为5V过压保护电路,当电子整机的供电电压由于某种原因超过额定电压值时,使CW 136正负极间达到 5V,呈现低阻抗状态,立即触发可控硅导通,强大的短路电流瞬间即可将保险丝熔断,切断电源,实现电子整机的过压保护。

4、开关稳压电源
图⑧所示的是以CW 136为主要器件构成的低价格的自微型开关稳压电源,输出电流可达2A,该电路中CW 136既作电压基准源,又作自激振荡的有源器件,此电路的转换效率较高,大约为80%。

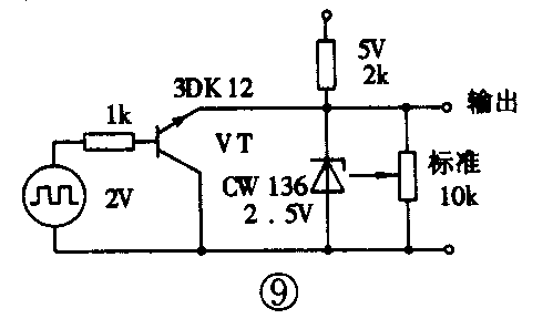
5、2.5V方波校准器
图⑨所示为用CW 136-2.5V构成的方波校准器,若用CW 136-5.0V的电路,即为5.0V,方波校准器。

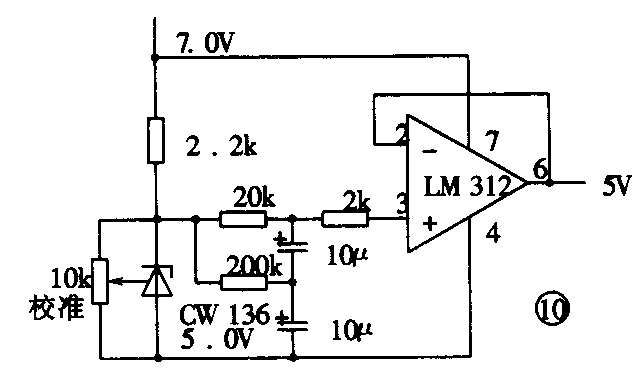
6.低噪声缓冲基准
图10所示为用CW 136-5.0V构成的5V低噪声缓冲电压基准,若用CW136-2.5V,则可构成2.5V的低噪声缓冲电压基准。

CW 136的应用非常广泛,例如还可构成可调并联式稳压电源,线性欧姆表,带有输出箝位的运算放大器等。由此说明,它是一种性能优良,用途广泛的电压基准源。(蔡光宏)