对讲机的使用,存在着一个突出问题:每给对讲机所用的6~8节镍镉电池块(500~700mAH)充电一次,需时长达10~14个小时。充电速度的迟缓,直接影响着对讲机的使用效益,给使用者带来了极大的不便,也不同程度地制约了对讲机的发展。
针对这个问题,笔者研制成功了对讲机专用快速充电器。该充电器给对讲机电池块充满一次电仅需25分钟。不仅电池充得饱满,而且对电池内部的轻微短路及记忆效应都能有效地修复,充分恢复电池容量。此外,该充电器还具备完善可靠的控制和保护功能,可确保电池安全、快速充电而不会发生意外。
快速充电器的设计思想
图1是快速充电过程及其波形图。要实现镍镉电池的大电流快速充电,必须具备以下两个条件:一是在充电过程中,要及时消除电池内部的极化效应,避免电池过热;二是当电池充满后,必须及时切断电源,严格防止电池过充电。

为了消除充电过程中电池内部的极化效应,该充电器采用了大电流脉冲充电、间歇放电去极化的充电方式,如图1所示。实践证明,采用此种充电方式可以大大提高充电速度。为了防止过充,该充电器采用了定时、温度、限压三种控制手段,当这三个参数中的任一个达到设定值时,都能及时切断电源,既能保证电池充足充满,又能安全可靠地防止电池过充。
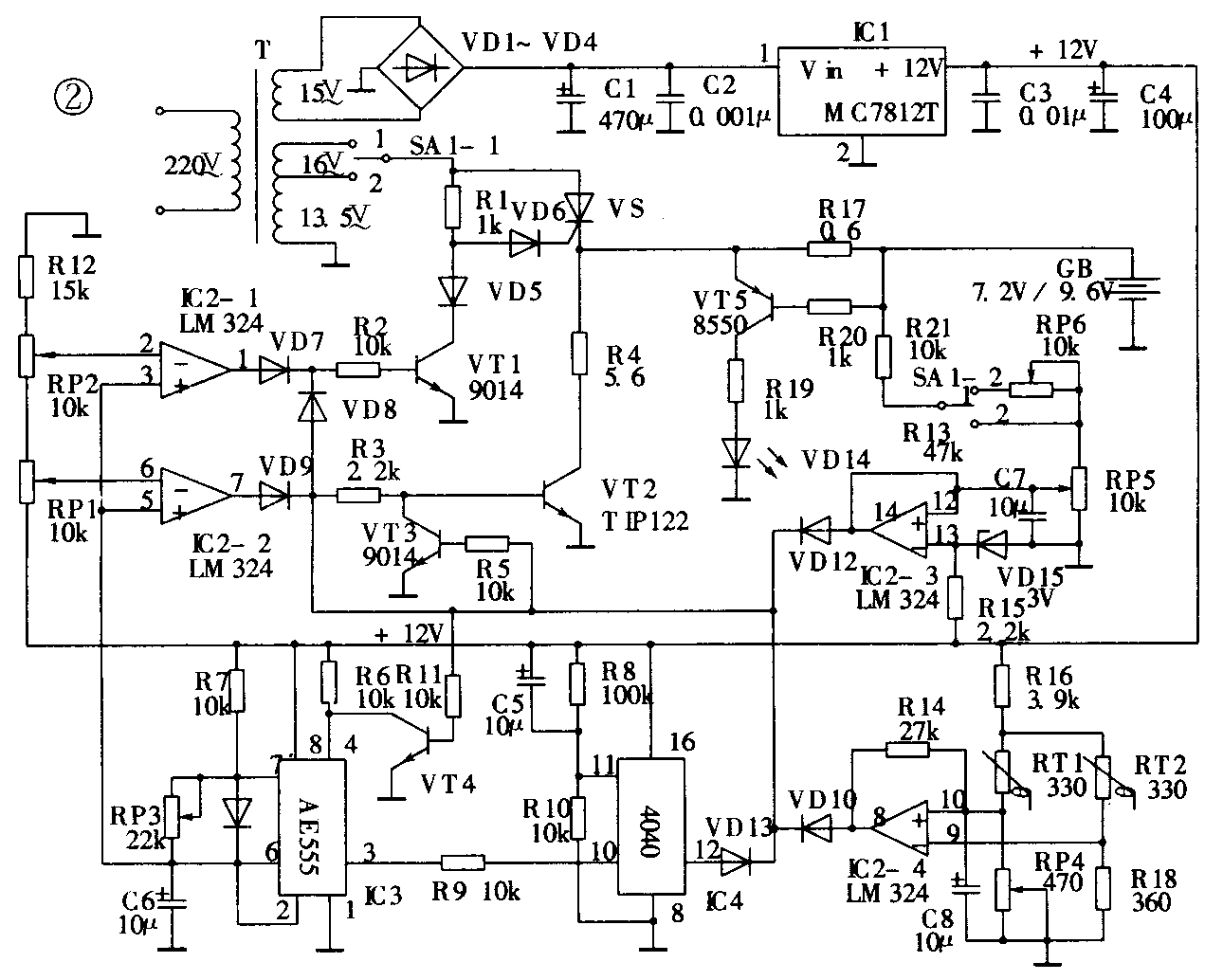
快速充电器的原理分析
电路原理图如图2所示。变压器次级线圈1或2端的低压经可控硅VS整流后经R17给对讲机电池块GB进行大电流充电,充电电流在R17上的压降使三极管VT5导通,发光二极管VD14发亮,指示出充电状态。

三极管VT1和集成块IC1-1组成充电停止电路。当IC2-1的1脚输出高电平时,VT1导通,VS因触发极为低电平而关断,充电停止;当IC2-1输出低电平时,VT1截止,VS导通,对电池充电。
三极管VT2及集成块IC2-2组成电池反向放电电路。当集成块IC2-2的7脚输出高电平时,VT2导通,电池块经R17、R4、VT2大电流反向放电。反之,当IC2-2输出低电平时,VT2截止,放电停止。
集成块IC3及其周围元器件组成振荡电路。从IC3的6脚输出一个三角波加到IC2的3脚和5脚,与集成块IC2的2脚和6脚上的直流电平相比较。当三角波电平低于IC2的2脚电平时(因IC2的6脚电平恒高于2脚电平,此时三角波电平也必然低于6脚电平),IC2的1脚和7脚均输出低电平,此时为充电周期。当三角波升高到高于IC2的2脚电平而低于6脚电平时,IC2的1脚输出高电平,VT1导通,此时为停止充电时间;当三角波继续升高到高于IC2的6脚电平时,IC2的7脚输出高电平,VT2导通,此时为电池块反向放电周期。关于这部分电位变化及充放电关系,如图1(a)、(b)波形所示。
如前所述,为了防止电池组过充电,该充电器采用了定时、温度、限压三种控制方式,使电池充满后自动切断电源,防止过充。下面分别叙述这三种控制方式的工作原理。
1.定时控制原理
集成块IC4(十二级二进制计数器CD4040)及其外围元器件组成定时电路。从集成块IC3的3脚输出的方波电压,作为计数脉冲输入到IC4的CP脉冲输入端,由集成块IC4对方波脉冲进行计数。当IC4计数到256个方波脉冲时,其12脚(Q9端)输出高电平,此高电平使VT1、VT3、VT4导通。其中:VT4导通使IC3停止振荡,VT3导通使VT2截止,电池组不再放电,VT1导通使VS关断,不再充电,从而达到了定时控制切断电源之目的。调整RP3可以调节集成块IC3的振荡周期,使之在5~6秒范围内变化,经过256个计数脉冲,定时范围约在20~25分钟之间。实践证明,按图中参数,在20~25分钟内,对已放空的电池组完全可以保证充足充满。
R8、C5、R10组成CD4040的上电复位电路。
2.温度控制原理
大量的充电实践表明:在镍镉电池充满以前,其温度很低,温升很慢;而当电池充满后,若继续充电,其温升急剧增加,可达每分钟3~5℃。该充电器就是利用镍镉电池的这一特性,实现温度控制的。
如图2所示,负温度系数热敏电阻RT1、RT2与RP4、R18组成一个温度检测桥,其中:RT2放置在远离电池块的空间位置,用于检测大气室温;RT1放置在充电卡座中紧贴被充电池块,用于检测电池块的温度变化。由于是桥式连接,所以对于室温的共模变化,桥式电路无输出。只有当电池块充满,温度开始升高时,RT1由于受热而阻值下降,IC2-4的8脚输出高电平,使VT1导通、VT2截止、IC3停振,结束充电过程。大量实践证明,当电池块温升为3~5℃时,为电池充足或稍有过充的标志,此时切断充电电源为最佳时刻。而调整RP4就可使IC2-4在这一最佳时刻动作,结束充电。
3.限压控制原理
新旧程度不同的镍镉电池,其充电终了值是不一样的,所以用限压控制作为电池充满条件只是作为最高电压限制的一种辅助手段。
集成块IC2-3及其外围元件组成限压控制电路,当电池充满、电池电压升高到设定值时,IC2-3输出高电平,结束充电过程。RP5、RP6分别用于调节6节和8节镍镉电池块的充电终了限压值。
4.其它说明
开关SA1打向1时,适用于对8节电池块(9.6V)充电;打向2时,适用于对6节电池块(7.2V)充电。
变压器T的容量以40~50VA为宜,如果容量太小,会使充电电流过低,在25分钟内不能充满电池。
本充电器如果配以不同的充电卡座,并适当增加变压器容量,亦可用于大哥大电池块的快速充电。(关大路 白华飞)