编者按:电子技术的迅速发展,促使历史悠久的无线电设备——收音机更新换代。数调收音机出现了,同时带有数调收音装置的随身听、组合音响正在迅速进入广大消费者的家庭。但是不少读者,对数调收音机的工作原理、特点以及维修方法等方面的知识了解很少。为此,本刊特约厦门华侨电子企业有限公司的技术人员,撰写了一组稿件,对数调收音机进行比较系统的介绍(稿件已从今年第一期开始刊出),以满足广大读者的需要。
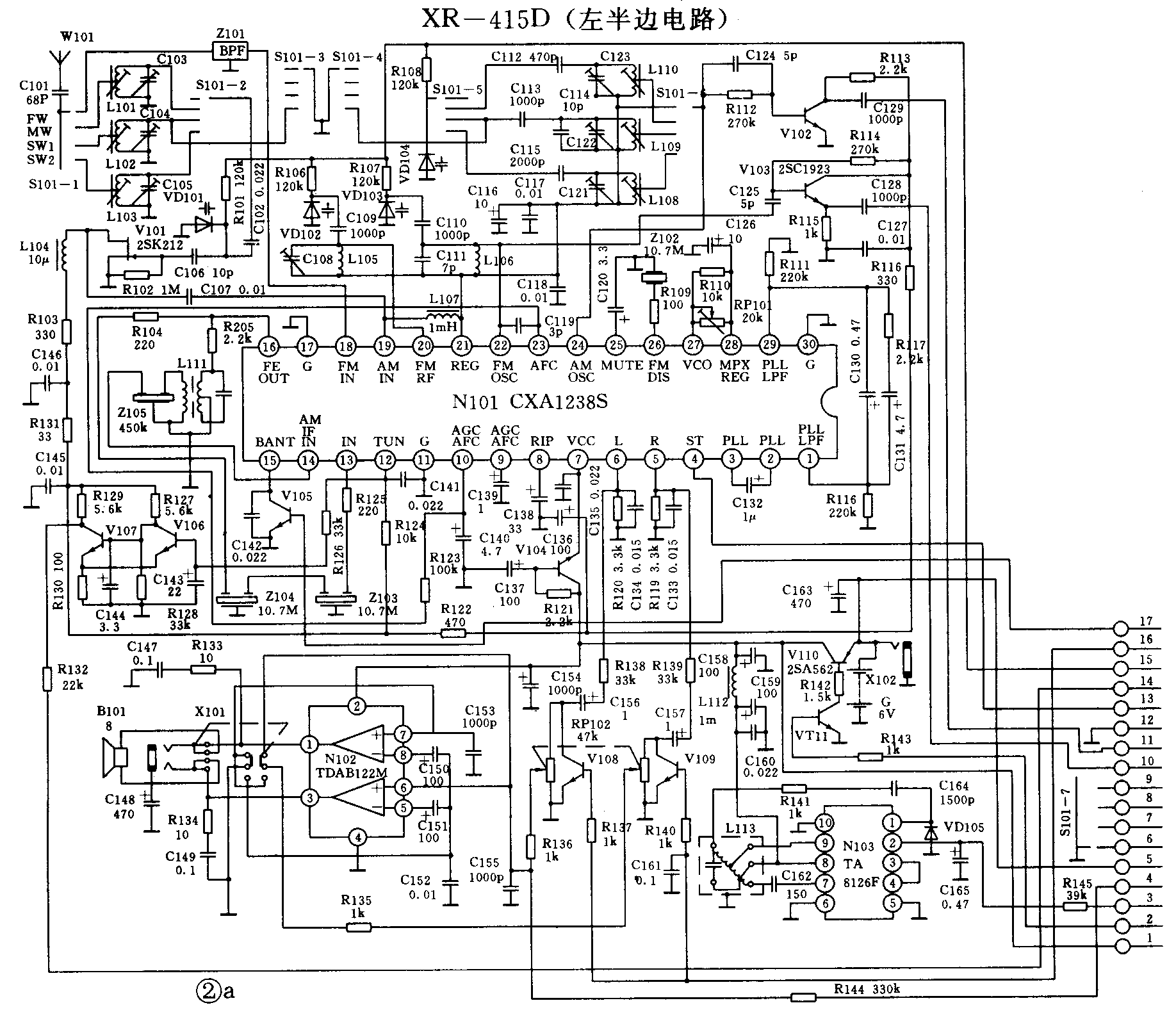
本刊今年第1期上刊出了“数调收音机如何选台”一文,本文接着向广大读者介绍数调收音机的工作原理。图2为XR-415D型收音机的整机电原理图。整个电路安装在两块电路板上,图2中的左半部分装在信号通道板上,右半部装在控制板上,两块电路板靠一条17线的带状线相连接。下面分别介绍各部分电路的工作原理。

数调收音机之所以能丢掉可变电容器而实现自动寻找电台,其关键是采用了变容二极管。在最常见的传统多波段收音机中,通常都是采用四连可变电容器来进行调谐的,而在数调收音机中要实现自动找台,使用变容二极管是最方便不过的了。图2中VD101-104为4只变容二极管,它们分别通过一个电阻器与来自控制板的调谐电压相连,当调谐电压变化时,4只变容二极管的容量也同步跟随其进行改变,这里调谐电压相当于一支无形的手,在“转动”这4只“可变电容”。
4只变容二极管都采用日本东芝公司的产品,其中VD101,104的型号为ISV149,用于AM波段。其调谐电压从1V变化到8V时,容量从500pF变化到30pF。而VD102,103的型号为1SV101,用于FM波段。其调谐电压从3V变化到9V时,容量从30pF变化到12pF。
一、输入回路及AM高放
FM信号经BPF直接进入N101的18脚。AM信号全部经由图1所示的AM高放级进行放大后进入N 101的AM输入脚19脚。L101、102、103分别是MW、SW1、SW2波段的输入电感。而变容二极管VD101则经由波段开关S101-2分别与上述电感构成AM各个波段的输入谐振回路。图1中的V101-2SK212为高频低噪声场效应管,AM信号经由它进行大。其中MW的负载主要是R103,而SW的负载主要是L104。VD102与L105、C108构成FM输入谐振回路。

二、变频、中放、立体声解码部分
这部分电路的核心是SONY公司生产的CXA12385,仅此一片IC便能完成AM及FM的变频、中放、FM的立体声解码等多种功能。它具有FM“软静噪”特点:当信号很强时,其工作在立体声状态;而当信号减弱到一定程度时,该IC自动处于FM单声道状态,而且其音频输出还会随信号的减弱而减弱。这样不仅可以省去单声道—立体声转换开关,还可使用户免受FM噪声之苦。
N101的24脚连接AM本振回路,VD104为AM本振连变容二极管,AM本振信号还经V102进行放大后进入控制板,N101的22脚连接FM本振回路,VD103为FM本振连变容二极管,FM本振信号经V103—射随器隔离后进入控制板。经变频后的中频信号由16脚输出。接收AM波段时中频信号经由L111和Z105进行中频滤波后再进入14脚进行中频放大,中频信号在N101内部进行检波后得到的音频信号分为两路从5、6脚输出。几乎所有的数字调谐收音机的AM中频都是450kHz。
在接收FM波段时,中频信号经R104送到Z104、103,经10.7MHz滤波后的中频信号送入13脚。中频信号经放大后在N101中进行鉴频,Z102为陶瓷鉴频器。鉴频后的信号在N101内部直接进行立体声解码,解码后的左右声道信号分别经由6脚和5脚输出。调节RP101可改变立体声导频频率。
三、功率放大部分
音频信号经音量电位器后,再经带开关的耳机插座中的开关进行转换后进入功率放大N102。当耳机插入后,放大器处于OTL工作状态, N101向耳机输出立体声信号。当耳机拔出后,L和R信号在开关X101中合并在一起进入N102,同时N102经X101的转换后成为BTL工作状态,在BTL状态扬声器中能得到大于600mW的不失真音频功率输出。至于X101是如何转换输入信号和如何改变N102工作状态的,请读者自己进行分析。
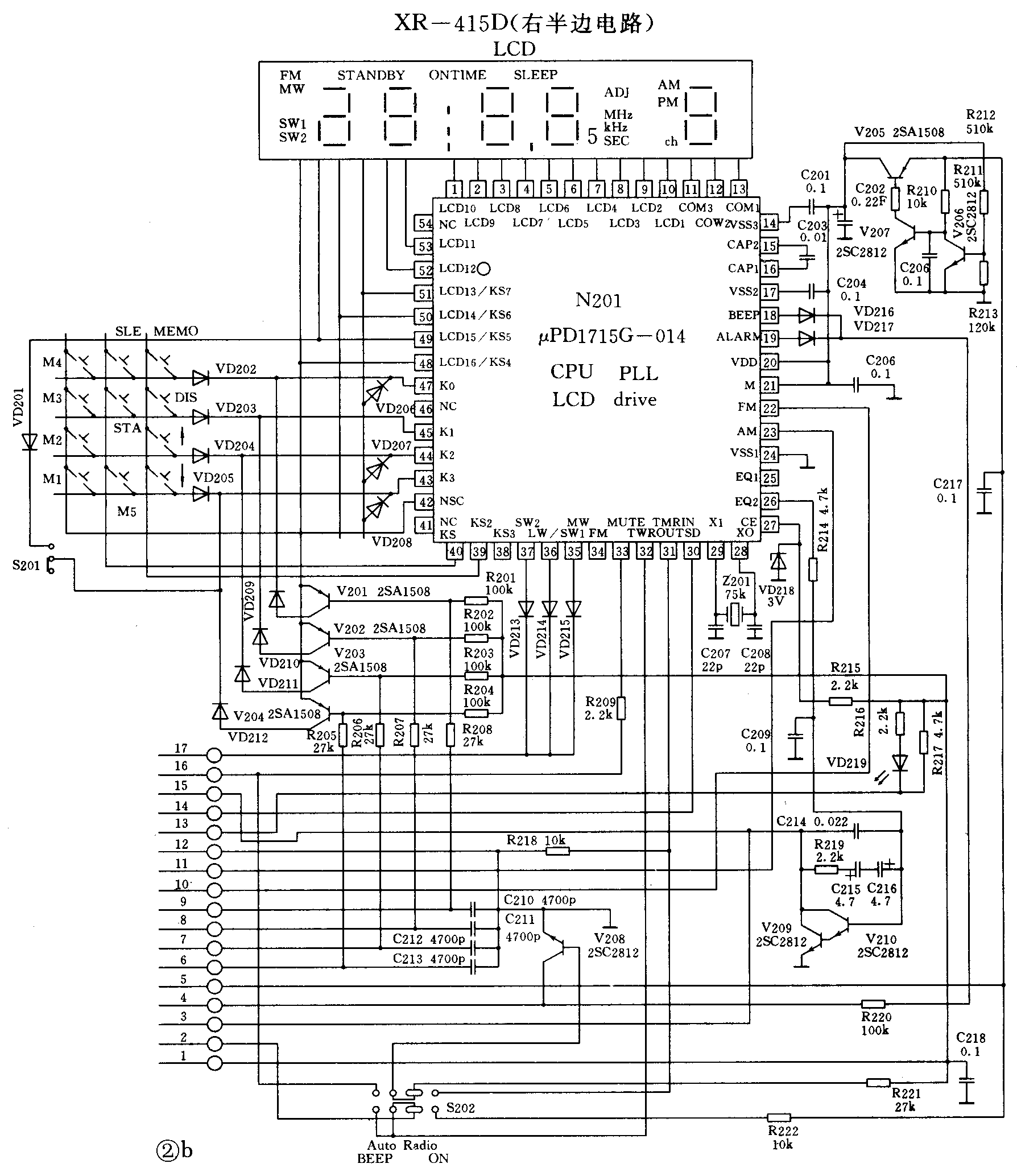
四、锁相环、CPU部分
图2右边部分电路是以N201为核心的控制电路。UPD1715-014是日本NEC公司生产的单片DTS控制IC,该电路能完成的功能有:锁相环频率合成、四位微处理器、键盘控制、液晶显示器驱动、时间控制功能、以及产生“哔,哔”声。

本机电源电压为6V,但N201最高承受电压不超过3V,所以需要将供给N201的电压稳定在2.8V左右。由于数字收音机在关机状态时需要记忆电台频率以及维持时钟运行,所以该电源在关机状态也要向N102供电。如果采用普通稳压电源,由于稳压二极管至少需要mA级的电流才能正常稳压,因此耗电很大。所以我们采用由V205-207组成的特殊稳压电源。该电源采用负反馈方式进行稳压,由于没有稳压管,所以该电源自身的耗电极小。
另外,本机C202采用容量高达0.22F(法拉)的大容量双电层电容器,这样当用户更换电池时,储存在C202上电能足以维持CPU的记忆及时钟运行达10分钟之久。
来自V102,103的AM或FM本振电压,自N201的22,23脚送入可编程分频器2(请参看“数调收音机如何选台”一文),在N201中的相位比较器中进行相位比较后,自26脚输出差值电压。此电压经V209,210构成的低通滤波器—LPF进行滤波及放大后,自集电极输出Vtun—调谐电压。该调谐电压送到通道板中的变容二极管上进行自动调谐,从而完成锁相环频率合成的全过程。
Z201是一个75kHz的晶体,由它产生的基准频率经分频后成为CPU的计时基准脉冲和时钟脉冲。当CPU中我们所设定的时间一到,由N201的32脚便立即输出高电位,在开关S202处于图示的位置时,此高电位便使V111导通,进而使V110开通,从而完成自动开机或定时闹铃。定时闹铃和按键应答的哔、哔“声分别经由19脚和20脚输出,当S202处于图示位置时,由于V208的作用,故无“哔、哔”声输出。而当S202处于BEEP位时,电源电压经由R221,137,140去控制V108,109,使收音信号对地短路,从而实现定时闹铃。
S101为波段开关,当S101-7改变波段时,通过一系列的电位转换,从而告诉CPU波段开关当前处于什么波段,便于CPU确定分频比N1。当收音机处于AM波段时,35~37脚会输出高电位,经VD213—215并通过V105使N101的15脚处于低电位状态,从而使N101工作在AM状态;反之,则N101将工作在FM状态。
检波或鉴频后的直流分量从12脚输出。无信号时12脚处于高电位,有信号时12脚处于低电位。该电位经R126进入由V106,107构成的斯密特触发器进行整形。经整形后电位变化的前后沿将变得更为陡峭。此信号在数调收音机中一般被称为停止信号—即SD信号,在自动找台时该信号被送至N201的30脚。如SD信号出现突然的电位下落,此时CPU便知道本机通道已经收到电台,于是立即停止N+1运算,收音机的频率便停止在该电台处,等待用户去决定取舍。
从前面的分析我们已经知道N201分为开机工作和关机工作两种状态,而这两种状态是靠27脚来进行转换的:27脚处于高电位,便是开机状态;反之,则处于关机状态。VD219是FM立体声指示灯。
五、DC/DC部分
从前面的介绍中我们已经知道变容二极管的最高工作电压已达9V之高,而实际上,为了维持变容二极管的正常工作而不至于死机,向低通滤波器的供电电压最好是15V。N103是东芝公司生产的DC/ DC专用IC,它先通过L113,C162等元件产生高频振荡,经升压后的高频电压再经整流、滤波、稳压后由2脚输出稳定的15V电压。此电压向由V209,V210组成的低通滤波器供电,使低通滤波器输出的调谐电压能完全保障变容二极管的正常工作。(颜浩)