移动电话(大哥大)所用的镍镉电池组常用配套的专用充电器进行充电,这类充电器内带专用微电脑控制芯片,常称智能型充电器,它担负对所充电池组进行位置检测、快速充电、负电压斜率检测、涓流充电、温度检测、过压和过流保护等多种功能的充电控制,所以当电池块放入充电器的充电格内后就不必为充电要求较高的镍镉电池的充电而担心,当充电器的指示灯显示充电已结束时,取下使用即可。
下面介绍一种与摩托罗拉9900型移动电话配套的充电器的电路原理,供爱好者和修理人员参考,整机电原理图加附图①所示。

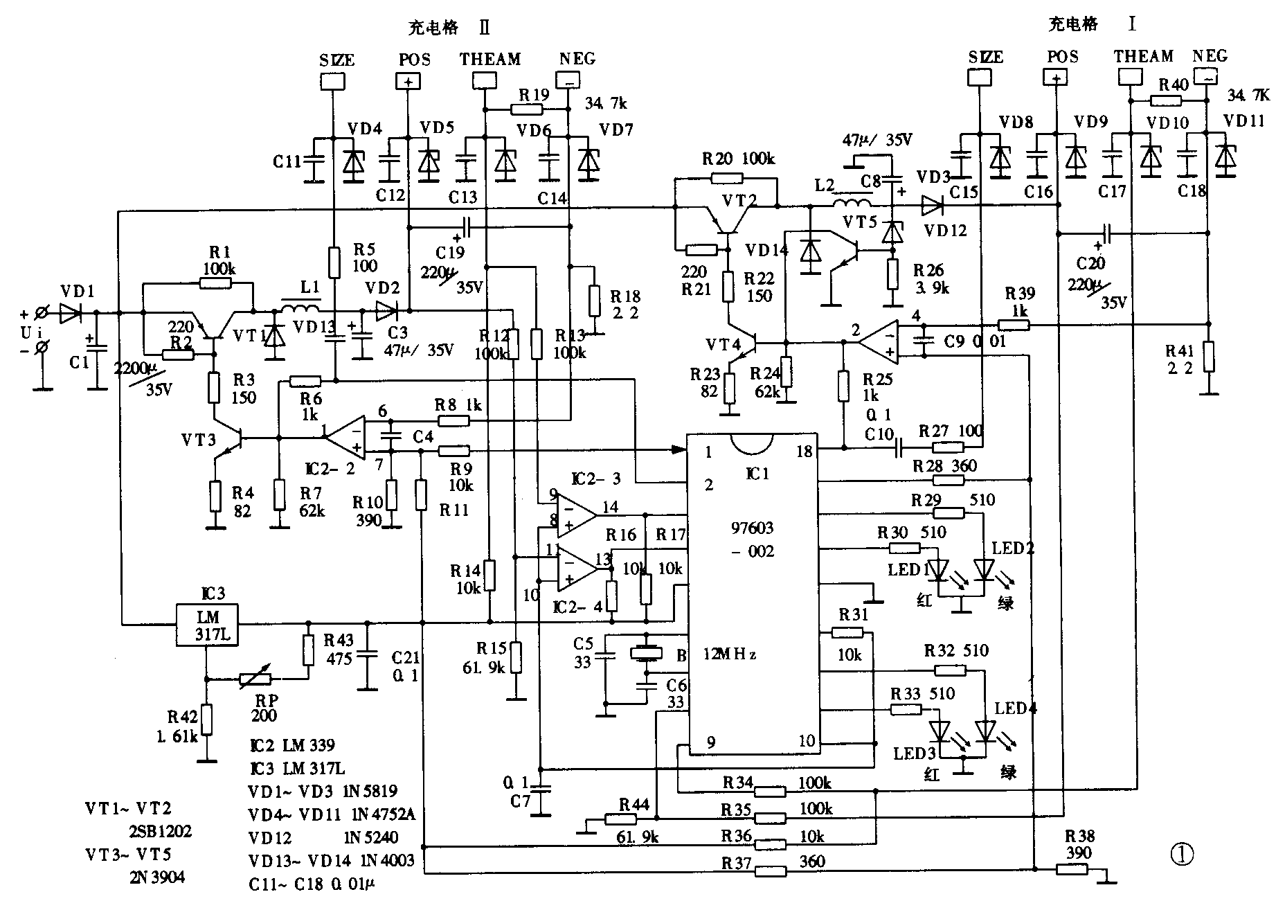
一、控制芯片引脚功能介绍:
1脚:对备用充电格Ⅱ进行充电控制。
2脚:接受充电格Ⅱ上电池块的位置信息和1脚输出电压的反馈信息。
3、4脚:分别接受充电格Ⅱ电池块上温度和电压信息。
5脚: 5伏电源输入(V\(_{DD}\))
6、7脚:外接12MHz晶振。
8、9脚:分别接受充电格Ⅱ电池块上电压和温度信息。
10、13脚:产生10赫左右脉冲振荡,提供IC2-3.4两电压比较器的同相输入端作比较参考信号,与两比较器的反相输入端的检测信息进行扫描对比,然后将比较器的输出信号送入控制芯片的2、4脚,以便作出判断。
11、12脚为手机电池充电格Ⅱ的充电状态指示输出端,以驱动双色发光二极管LED3和LED4,分别发出红、绿光。
15、16脚为充电格Ⅱ的充电状态指示输出端,驱动双色发光二极管LED1和LED2发出红、绿光。常见发光指示是:红光为快速充电状态,绿光表示电已充足,闪光橙色表示告警。
14脚为电源负端(V\(_{SS}\))。
17脚为对充电格Ⅰ的充电控制输出端。
18脚为充电格Ⅰ电池块位置信息检测和接受17脚输出电压反馈信息。
二、几个重要元器件的作用
1.IC2为四电压比较器集成电路,提供控制芯片所需各种信号电压。
2.IC3是为控制芯片和各级基准电压提供5伏稳定电压的三端可调稳压集成块。
3.R18和R41为充电过流取样电阻,一旦充电过流,便通过IC2-2和IC2-1去切断充电格Ⅱ和Ⅰ的充电电压。

4.充电格上温度检测端是与电地块内部结构有关的装置。图2是标准的电池块内部电路,常开型温度继电器KR将电池正极与温度检测端相连,当电池块因充电而使本身温度升高超过允许值,温度继电器KR接通,使检测端为高电平,分别使IC1的9脚电位升高和3脚电位降低,最后将切断充电电压。另外该检测端与电池块负极间还接一热敏电阻R,当温度为20℃时阻值约为10kΩ,此电阻对充电状态的影响较复杂,在下文充电过程中介绍。
5.VD1为外接未滤波的整流电源隔离二极管,整个电路输入电压和功率分别约为12伏和12瓦。
三、充电过程
本充电器可在1小时内对完全放完电的6伏电池块充足电,一般情况下先对充电格Ⅰ快速充电,后对充电格Ⅱ快速充电。快充电流约300毫安,指示灯发红光;快充结束后继续对电池块进行涓流充电,指示灯发绿光,涓流充电是以30%左右的占空比脉冲进行,脉冲周期约0.7秒,充电峰值约150毫安;涓流充电结束后仍发绿光指示,但已无充电电流。
电池块内热敏电阻阻值在4.7千欧~22千欧内涓流充电正常,但当阻值在2.4千欧一47千欧间指示灯闪橙光,但仍有涓流充电,当R阻值继续下降时指示灯仍闪橙光而无充电电流。当阻值在22千欧~30千欧间时,指示灯闪橙光有涓流充电,R阻值大于30千欧则闪橙光无充电电流,最后当阻值大于200千欧时则指示灯不亮亦无充电电流。有些非标准电池块,内部无该电阻,或该电阻变值后无法充电,有些修理者以为充电器坏了,实际这是充电器对电池块的一种识别保护现象。
四、维修要点
充电器中各种保护电路完善,一般不易损坏,但外接变压器整流电源因常处于连续工作状态,如质量有问题而损坏,更换时应选用输出电压12伏。电流大于1安的空载电流较小的变压器。电路中除IC1外全部元器件都有市售,如IC1损坏而其它元器件可用,则可应急将电路改装成恒流型简易充电器,例如将VT3和VT4的基极外围电路拆除,在VT3和VT4的基极上分别与VT1和VT2的发射极之间连接一只10千欧电阻;再按100毫安或50毫安的充电电流将R4和R23换成2.2千欧或2.7千欧电阻,即成普通慢充电器,当然各种保护功能也没有了,当输入电压Ui变化较大时,这些换上的电阻也需调整。(姜立中)