前级电子分频方式与后级功率分频方式相比,在同等条件下,除成本较高外,有互调失真低、分频点稳定和不受扬声器阻抗变化的影响,及分频器元件参数选择计算较灵活等优点。因此,通常发烧友自己动手制作也容易达到理想效果。今后,随着电子元器件成本的逐渐降低,尤其是高性能低成本功率集成电路的出现,相信前级电子分频方式将会在民用音频系统中越来越广应用。
目前市售民用音箱系列,一般采用两单元二分频和三单元三分频两种结构。为了能同时满足这两种分频结构,笔者设计了一套兼顾前级电子三分频与二分频的组合功率放大器,它可以工作在三分频与二分频两种不同的模式下,以满足用户不同音箱分频结构的要求。


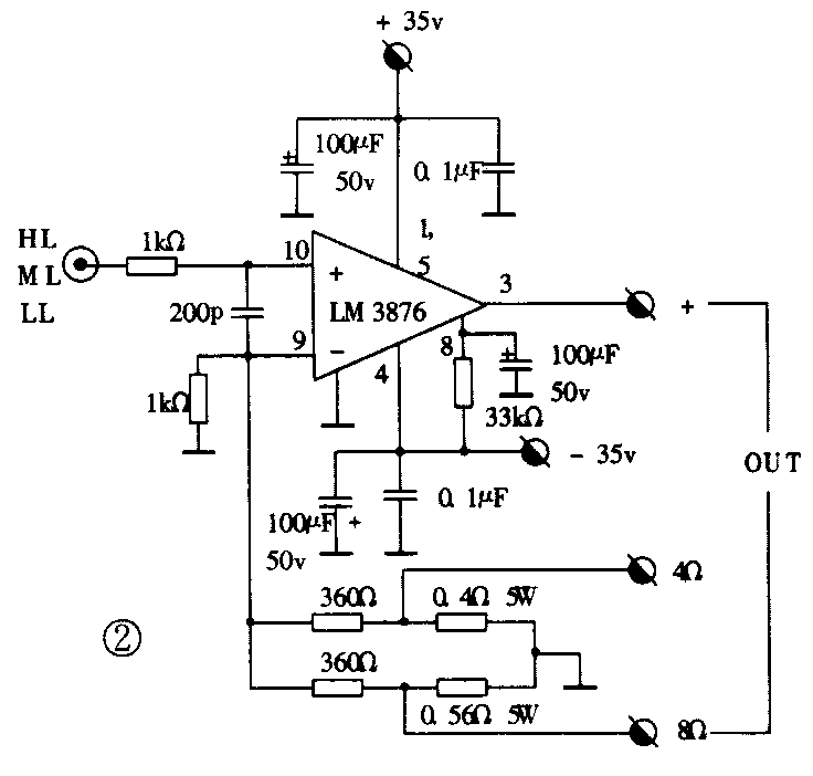
这套组合功放电路结构框图如图1所示,图中只画了一个声道,另一声道完全相同。左右两声道的高、中、低音功放均采用LM3876功率集成电路,应用线路如图2所示,使用了恒流驱动输出结构。在三分频方式下,高、中、低音段各用一块LM3876功率集成电路,总额定输出功率为2×3×45W;在二分频方式下时,高音段仍用一块LM3876输出,低音段则用原三分频的中、低音两块LM3876功放并联输出,总额定输出功率为2×(40+100)W。若还要输出更大功率,可直接将LM3876换为性能更好、功率更大的LM3886,线路上其它元器件值不用改变。

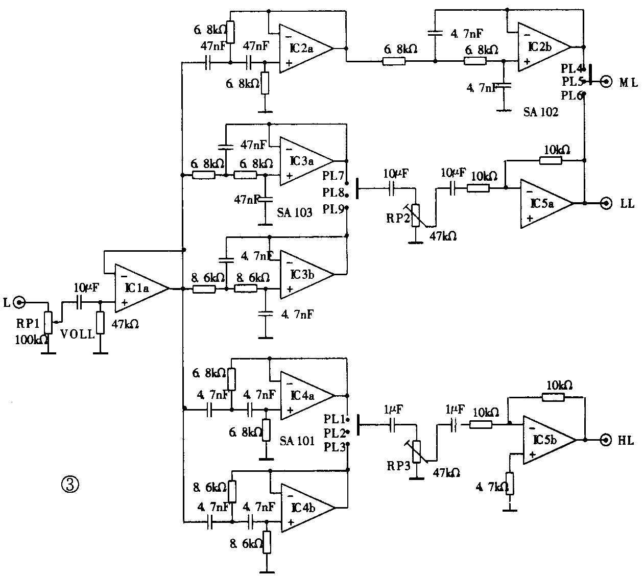
图3为L声道的电子二分频器与三分频器电路,R声道完全与此相同。图中IC 1a为阻抗缓冲器,IC2组成12dB/oct带通滤波器,IC3a、IC3b分别为三分频与二分频为阻抗缓冲器,IC2组成12dB/oct带通滤波器,IC3a、IC3b分别为三分频与二分频12dB/oct低通滤波器,IC4a、IC4b则分别为三分频与二分频12dB/oct高通滤波器。IC5a、IC5b是高、低通滤波器输出阻抗缓冲和相位变换电路。RPHL、RPLL为47kΩ微调实心电位器,用来调节音箱内不同扬声器单元之间高、低组合信号的平衡度。三分频与二分频工作方式切换开关SA101~SA103直接焊在电路板对应位置上,打开功放器外壳即可人为切换开关位置。并且,用户根据自己的音箱类型,把SA101~SA103位置调定后,不用再动此开关位置,故这里将SA101~SA103开关设计在功放器体内印刷电路板上。
三分频器分频点选为f\(_{0}\)1=500Hz,f02=5kHz,即把整个音频段分为20Hz~500Hz,500Hz~5kHz,5kHz~20kHz三段。二分频器分频点选为f\(_{0}\)=4kHz,即分为20Hz~4kHz,4kHz~20kHz两段。这样选择设计分频点,能满足大部分民用音箱内扬声器频率的分段要求。
组合功率放大器面板上只有电源开关及指示灯,以及左右声道音量独立调节的两只100kΩ单联10档位步进电位器,极其简洁。后面板布置则比较复杂,如图4(a)所示,设计有4Ω和8Ω两种扬声器阻抗输出接线柱,以保证在这两种阻抗负载下,恒流功放电路输出的额定功率值一样。但要注意的是,在二分频方式应用时,若接8Ω低音扬声器负载,应将后面板上低音和中音的+输出接线柱并联连接后作为一输出端,另一端则接后面板上中、低音任一4Ω接线柱;若接4Ω低音扬声器负载,除后面板上低音和中音的+输出接线柱并联连接后作为一输出端外,另一端应将低、中音的任一组4Ω、8Ω接线柱并联连接后输出即可。

功放器内部元器件安装位置如图4(b)所示,将左、右声道电路、电源电路互相隔离成三个相对独立的空间,以尽量消除互相之间的电磁串扰。
电源电路可采用开关电源,也可用普通工频电源,次级两绕组输出电压电流分别为±35V15A,±16V3A,功率约1000W。具体线路已有很多介绍,读者可自行选择和设计制作。(吴平)