本文介绍一款两个声道额定输出功率都达100W的高级全对称DC场效应功放,该功放电路具有输出功率大、频响极宽、性能稳定、制作简单等优点,很适合音乐厅、家庭、单位等场合使用,也适合广大音响爱好者、发烧友临摹制作。功放主电路请见图1(图中只画出一个声道,另一声道与之相同);图2是与本功放相配套的电源电路,下面着重介绍一下图1工作原理。


图1电路分为功率放大与保护电路两大部份。我们首先分析一下功率放大部份,功率放大分为电压放大级、缓冲放大级、电流放大级三个电路。功放最难做的是电压放大级,我们这里的电压放大级采用AP500A,该器件系耐高压(极限±75V)高速双JFET输入放大器,具有内部微调输入失调电压结构;闭环工作时具有30dB增益及很小的失真度(小于0.02%),在很宽的工作电压范围(±14V~±60V)内,输出零点漂移均自动小于90mV;该器件工作电流较小,但有很宽的电压频响(增益30dB时频响达0~500kHz),同时具有外围元件少、低噪声及输出端带保护电路等特点。因此这里选用AP500A作电压放大级,这样除了能获得很宽的频响外还不费力、彻底解决了DC功放零点漂移问题,使我们能够不用任何调试、容易地制作出高稳定性宽频响低失真DC功率放大器,而且大大降低了功放电路的制作成本。本功放的电流放大级采用VMOS场效应管,由VT3~VT6等组成,每个声道用两对,这样能提高电路的线性及输出电流能力,同时也能提高电路的阻尼系数,采用场效应管作电流放大级具有众多优点很多文章都有介绍过,这里不再赘述。值得一提的是大功率VMOS场效应管存在一个缺点是给电容过大,不同型号的结电容有所不同,有的管子结电容可达3000pF,它对音频的高频谐波具有很强的衰减作用,所以用VMOS管作电流放大级其驱动信号宜用低阻信号源,因此我们在电压、电流两放大级之间加入一个由VT1、VT2组成的缓冲放大器,以提高电压放大级的驱动能力、降低输出阻抗,减小结电容对高频的影响,使得电路能够更好地发挥出AP500A固有的宽频响特点。
本功放功率较大、使用的电压也较高,为了保护功放及昂贵的扬声器系统,我们设置了功能独特、较为完善的保护电路,它具有:开机延时启动、零点漂移保护、短路或过流保护,并能把出现短路故障的功放管从电路中隔离出来;该保护电路由保险管F1~F4、VT7~VT13及继电器等元件组成。VT11~ VT13等元件组成开机延时启动、零点漂移保护电路,继电器由VT13驱动,LED1作为扬声器接通指示灯,这样能直观地看出扬声器通、断状态。VT7~VT10等组成过流、短路保护电路,反馈电阻R14、R15、R22、R23在这里也兼作功放管的电流取样电阻,它的取样电压值经VT7~VT10放大,就可对功放管G、S极间电位进行钳制,使每个功放管最大电流不超过2.5A,有效地防止功放管出现过流现象。
图1中较特殊的还有R14、R15、 R22、R23每个电阻都串接一个3A的保险管,它在这里的作用过程是:电流放大级四个功放管的其中一个管子出现击穿短路时,比如VT5短路,VT5功放管即有很大的短路电流通过,功放中点电位D立即偏向+42V,零点漂移保护电路马上使继电器切断扬声器通路(LED1灯灭),同时VT8、VT9、VT10过流保护电路也起作用,使VT4、VT6每个管子电流被限制在2.5A之内,这样通过VT5的短路电流也就被限制在5A左右,通过保险管F3的5A短路电流大大超出3A保险值,所以F3即刻烧断,使A点与B点断路,这时B点电位不受A点影响而等于D,而A点电位仍然偏向+42V,所以VT9饱和导通,使得C点电位被钳制近似等于中点电位D,由此可见:F3保险管一旦熔断,VT5就不会再影响功放电路的工作状态,电路即刻就可恢复正常扩音工作;电路中其它功放管出现击穿短路,其保护、隔离过程与上述分析的相似,读者可按此类推。因此,本功放具有把出现短路故障的功放管从电路中隔离出来的特殊功能。
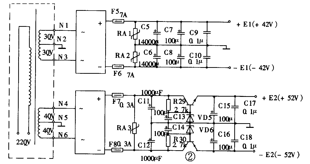
功放的电源电路如图2所示,其中±52V小电流稳压电源组供电压放大级、缓冲级使用,±42V大电流组供电流放大级及保护电路使用;前组使用的电压比后级高出±10伏(也就是采用所谓的高、低压供电方法),这样有利于提高电路的动态范围、降低输出失真。没有条件的读者也可以采用同一组电源供电,比如图2中可以不用N4、N5、N6端,只要接上N1、N2、N3这一组电源,整流后的直流电源±E1就通过VD1、VD2向电压放大级、缓冲放大级供电,同样也可以获得满意的音响效果。图中RA1、RA2、RA3是压敏电阻,它可保护滤波电路与功放电路不受电网电压意外升高而损坏。
优质的功放除了应有优良的电路之外,元件材料的选用也会对功放产生很大影响,但这里我们不提倡工薪烧友们大吃“补品”,而是讲究“线路卓越,元件可靠、实用”,读者按下述方法选择元件能够获得较理想的音响效果:VT1、VT14可用D669、 C2238,VT2、VT15可用B649、A968等类似的管子,VT3~VT6应选择耐压达150V、电流8A、耗散功率达70W以上的大功率管,VT7、VT9用9014,VT8、VT10用9015,VT11、VT12则用2N5551,VT13可用SC4350;功放管散热器很重要,我们采用大面积功放专用翼形散热器,其效果很好,这样就不用担心板子过热等问题,同时VT1、VT2、VT14、VT15也用小体积翼形散热器辅助散热;±42V电源整流管应用10A左右的,这里用的是带有翼形散热器高级整流桥D5FB20;C4、C9、C10、C17、C18选用耐压100V的涤沦电容,C7、C8用50V1000μF的,C11~C16要用耐压63V的电容,C5、C6则用“黑金刚”快速充电式50V1400μF大容量滤波电容。电阻除R14、R15、R22、R23用5W水泥电阻外,其它均用金属膜电阻。这里值得说明的是:发烧友大都懂得功放与音箱之间的音箱线选用(比如用比较大号的铜芯质音箱线,有的甚至用上发烧线、镀金音箱夹),而往往忽略了功放电路的继电器选择,这便显得有些美中不足,这里我们采用OMRON 16A24V单开关继电器,其效果就很好。
设计印板时应把所有的地线都接到一点,即所谓的一点接地;焊接零件时应对照线路图仔细安装、焊接牢固,这样整个功放板不用任何调试即能一举装成,可立即投入使用。由于本功放精选电路与零件材料,故放音音质能够充分体现DC功放极其丰满的低音所具有震撼人心、宏厚有力的特点,低音深沉处能够潜得非常深,中音极具温暖感,特别显得欢快、明朗,高音秀丽、清澈得见底,给人一种通透、明亮的感觉,完全表现了宽频响全对称DC场效应功放特有的魅力。(林碧华)