〔例1〕 一台康佳彩霸T953P Ⅲ型彩电,按自动换台键能搜索到电视信号,但锁存不住。
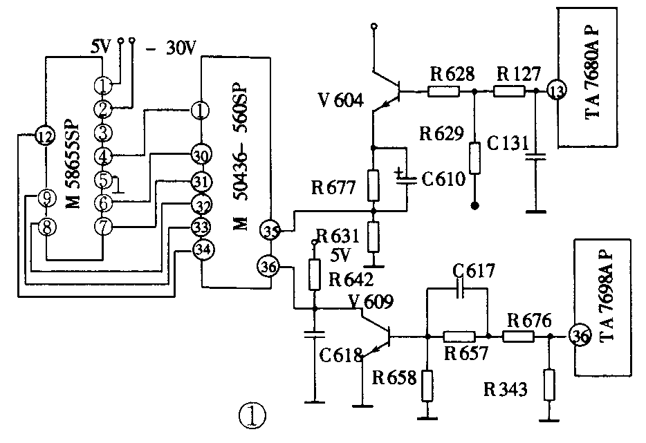
分析与检修 根据该机相应有关简化的电路(见图1)可知,选台和存储是由微处理器(CPU)M50436-560SP和可改写只读存储器(EAROM)M58655SP配合完成的。CPU在对行同步脉冲和AFT信号进行检测的基础上,方可判断电视机是否已准确接收到电视信号并及时存储。具体地讲,CPU欲把代表电视信号电压数据在写入存储器内部规定的存储单元之前,CPU的必须先接收到TA7698AP输出的行同步脉冲,而后CPU的对来自TA7680AP脚的AFT电压检测,进行自动频率跟踪校正,发出脉冲片选信号,输出写入电平到可改写只读存储器(EAROM)。现自动搜台正常,锁不住节目,可能是CPU未接收到代表电视信号的行同步信号或代表调谐程度如何的AFT自动跟踪信号,也可能是CPU本身有故障丧失了辨别电视信号或调谐准确度的功能,再者就是EAROM工作失常。结合该机仍能搜索到电视信号考虑,先检查输入给CPU的同步信号和AFT信号幅度是否正确。

按下自动搜台键,当接收到电视信号时,用示波器观察CPU有约3.5Vp-p的行同步脉冲波形,说明行同步信号输入正常,AFT因是变化的直流信号,用示波器观察难以确定,故改用万用表电压档监测CPU。在接收到电视节目时无瞬间跳变电压,再测TA7680AP的脚,结果接收到电视信号时,电压在6.5V左右变化。由此说明,故障是CPU未能准确接收到代表调谐情况的AFT信号造成的。查R127、R628、C610和V604,发现V604损坏,更换后故障排除。
〔例2〕一台康佳彩霸T2806型多制式彩电,能自动搜索到电视信号,但不能锁存。
分析与检修 根据与例1相同的分析,推断出现该故障的原因可能仍是向CPU输入的同步信号和AFT信号有误。由于CPU不能正常接收到同步信号和AFT信号,也就无法准确识别电视信号,当然发不出降低搜索速度及存储节目的指令。检查两信号输入电路,行同步信号输入正常,发现AFT信号有问题。测中放集成电路TA8611AN的AFT端电压远小于正常值4.1V,断开连接主电路板与中放电路板的CN002的②脚,重测AFT电压即变为正常。后细查发现瓷片电容C608漏电,更换后故障排除。
〔例3〕一台康艺MV5186A型彩电自动搜台时,各频段均能搜索到电视信号,但就是不能锁存。
分析与检修 自动搜台锁不住节目,是遥控彩电的常见故障。在检修时借助以往的经验,按照微处理器是否接收到电视信号特征信息(行同步信号、AFT信号),微处理器本身是否已有问题的检修顺序进行。

根据该机电路可知,该机的自动搜索、频道锁定、存储功能是由CPU IC801(M491)与为IC801实现频道自锁而提供控制信号的IC802(TDA4433)配合完成的。由于现在机器在自动搜索时,各频段均可接收到电视信号,所以检查的重点放在IC802及外围元件。从图2看出,当接收到电视信号时,IC802的和③脚分别为行同步信号和AFT信号的输入端,脚是由Q812放大、R847、C815积分整形得到的复合同步信号的输入端,②和⑥脚是向IC801提供控制信号的输出端。查IC802(TDA4433)各脚直流电压,除③脚在收到台时瞬间摆动不明显外其它未发现异常。用示波器观察、脚均有行同步和复合同步脉冲,测IC 101(TA7680AP)脚AFT输出端电压也正常。由此判断该机故障可能是AFT调谐回路的检波线圈L106参数有变,以致失谐偏离38MHz引起的。用无感小起子将L106的磁芯略微向外调整1周左右,观察毫无效果。焊下L106和图像中频调谐回路的38MHz线圈L105,把它们对调后重新焊上,又开机观察各频段图像消失。从而证实了L106确已损坏,换新元件后频道自锁功能恢复。(张永生)