这台充电器,对于家有摩托车或微型机动车的人来说,既方便又实用。
工作原理

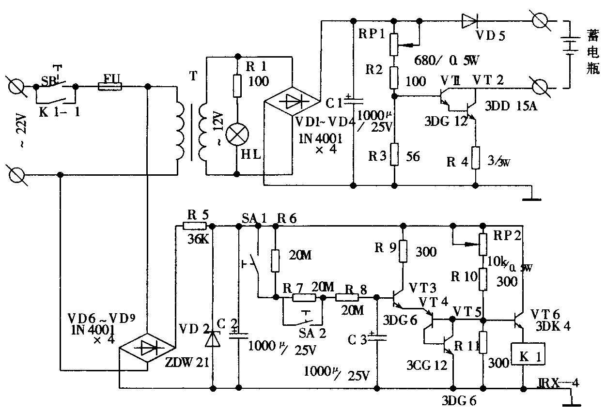
电路原理如图所示,按下按钮开关SB,定时器工作。继电器K1得电,其常开触点K1-1闭合。220V市电经变压器T降压成交流12V,再经VD1~VD4桥式整流电路整流,由电容器C1滤波,送给VT1、VT2复合管构成的恒流源,对串接在复合管集电极电路的蓄电瓶充电。
调整电位器RP1,可改变充电电流的大小。一般开始给电瓶充电时,将充电电流调到400至500mA之间,当电瓶中电解液沸腾3小时左右时,再使充电电流降至200至300mA,继续充电,大约12小时左右,充电完毕。
VD5的作用是当电网突然停电时。由于VD5反向偏置而截止,从而可切断电瓶的放电通路以保护电瓶,继电器K1的常开触点K1-1是充电器失电、欠压保护开关。R6、R7、R8和C3为充电器的定时元件。VT3、VT4、VT5为定时开关管,VT6是继电器K1的功率推动级。
当开关SB被接下,VT6开始工作,继电器得电时,定时开关管VT3、VT4、VT5截止。经VD6~VD9、C2整流滤波后的直流稳定电压,给定时元件C3充电。充到一定电压时,VT3、VT4、VT5由截止变为饱和导通,VT5管压降Vce近似为0.3V左右,于是使VT6基极电位降至0.3V,VT6由导通变为截止,继电器K1失电,常开触点K1-1由闭合变为常开,充电器失电,蓄电瓶停止充电。
开关SA1、SA2是定时选择开关,改变这两个开关的工作状态,可以改变电瓶的充电时间。
调试过程
电路组装好后,要认真检查,确认无误后方可通电调试。首先把按钮开关SB用导线短路,接通电源,再断开电源。如此反复几次,如果能听到继电器的通断声音,则说明定时器部分工作正常,否则存在故障,还需逐步检查。确定继电器工作正常后就可以进行下一步的调试。
在充电器的输出端串入待充电的电瓶,调整电位器RP1,用电流表测充电电流,若电流在200mA至1000mA之间可变,说明充电器工作正常,可以拆掉SB的短路线投入正常工作。
R2、R3的选用,考虑到充电器输出的最大电流为1安培,电位器RP1阻值调到最小。为确保VT1基极电位为4.4V(这个电位数值等于VT1、VT2两管的发射结电压与R4两端电压之和,即VT1的基极电位=0.7×2+1×3=4.4V),所以R3/(R2+R3)×12=4.4V。选取R3=56Ω,虽R2=100Ω。
R4的制作是用胶木作骨架,绕以一段漆包线或电阻丝而成的,阻值是3Ω。(黄令水)