笔者设计的这种游戏机,电路新颖,工作可靠,经试用,深受家长和孩子的喜爱。该游戏机具备0~99之间数字的组合,可引导幼儿识数。在幼儿能准确识数之后,使用它可继续引导孩子进行一位数和一位数的加法或减法运算。为使产生的数具有快速扫描和慢拍推进双重功能,选用了频率可调的振荡电路。

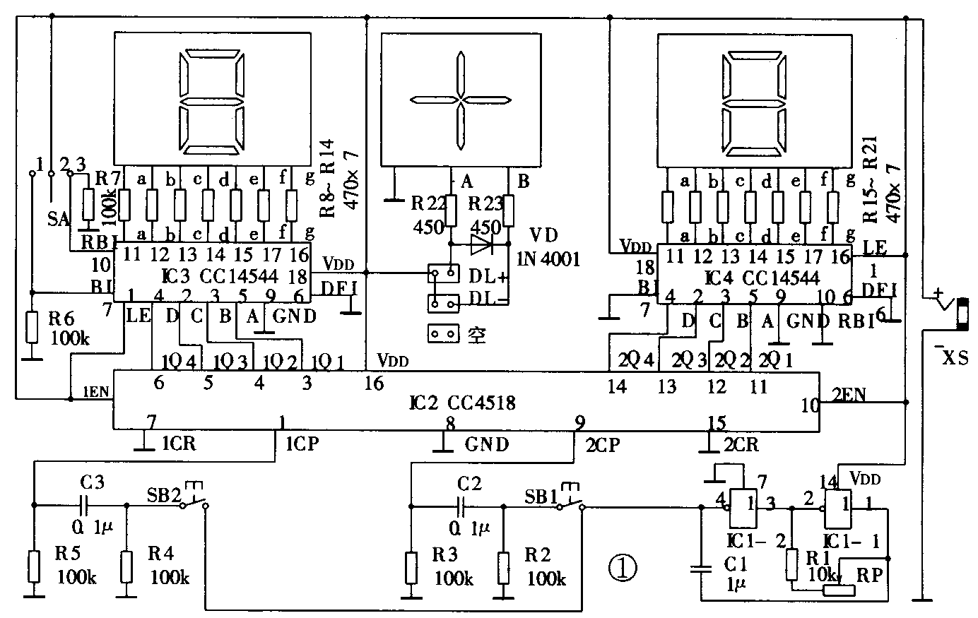
图1为电路原理图。IC1-1、IC1-2、C1、R1和RP构成频率可变的振荡器。SB1、SB2为两只自复按钮,用于控制IC2的ICP、2CP信号端的脉冲加入与停送。R2、C2、R3和R4、C3、R5分别组成SB1、SB2按入与松开时的防抖动电路。IC2为双BCD码十进制计数器。该集成块将两个完全一样的BCD码十进制计数单元集成在一块芯片上。其中,CP为时钟端,EN为时钟允许端,CR为复位端,Q1~Q4为BCD码输出端。当EN接“1”、CR接“0”时,如果计数器从0开始计数,则每逢输入10个计数脉冲,计数器全部回复到“0”。附表列出了CC4518中一组加法计数器的真值表(另一组相同)。IC3、IC4为BCD锁存/7段译码器。它是将输入的BCD码转译成对应笔段的输出信号,供显示头显示十进制数。LE为锁存选通端,为“1”时允许数据输入。BI为消隐控制端,加入“1”电平,对显示数实现消隐(显示头的笔段全部熄灭);加入“0”,正常显示。RBI为行波消隐输入端,当输入“1”时,实现无效零消隐(即:D、C、B、A全为“0”时显示头才不显示)。SA是一只三位拨动开关:拨动杆拨在中间,1、2、3点均不通;拨在左边,只有1、2两点接通;拨在右边只有2、3两点接通。该开关对左边显示头可实现消隐、无效零消隐和正常显示多种功能的选择。加(+)、减(-)符号位选用极性显示头:当在输入端A、B上同时加高电平时,则显示“+”;只在输入端B上加“1”,则显示“-”;A、B上均不加“1”电平,不显示。“DL+”、“DL-”、“空”为三只短路插座。当短路塞插入“DL+”时,极性显示“+”;插入“DL-”,显示“-”。“空”插座是为极性不显示提供短路塞停放位置的,以防丢失。极性显示电路中有只二极管VD,它有两个作用:1.当将“DL+”短路时,由于二极管正向导通,确保显示头的A和B均为高电平。2.当将“-”短路时,由于二极管反向阻断作用,显示头只有B为高电平。
附表
输入脉冲 输出
Q4 Q3 Q2 Q1
0
1 1
2 1
3 1 1
4 1
5 1 1
6 1 1
7 1 1 1
8 1
9 1 1
“1”为高电平空格为低电平
对孩子施教一位数时,将SA拨至左侧,BI端将固定加“1”电平,左边显示头处于不显示的消隐状态。同时,将符号选择短路塞插入空插座,使符号亦不显示。接着将RP调至最大值,使振荡器的工作频率最低,这样在慢拍脉冲的推动下能清楚地看到各相邻翻动的数字。假定刚按下SB1显示数为0,则紧接着翻动的数为1、2、3…… 8、9、0、1……。当看到翻动中的某一数,立即松开SB1,则2CP时钟端脉冲消失,该显示数停留,以供引教。
当幼儿对0~9的数顺序认识后,可进行随机抽样识数。将RP调至最小值,使振荡器频率最高。按下SB1显示数翻滚速度极快,无法看清任何数字,一旦松开SB1,显示头显示出稳定的随机数,使孩子识别。
一位数认识熟练后,即可进行两位数的识读。把SA开关拨至右侧,使2、3两点接通,确保高位无效零消隐(十位数为0时不显示)。再将RP调至最大值,操作SB2按钮,左边显示头慢拍翻动。当看到十位数为1时,立即松开SB2使十位的1稳定显示。再操作SB1按钮,可进行10~19间数字的施教。操作SB2使十位数稳定地显示2,再操作SB1可进行20~29之间数字的识读。如此改变十位数,操作SB1,就可使两位数在10~99之间显示。
两位数的随机抽查识读:将RP调至最小值将S1、S2同时(亦可一前一后)按下,当两只按钮均松手后,显示头将显示出稳定的两位随机数。如果松开S1、S2后,只有个位有显示数,则说明十位数正好为0而被消除了。
加、减法的工作情况:将SA拨至中间位置,解除左边显示头的消隐控制状态,进行加法出题。将短路塞插入DL+,极性位显示“+”号,通过操作SB1和SB2即可产生两个加数。
进行减法出题,将短路塞插入DL-中,极性位显示“-”,同样通过操作SB1、SB2即可产生被减数和减数。进行减法出题运算,最好以慢拍进行选数,这样可防止被减数小于减数的情况出现。
元器件选择:RP为450k长杆电位器,RP为最大值时,最低振荡频率约为1Hz。二极管亦可选用2CP、2DP系列。IC1为CD4069,IC2为CC4518,IC3、IC4为CC14544。三种集成块各引脚排列及其功能见图2。显示头和极性符号模块分别选用ARDS547R和ARDS547J,均采用共阴极LED显示头,其外型及管脚功能见图3。不同生产厂家其管脚功能不尽相同,以厂家说明书为准。


图4为整机外型示意图。插座XS在整机背后,要求外接直流电压在9~12V,引入时切请注意极性。该装置面板上操作元器件的安装位置不宜随心所欲,否则操作不顺手。笔者提供的面板布局较为合理,实践证明,操作方便。(金有锁)