本文提供的“互助看家报警器”,当你家中无人,但某邻居、朋友家中有人时,只要在你家中放置一台这种报警器,而邻居家中放置一台普通的调频收音机,邻居家的人即可随时监视你家中的警情。当有人非正常启动你家房门,或从窗户入室作案时,邻居家中的收音机就会立即反复播音报警,而且这种报警器还能区别是哪一家报警。当家里主人用钥匙正常开门入室时,则不发生报警。此报警器经本人研制使用效果很好,很有推广和生产价值。下面介绍其工作原理和元器件选用及其调试方法。
电路工作原理
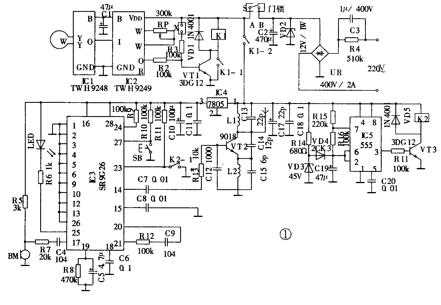
电路如图1所示。它由雷达扫描探测模块、语音信号电路、高频发射电路及电源电路等构成。

IC1是一块雷达式扫描探测传感器,它能利用外接天线W同时完成微波信号的发射和接收。如果在有效范围(40m\(^{2}\))内有移动物体,发射频率与接收频率之间产生偏移。IC1收到偏移频率的信号后,经过低通滤波器、选通放大器,由“0”端送给IC2。IC2中包含软启动器、选通放大器、比较鉴别器、延时器、驱动电路和复位电路等。由IC1送来的信号经IC2处理后,由IC2的“0”端输出推动执行机构。IC2的W-W端外接的可变电阻RP可以改变电路动作的灵敏度。R为闸门端,可以控制IC2的“关闸”与“开闸”,一般由光敏元件控制其白天“关”而夜间“开”。本电路中R端悬空,IC2处于“恒开”状态。
当作案者在监视范围内出现时,天线W收到偏移频率信号,IC2的“0”端输出一个高电平,使VT1饱和导通,继电器K1动作,K1-2闭合,IC3,IC5均得电而工作。由于IC5接成脉冲发生器,故继电器K2反复吸放,其接点K2-1也跟着反复闭、开,使语言电路IC3的放音触发端“23”脚反复受到低电位触发,从而由其“14”脚不断送出语言信号,经VT2构成的高频发射电路发射到空间去。发射频率范围为88~108MHz。调L1可避开当地的调频台,于是用调频收音机即可收到报警的语言信号了。高频发射电路的无线用1.2米的软导线或拉杆天线均可。IC3可录进不同的户点地址,从而在接收端即可区分报警地点。
继电器K1的自锁接点K1-1的作用是记忆发生的警情。由于IC2的“O”端输出的高电位经过一定时间延时后自动消失,有了此自锁接点就可保证报警电路被触发后连续不断地发出报警信号,即对警情发生具有记忆功能。
VT1的基极经R3接入的二孔插座X使该装置成为多功能报警器。只要在此插座上连接不同的传感器,即可实现各种警情的报警。例如:X连接一按钮,当小孩或老人看家时,如有坏人闯入,只要小孩或老人按动此钮即刻实现报警。如接入水、火、煤气等传感器,即可实现各种功能的报警。
图1中的S是设置在门锁内的开关,此锁是用一般的门锁改制成的。图2为改制锁的结构示意图。A'、B'二点和图1中的A、B二点相连。家人外出锁门后,A'、B'二点连在一起,如图2(a)所示。家人回来用钥匙开锁后,A'、B'二点断开,如图2(b)所示,报警器解除警戒状态,即不报警。

其它部分电路为共知电路,不再赘述。
元器件的选择和调试
IC1和IC2为雷达扫描探测模块,天线W是用Ф1mm漆包线做成Фl20~150mm的开口圆环。K1、K2采用JRX-13F继电器。高频发射电路中的L1用Ф0.5mm漆包线绕制成空心Ф5mm4匝,L2绕制为8匝。IC3为20秒永久记忆型语言电路,使用时接着按钮SB,同时将警点地址对着话筒BM一次录入,即可永久使用。其改录方法同上。其他元件参数和型号如图中所示。只要焊接无误即可正常工作。(李源生 迟健男)