时间继电器在工业控制领域应用很广泛,技术上也较为成熟,但大多数产品在设计上仍沿用一些常规的元器件,用多片电路组合出相应功能,这样使得线路上较为复杂,元器件太多,可靠性不高。
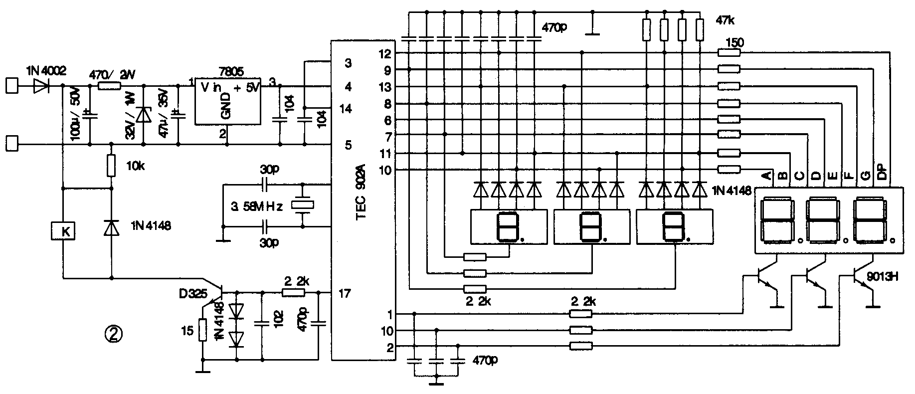
我们新开发的单片时间继电器专用电路TEC902A是一块采用CMOS工艺的大规模集成电路,它内部集成了时钟电路、倒计时电路、数码开关读取电路及LED扫描和译码驱动电路。由于它采用了廉价的3.58MHz陶瓷谐振器作为振荡器,用TEC902A制成的时间继电器不用任何调试即可达到±0.5%的精度。该电路外围元件少,耗电极微,再加上独特的LED显示倒计时功能使得TEC902A在使用上十分方便。
TEC902A有较强的带负载能力,可直接驱动三位LED数码管,并有零消隐功能。它的最长定时时间可达99.9秒,用三位数码开关设置。上电时该电路从设置值开始以0.1秒递减计数,到显示值为零时输出端上跳为高电平,驱动继电器动作。同时LED数码管以1Hz的频率闪烁,并显示当前设置值。此时若按动数码开关改变设置时间,LED将同步显示相应数值。
由于大多数时间继电器的使用环境较恶劣,工业干扰较多,TEC902A在设计时已充分考虑了各种干扰所引起的后果,并在内部结构中采取了多种措施,一旦出现极强的干扰破坏了电路的工作状态,TEC902A也会在干扰过后迅速恢复到原来的状态。
TEC902A采用18脚双列直插(DIP18)封装,它的性能参数见附表。
参数名称 数值 单位
工作内压范围 3~6 V
引脚最大输出电流 20 mA
振荡频率 3.58 MHz
最大功耗 800 mW
工作温度 -55~+125 ℃
储存温度 -65~+150 ℃
(戴富仁)

