目前市场上的电热水器大都只有灯光告警,不具备音响告警功能。本文介绍的水开报警器,在水开时会自动地奏出一曲音乐。这种水开报警器采用光耦合形式,与电热水器之间没有任何电连接关系。它只需用一支光敏电阻和电热水器面板上的告警指示灯形成光耦合即可,因此不会出现延时或提前告警,而且性能稳定可靠,电路简单,经使用半年来,效果一直很好。

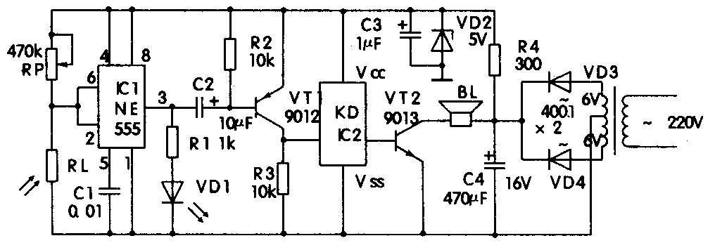
电路如图所示,由光敏电阻RL、时基电路IC1以及VT1等组成的脉冲沿检出电路和音乐集成片等部分组成。IC1接成施密特触发器,在水没有烧开以前,告警灯是亮着的,RT受指示灯的光照而阻值很小,IC1的2脚电压低于\(\frac{1}{3}\)Vcc,使3脚输出高电平,发光指示二极管VD1也亮。此时VT1不导通,音乐集成片的触发极得不到触发电压,喇叭不发声,整机静态电流很小。当水烧开时,告警灯灭,RT因失去光照其阻值变大,IC1的2脚电压>2;3Vcc,IC1翻转,3脚变为低电平,VD1也灭。此时+5V电压通过R2和VT1的发射极给C2充电,使VT1立即导通,因此IC2得到一个高电平的触发信号而触发工作,BL奏出一曲优美动听的歌曲。由于C2的充电时间很短,VT1很快由导通变为截止状态,所以每次水开后,IC2只能得到一个触发信号,以后电路又处于静态。当有人打水以后,电热水器自动续水,此时水温下降,告警指示灯又重新点亮,IC1又翻转,3脚仍变为高电平,VD1点亮,C2通过R1很快放电,此后电路又处于静态,等待下次触发。
元器件选择和调试:RP可用一支470k的可调电阻,RL用普通光敏电阻即可。IC1为时基电路555,VD1为红色高亮度发光二极管,IC2用洒水车声音乐集成片,当然也可以用其它的音乐片代替。变压器用5W双6V、发热小的变压器。所有电阻均为1/8W的,其它元件数值图中已有标注。线路板可自己设计。安装时,将RT紧贴告警灯的灯帽,并用黑胶布包缠起来,以防自然可见光干扰,保证耦合效果,这是制作的关键。如果取下灯帽,将RT直接和告警灯的氖泡贴在一起则效果更好,并且用屏蔽线将RT连到路板上。装好以后,将整个线路板安装到一个木盒里,喇叭可装到盒外,发光二极管VD1露出。将电源线直接接在热水器电源线的入匣刀处即可。调试时,在水没有烧开以前,调RP,使VD1刚好点亮,记住此时RP所调到的位置;然后等水烧开后,再调RP,使VD1刚好熄灭,记住此时RP所调到的位置,最后将RP调到两个位置的正中间固定即可。也可量出此时RP的阻值,换上一支同样阻值的固定电阻。(金海亮)