在脉冲数字电路和计算机电路中,经常使用二进制数,而人们工作和生活中习惯于使用十进制数。很多场合下,两种进制的数还需要相互换算,这对于刚接触二进制的人来说,会感到有困难,并且不很习惯。如果我们利用一个二进制计数器和一个十进制计数器同步工作,能使我们更快地熟悉二进制数,也会在两计数器的显示上更直观地看到两种进制数的关系。
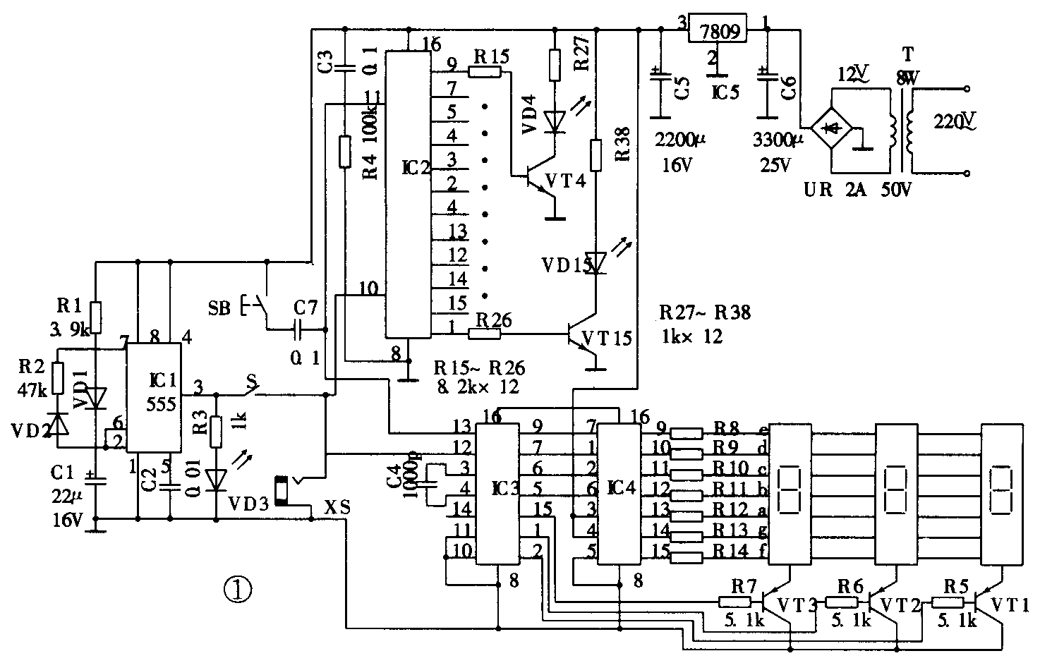
这种双制双计数器电路分为五部分:第一部分是为两个计数器提供同步计数脉冲的内部多谐振荡器;第二部分是以IC2为核心的二进制计数器;第三部分是以IC3为核心的十进制计数器;第四部分为两个计数器的显示器;第五部分是电源电路。图1是双制双计数器电路原理图,图2是主要器件管脚图,图3是整机外形示意图。



在双计数器内部设有一个振荡器,当为了解二进制与十进制之间关系的有关知识时,可以由内部振荡器为两个计数器提供脉冲信号。如果用于外部计数时,可以将S断开,内部脉冲信号不再送往计数器。外来信号可以由插座XS送入。内部振荡器由时基电路IC1和外围元件组成,由IC1的3脚输出脉冲信号,两个计数器同步得到此信号,同步计数,计得脉冲个数相同;此信号还经R3使VD3发光二极管工作于点燃—熄灭—点燃—熄灭状态,表示振荡器有脉冲信号不断输出。C3、R4组成微分电路,刚接通电源时,产生一个清零脉冲,使两个计数器都从零开始准备计数。
二进制计数器是由CD4040担任,它有12个输出端,分别经电阻R15~R26接到显示电路的VT4~VT15的基极上。刚接通电源时,12个输出端都为低电位。当10脚上收到第一个脉冲后,二进制计数器计“1”,输出端最低位9脚电位由低转高。第二个脉冲输入后,最低位9脚转为低电位,因逢二进一,所以进位后使第二位7脚由低电位转为高电位,表示计“2”。第三个脉冲到来后,9脚电位再次由低转高,7脚保持高电位不变,表示计“3”。第四个脉冲再次使最低位逢二进一,9脚又返回低电位,进位脉冲使第二位也进位,7脚也返回低电位,第三位6脚电位由低转高,表示计“4”。以此类推。VT4~VT15都用NPN三极管9013。二进制计数器计“1”时,VT4导通,VD4点燃,只有最低位发光二极管亮;计“2”时,VT5导通,VD5点燃,只有第二位发光二极管亮,计“3”时,VT4、VT5都导通,VD4、VD5都点燃,最低位和第二位发光二极管亮。计“4”时,VT6导通,VD6点燃,只有第三位发光二极管亮。用此种模式显示出二进制订数器计数的结果。十进制计数器是由CD4553B、4511和外围元器件组成,由于4553B功能很强,可以组成三位十进制计数器,如果三位不够,可再用一片4553B进行联组。IC3的12脚,是计数脉冲的输人端,10脚使能端(LE)接低电位,为执行记数。IC3用动态显示方式,DS-1~DS-3是数字选择输出,周期性出现低电位,对个位十位百位进行循环扫描,由于频率较高,人眼看不出闪烁。与4511部分电路配合,可以完成三位十进制计数。4553B通过分时控制的工作方式,减少了译码驱动集成电路使用的个数,大大简化了电路。4511的7、1、2、6输入端直接与4553B的9、7、6、5输出端连接。4511将信号译码,由另一部分驱动电路通过9~15脚输出三位十进制数字笔段信号,经R8~R14限流直接与三个LED数码管连接。DS—1~DS—3数字选择输出端,经R5~R7将选择脉冲进到VT1~VT3基极,使VT1~VT3轮流导通,两部分电路相互配合,完成三位十进制计数的显示。个十百三位上的三个LED数码管选用共阴极型;VT1~VT3选用PNP型三极管9012。译码驱动集成电路IC4用4511或4543B都可以,只是使用4511时,数字6.9形状为01如果采用4543B,利用它6脚DFI端接高或低电位,可以驱动共阳或共阴极型LED数码管,使用起来更方便,更灵活。双计数器所用直流电源比较简单,变压器T将交流220V降压并输出12V,用UR全桥进行整流,经C6滤波,IC5稳压,C5再滤波后,输出稳压9V,供各部分电路使用。
此双制双计数器,在认识和学习二进制数方面的启迪作用是不可忽视的。当S断开,接通电源,此时,两个计数器都显示“零”。将S接通,两个计数器开始同步计数。VD3点亮一次,二进制计数器最低位发光二极管点亮;十进制计数器个位显示“1”。VD3点亮两次,二进制第二位发光二极管点亮(最低位熄灭);十进制个位显示“2”。第三个脉冲到来后,二进制最低位与第二位发光二极管都点亮,十进制个位显示“3”。计数情况以此类推,附表给出了部分数在两种计数器上的显示。虽然附表中只列出部分数两种进制计数情况的对照,但其中已表现出一部分规律性的情况,如果自己再将表格继续填写下去,定会发现更多的有规律的变化,并且对二进制数有更多的认识。就附表中所计的八个脉冲反映出的二进制数的变化规律,作一些说明:首先发现第四位发光管单独亮时,十进制显示“8”,第三位发光管单独亮时,十进制显示“4”,第二位发光管单独亮时,十进制显示“2”,最低位发光管单独亮时,十进制显示“1”。这显然就是二进制每位“权”的概念。将这四位的权从高位到低位排列为“8、4、2、1”,其实,用二进制的四、三、二、一四位完全可以表达十进制0~15任何一个数,如果只表达1~10时,把这种码叫“BCD”码。它是脉冲数字电路中很常用的。本电路中,十进制计数器4553B的9、7、6、5脚输出的就是这种码,4511的7、1、2、6脚输入这种码,由集成电路内部将此码译成十进制笔段显示,再驱动LED数码管发光。如果将此四位上的“权”,用另一种形式表达,更会看到二进制数的数学实质。最低位权1=2\(^{0}\),第二位权2=21,第三位权4=2\(^{2}\),第四位权8=23。那么2作位数减一次乘方的结果,这便是这位的“权”。如:二进制第十位发光管独亮时,十进制显示512=2\(^{9}\)=210-1,第十位的权为512;二进制第七位发光管独亮时,十进制显示64=2\(^{6}\)=27-1,第七位的权为64。如果第八位、第五位和第一位发光管都亮,十进制显示145=2\(^{7}\)+24+2\(^{0}\)=28-1+2\(^{5-1}\)+21-1。从此例中可以看出两种进制的换算方法之一。本二进制计数器如果1~12位发光管都点亮,那么表示十进制数为:2\(^{11}\)+210+2\(^{9}\)+28+2\(^{7}\)+26+2\(^{5}\)+24+2\(^{3}\)+22+2\(^{1}\)+20=4095,二进制12位计数器最大计数为4095,如果用十进制表达,则需四位,即个、十、百、千四位才够。如果本电路二进制数计到最大数时,显然十进制计数器三位是不够的,必须再用计数IC进行联级,才能满足需要。

如果断开S,从插座XS输入计数信号,本电路就成为计数器,加接适当电路也可以变换成多用频率计、测速仪或计数开关等。(李楷)