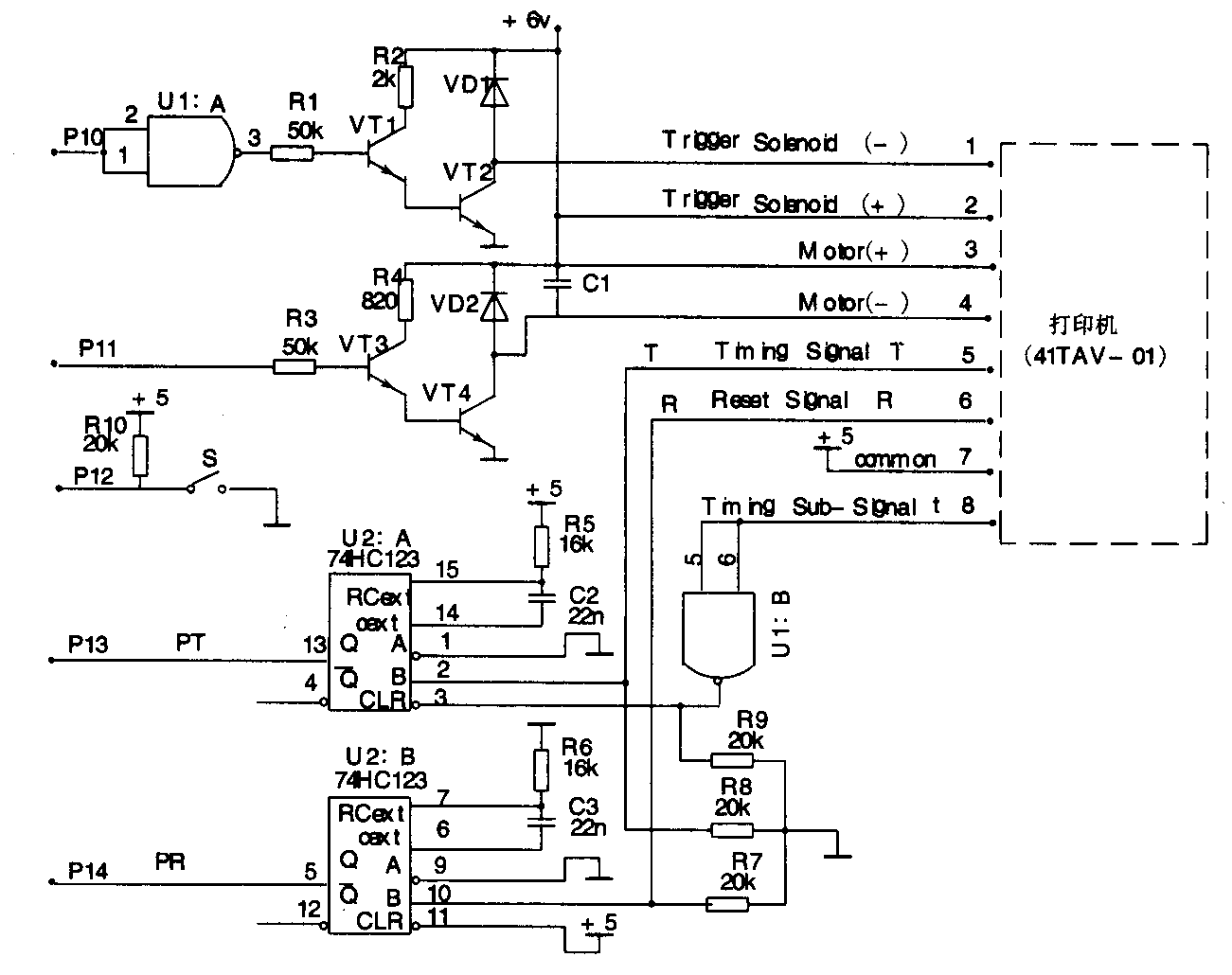
字轮式打印机性能可靠、打印速度快捷、接口电路简单,因此,它有着十分广泛的应用。笔者在设计电话计费系统中,使用了EPSON公司生产的Model-41TAV(01)字轮式打印机机头,打印机与单片机的接口电路如图所示。

Model-41TAV(01)字轮式打印机有8条引线,其中:1脚、2脚为字符触发打印线圈输入端;3脚、4脚是字轮旋转电机输入端;5脚为字符脉冲输出端,即每个字符旋转到打印位置时,都会产生一个脉冲;6脚为字轮起始脉冲输出端,就是字轮转动时,转动到起始位置会发出一个脉冲信号;7脚是输出信号的公共端。本图单片机P10端为低电平触发打印线圈字符打印,P11端高电平使电机旋转。注意:为了使打印可靠,必须在电机旋转几秒钟后,才能触发字符打印。U2(74HC123)是一片双单稳态集成电路,目的是将打印机的R、T信号整形,转换成供单片机采用的PR、PT信号。
以MCS-51单片机为例,介绍打印机字符打印程序,其中单片机的主频为12MHz。
打印字符子程序(打印字符由主程序寄存在寄存器R6中。寄存器R5是打印线圈的触发时间常数,打印字符时:R5=#04H;打印换行时:R5=#1FH):
DYZF: INC R6;将打印字符的ASC码加1
DYZF1: MOV R7,# 03H;连续检测三次
DYZF10 JB P1.4DYZF1;PR=1跳转DYZF1;
DJNZ R7,DYZF10;连续检测到三次
; PR=0
DYZF11: JNB P1.4,DYZF11;等待检测到PR=1
DYZF2: MOV R7# 03H连续检测三次
DYZF20: JB P1.3,DYZF2;PT=l跳转DYZF2
DJNZ R7,DYZF20;连续检测到三次
PT=0
DYZF21: JNB P1.3,DYZF21;等待检测到PT=1
DJNZ R6,DYZF2;找到待打印的字符
CLR P1.0;触发打印线圈通电
LCALL DLRS;调延时子程序,触发时间常数R5
SETB P1.0;触发打印线圈断电;
RET ; 退出
DLRS: MOV R4,
DLRS: NOP
DJNZ R4 DUISI
DJNZ R5,
RET
需要进纸时,可按动进纸开关S,由P12采集到低电平,单片机则连续执行换行打印,实现打印机的进纸。在实际应用时,如果出现打印错误,可调整R5打印线圈的触发时间常数。(漆小平)