功放在一套Hi-Fi系统中起着非常重要的作用,它的品质直接影响到音质的优劣。通常,生产厂家因为成本、技术或其它的原因,对中低档功放制做得不尽完美,留下了一些缺憾,但这也给发烧友提供了广阔的实践天地,发烧友完全可以根据自己掌握的技术,选用合适的材料精心改进,使自己的功放性能得以改善。
市售的套装机中的功放和大部分国产功放以及进口的中低档功放都可以打摩升级。而对于高档功放,一般不推荐摩机,这是因为生产厂家在设计制做这些功放时对各种因素都作了充分的考虑,而且一般在线路设计上也有特色。
下面就一般功放的摩机措施加以介绍。
一、电源的改进
优秀的Hi-Fi器材,在电源制作上都是肯下功夫的。一般在整个放大器中电源的成本要占到三分之一,欧美和日本的一些音响制造公司甚至认为,一台优秀的功放,电源成本要占到整个功放的一半。因此,发烧友在摩机时应在电源上多花些功夫。实践证明,精心打摩电源会取得明显的效果。
Hi-Fi功放对电源的要求主要有以下几方面:
1.输出电压恒定,输出阻抗小。在理想情况下,电源内阻应为零,但实际上这是不可能的,因此在实际应用中要求电源的输出阻抗越小越好。
2.充沛的能量供应。这就要求电源变压器有足够的功率储备,整流二极管或桥堆的电流容量和滤波电容的容量要足够大,以保证在大动态时电源能给放大器供给充足的能量。
3.速度要快。
从变压器到滤波电路都要有高的反应速度,从而保证为放大器瞬时快速提供足够的能量。
4.良好的频率特性。
放大器工作在比较宽的频带内,因而要求电源在相应的频率范围内要有比较好的频率特性,为各种频率的音频信号一视同仁地供电。
5.尽可能小的干扰。
这主要是针对变压器。电源变压器无论制作工艺如何完善,不可避免地要产生漏磁,这些漏磁会通过线路板上的闭合地线回路产生干扰,影响到Hi-Fi欣赏效果。因此要选用漏磁小的变压器,并合理安装和布线,以减小对电路的干扰。
发烧友在摩电源时可按以上几个方面进行。在电源变压器功率能满足要求的情况下,对未屏蔽的变压器用铁皮屏蔽盒进行全方位屏蔽,屏蔽盒最好是全封闭的,以防漏磁。如果考虑散热,以开最小限度的槽形斜散热孔为宜。屏蔽盒不直接接触变压器,两者之间有10mm左右的距离,屏蔽盒妥善接地。变压器的位置必须尽可能远离线路板,尤其要远离前置输入部分,并将其漏磁最弱的方向朝向输入端。为减少干扰,变压器也可以斜放。能用到优质环形变压器更好。对那些本身素质较好的功放,电源变压器应选用性能优良,有较大功率余量的变压器,这会明显改善功放性能的。
滤波电容要有一定容量,一般不应小于l0000μF,而且要选用音响专用高速低感电解电容,能用到补品更好,但补品价格较高,发烧友可根据自己的情况而定。但要注意滤波电容也不要选太大的。一方面,容量大到一定程度后,再增加电容容量时也不能明显感到音质变化,另一方面,必然要增加成本和体积,建议滤波电容不要超过20000μF为宜。在正负电源输出并接的无感CBB电容可以减小电源的高频内阻。另外有些功放的电源退耦电容容量太小,如有的功放用数十微法电容,可将这些电容换作470μF——1000μF的电容,并在输入级和电压放大级退耦电容上,并联小容量无感薄膜电容。
关于功放整流二极管(或桥堆),很多资料介绍要用快恢复二极管,笔者以为不妥,这是因为在电源的速度方面,二极管的影响要较滤波电容小得多,而且一般电源滤波电容容量很大(10\(^{4}\)μF或更大),变压器内阻较小。开机冲击电流很大,容易将采用平面外延工艺制造的快恢复二极管损坏。笔者主张在功放整流电路中用有足够电流容量的普通二极管或桥堆。
目前,在有些功放中已开始采用性能优异的开关电源,这种电源克服了传统的整流滤波式电源的一些弱点,省去了庞大的电源变压器和滤波电容,而电源的动态指标却提高了许多,表现在高低频内阻降低,能量注入的速度提高,电源的频率特性和瞬态响应得以改善,采用这种电源能明显改善音质,使音场定位更准确。
二、前后级独立供电
一般合并式功放的输入级、电压放大级和电流放大级都采用同一电源供电,市电经降压、整流滤波后直接为线路供电。这种供电方式线路简洁,制作方便,但也存在不少问题,尽管滤波电容足够大,但还是有一定的波纹电压,电流放大级无电压增益,故这种波纹电压对该级影响不大,但电压放大级有一定的电压增益,波纹电压经电源耦合到该级后会产生交流干扰,从而使整机性能下降,另外在大动态时电源电压都要有一定的下降,这种变动的电压将使电压放大级产生失真。要解决这个问题只有采用前后级独立供电方式,电流放大级用未经稳压的直流脉动电压供电,输入级和电压放大级由稳压电源供电,电压可比电流放大级略高一些,该级最好能采用对称跟踪式稳压电源供电,这些举措可以有效地减小交流干扰,提高信噪比,稳定工作点,使前级的工作状态不再随输出功率的大小变化而变化,而且适当提高该级电源电压后,可以使电压放大级有更大的动态范围,进一步减小失真。
因为前级要采用稳压方式供电,并且要适当提高该级电源电压,原变压器就不能胜任了,可以再选一个输出电压较高、品质较好的小功率变压器,并且合理装配以减少干扰。如果这个变压器能采用优质环形变压器,性能会更好。
另外在滤波电容两端和稳压电源输出端要共接小容量无感聚丙烯电容,以减小电源的高频内阻。
三、用优质元器件替代普通元器件
由于考虑成本,一般中低档功放用料不太考究,这种现象在低档功放和套装机中最为明显。对发烧友而言,有必要对其中关键的元件器件用优质的元器件替换,以获得更好的音质。这虽然是取简单的常规摩机办法,但你会收到比较明显的效果的。
普通功放大多为交流放大器,也就是说在音频通道和反馈电路中采用电容器,而且大多为普通电解电容。这种设计有许多好处:级间直流隔离,工作点互不影响,温漂较小,电路设计简单,成本低廉,但这是以音质劣化为代价的。普通电解电容频率特性并不理想,对低频信号将呈现一定容抗,在高频段存在感抗,漏电也不可避免,这无形中也会产生失真。发烧友可将这些关键电容用优质电容替换,耦合电容可用同容量或容量稍大的钽电解、无感聚丙烯电容或补品电解电容替换,反馈电容用钽电解或补品电解替换。
集成电路的出现,使中低档功放设计变得简单(在音频电路中分立元件和集成电路相比有许多优点,所以高档功放和相当一部分中档功放仍然采用分立元件设计)。但在功放中不宜用LM324之类的通用型运放,而应选用性能更好的NE5532、NE5534、NE5535、LT1028之类的高速低噪声运放,介绍这些运放的文章很多,读者可参阅有关文章。
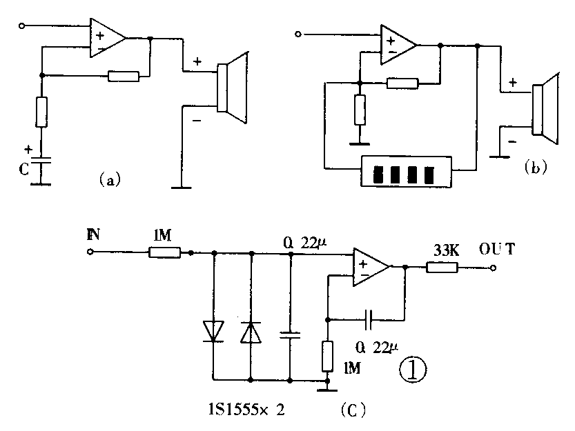
四、采用有源直流伺服电路
放大器在工作时,由于温度变化等原因,直流工作点将会偏离正常值,这将使放大器进入不良工作状态,严重的会烧毁功放管或功放集成电路,对设有中点保护电路的功放将会导致保护电路动作,无法使放大器正常工作。针对这种情况,在设计放大器时,一般在反馈电路中串入一个数十微法到数百微法的电解电容C(如图1a),使直流反馈为百分之百,从而有效地抑制输出点直流电位的漂移。但这也带来了许多问题,由于电容对不同频率的信号呈现不同的阻抗,从而使放大器频率特性变差,同时也产生相移,音质变差。采用直流有源伺服电路,可以很好地解决这个问题,方法是短路图1a中的反馈电容C,在输入与输出之间接入如图1c所示的有源伺服电路,具体接法如图1b所示,运放可采用性能较好的单、双运放,如NE5532、NE5534、LF353、LF356、TL082等。

直流有源伺服电路实际上是一个低通滤波器,它将截止频率设计得很低,使之衰减交流信号,而对直流信号呈现很大的增益,从而对输出点任何直流电位的变化都反映在输入端,有效地抑制直流电位的漂移。这种电路能在很宽的范围内抑制中点电位的漂移,而且能有效地克服功放集成电路在播放大动态节目时输出点零电位漂移的缺点。
五、合理选用推动管
在制作功放时,大家对电流放大管选用高截止频率、大功率管的重要性有充分的认识,但对推动管选用高截止频率、高功耗管的重要性认识不足。实际上当今的大功率功放输出电流都很大,这就要求推动管也要提供足够的电流以驱动电流放大管。大功率功放瞬时输出电流可能达数安培,考虑到一般电流放大管放大倍数在50-80之间,推动管的推动电流也要达数十毫安,加上静态电流,推动管的电流也要在100mA左右或更高,如果再考虑到末级工作状态甲类所占的比例,推动管的电流将会更大,这对于小功率管来说显然是力不从心。因此高品质功放的推动管大都采用中功率管,有的甚至采用大功率管,而且加装散热器。
鉴于以上原因,对一些推动管太小的中低档功放,可以考虑将推动管换为10-25W,截止频率高的中功率管,如2SC2275A,2SA985A等,而且应在推动管上加装散热器,并根据电路的具体形式适当调大静态电流。这一举措对那些工作起来有些拖泥带水的功放的音质会有一定的改观,而且由于静态电流的增大,功放在小电流时工作在甲类,因而音质会变得更为甜美。不过调整静态电流一定要慎重,应在适当的范围内调整,以免不慎损坏大功率管。调整静态电流后要重新计算功放管射极电阻的功耗,然后选用适当功率的精密电阻替代原来的电阻。另外对设有过流保护的功放,在调整静态电流后要重新设计保护电路阀值电压,以免保护电路误动作。
六、改进平衡电位器的接法
绝大多数普通功放的电位器用一只单层碳膜电位器采用图2a的接法,这种接法虽然简单,但也有些缺点,首先是当电位器活动臂调到中间位置时控制效果变得不明显,也就是说调节呈非线性状态,其次由于碳膜的存在,在触点附近有一部分信号绕过触点而未被短路入地,从而等效于在两声道之间有一电阻存在(如图2b所示),产生串音,影响隔离度。如果采用一只双联同轴线性电位器采用图2c的接法,左右声道输入分别反相接在双联电位器的左右两端,旋转时利用双联电位器活动臂所取得电阻值进行线性调节,控制左右声道,就可以解决图2a接法带来的问题。

七、改进接地和电源走线
关于接地,在音频电路中是一个老话题了。一定要采用并联一点接地(接到滤波电容上),避免串联接地。如果电源有多组输出,应采用图3的接法,以避免地线信号之间的相互影响。对于某些变压器同一绕组输出两组或两组以上不同电压的电源,如图4a所示,应采用图中所示接地方式,不可采用图4b所示接法。在图4b接法中,两组电源电流在AB段耦合,相互串扰,从而会带来噪声。


功放在工作时,电源瞬时输出功率有可能很大,这时电源线上电流很大,因此对于有些电源走线太细的功放,应该将直流电源输出点与电流放大级电源端之间的连线加粗,可以用粗铜线并在两者之间,以减小供电通道上的电阻。另外,对大电流部分的地线也采用这种办法加粗。
八、改进布线及散热
在中低档音响,尤其是套装组合机中,经常可以看见将许多线路板之间的连接导线大把大把捆扎在一起的现象,这种做法虽使机内布线整齐,但容易产生干扰。应该对这些连线区别对待,对于直流电平的走线可以将它们捆扎在一起,但对于信号走线,最好散开不扎,以免互相干扰,虽然有些凌乱,也无关大局。特别应该注意弱信号线要尽量远离强信号和电源线,也要避开交变磁场。在一些单面印制板中设计者为了减少飞线,以利装配,往往在线路板中布上长又细、间距很小的平行走线,这种做法,在低性能音响中弊端可能不太明显,一旦性能提高,如频带展宽,高低频提升,功率增大,由于信号之间的相互耦合,问题就表现出来了,一般情况下表现为失真严重,噪声变大,严重的会产生自激。对这种情况,应该对走线的种类加以分析,在搞清楚走线的成份和信号的强弱后采取改进措施。如果平行走线之中的信号线之间有比较明显的干扰,可切断其中部分信号走线,用导线单独走线,对于一些为了避免飞线而走的细长线,必要的话可切断原走线,改用导线走飞线。这些措施能起到减少干扰,净化音质的作用。
有些功放大功率管和散热器之间没有涂硅酯,发烧友可在这些管子上涂上硅酯,减小管子与散热器之间的热阻,提高整机工作稳定性。
摩机是一项技术性比较强的工作,摩机者除了要具备一定的电路和器件知识外,还要持科学态度,客观分析电路,不可盲从他人,更要有经济头脑,注意系统各单元电路素质高低和器件档次的匹配,用较小的搞入获得最大收益。(杨兴华)