LS7232电路的运用,使各种灯具产品面目一新。不用开关就可以实现灯光的开、关及调光控制的灯具,深受用户欢迎。但是由于LS7232电路采用PMOS工艺,在实际应用中存在一些问题:如易受干扰、调光不稳定、容易发生闪烁现象、功耗较大等,因而LS7232的应用推广有一定困难。所以,许多IC生产厂积极研制采用CMOS工艺制造的触摸调光电路CS7232。
CS7232具有LS7232的一切优点,并且可以替换LS7232。以下我们就来介绍新一代触摸调光电路CS7232的特性与应用。
一、CS7232的特性
1.完全替换LS7232;2.采用CMOS工艺,功耗只有400微安,只为LS7232功耗的五分之一;3.采用宽电压工作:3伏至12伏均可,常用5V;4.触摸灵敏度可调节;5.内部有锁相环同步电流,使得CS7232可以用于墙壁开关及电机调速控制;6.导通角调节范围为41℃至159℃;7.可以控制50Hz及60Hz的交流电。
二、CS7232引脚
CS7232电路采用8脚双列直插式封装,外形见图1a,引脚功能见图1b。由图1可知,CS7232与LS7232的引脚排列是完全一样的,但内部的连接是不一样的,CS7232只需引出8条引脚,而LS7232在内部引线时必须引出9条引脚,需将衬底接地。但这一点并不影响两者的外部互换性。

以下是各引脚的功能说明:
1.V\(_{SS}\)(1脚):电源负极;
2. DOZS(2脚):如果在该脚输入一个负脉冲,那麽灯光变暗一点,要使灯光从最亮变到最暗,共需83个负脉冲;
3.CAP(3脚):外接一个容量为474P的瓷片电容器,这是内部锁相环需要的;
4.SYS(4脚):频率同步端;
5.SEN(5脚):触摸控制输入端,低电平有效;
6.SLAVE(6脚):长线触摸控制端;
7.V\(_{DD}\)(7脚):电源正极,电压范围为3~12伏;
8.OUT(8脚):灯光控制输出端。
三、触摸过程
当触摸SEN端的时间在32ms至332ms之间时,灯光的变化为:

(保持熄灭时的亮度,即电子记忆亮度)。
当触摸SEN端的时间大于332ms时,灯光的亮度发生变化,每次触摸时,灯光的亮度变化方向(即从亮到暗或从暗到亮)是相反的。灯光变化一次的周期为7.64秒。
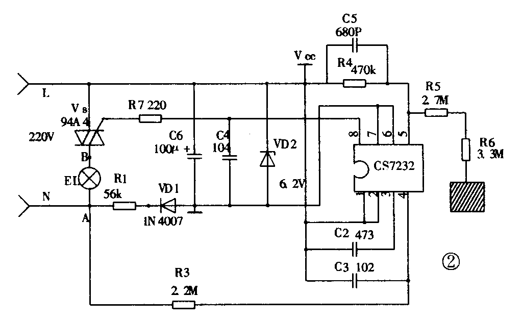
四、与LS7232相互代用电路图
图2为CS7232的典型应用电路图,图中所用元器件仅比采用LS7232电路时多用C5、C4两个电容器,其余完全一样,稳压管VD2应改用6.2伏。

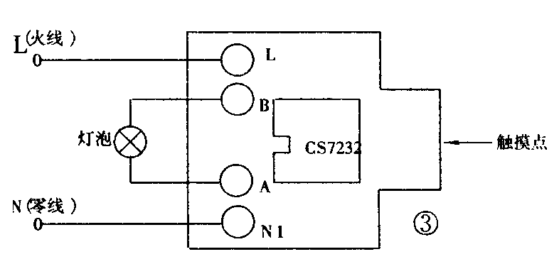
图3为图2成品板接线图,如果使用LS7232的成品板,只需在IC的第8脚与第7脚之间并一个104的电容器,并将稳压管换成6.2伏即可。

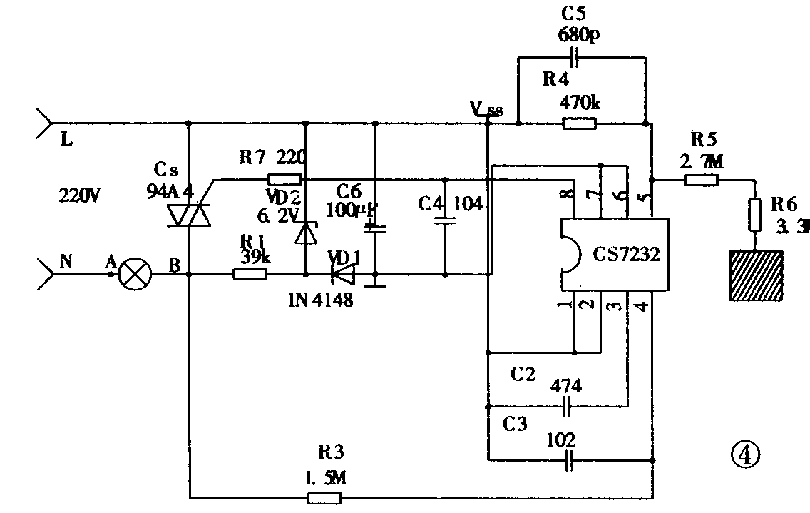
五、灯光墙壁开关控制方法
图2与图3一般用于台灯及宾馆床头柜灯光的控制,但是在许多场合我们只能采用图4的方法,才能满足要求。因为普通的墙壁开关只是控制灯光的火线,并不存在电路零线,如果要控制灯光的亮度则只有采用图4的方法。但此方法LS7232电路实现不了,这主要是它的静态功耗太大,可见CS7232的应用范围将更为广泛。图4用于单线控制的CS7232触摸开关,可以完全替换普遍开关,从而使普通开头具有调光功能,这是LS7232所不能达到的功能。

图5是用于墙壁开关的CS7232接线应用图。 (杨跃华)
