现代电子技术中,有许多领域应用了石英晶体振荡器。其目的是为了获得高稳定的信号频率。
通信中,信号的频率稳定度直接关系着通信距离,抗干扰能力和给定频带内的信道数目。由于越来越多的频率被使用,从而使占用频率十分拥挤,避免干扰唯一有效途径只有提高信号的频谱纯度和频率稳定度。在多路通信频分割技术中,信号的频率稳定度要求优于10-9量级,以防止信号互相干扰。数字通信中为不发生误码,收发端要求严格同步,其信号频率稳定度为10-10量级。宇宙通信中,为增大通信距离,广泛采用了压缩带宽技术,譬如将10MHz带宽压缩到1kHz,其效果相当于增加发射功率一万倍。世界范围内迅猛发展的移动通信,要求信号的频率稳定度应优于10\(^{-7}\)量级。军事电子通信对抗——即通信战中所采用的扩频通信,跳频通信,自适应通信系统中,都对信号的频率稳定度,提出了特殊的要求。
此外,在雷达,导航中,信号的频率稳定度决定了目标方位和目标距离的精确度和准确性,一微秒导致的定位误差为300米,若要求定位更准确,相应的频率稳定度则要求更高。在卫星发射,回收,测控,在航天飞行,在计算机和测试仪器中都应用了高稳定石英晶体振荡器。
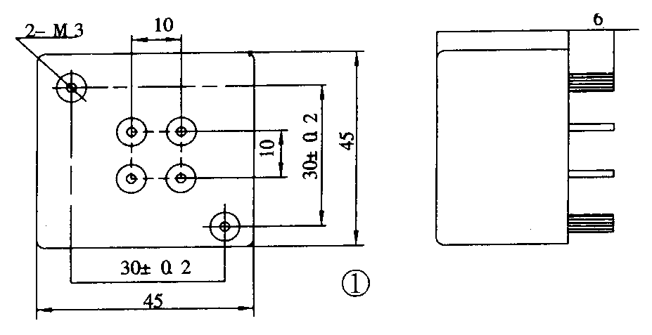
本文向读者介绍几种10MHz低噪声高稳定度恒温晶体振荡器,可以满足上述部门和系统的需要。它们的型号是OF1610lA/B、OF16102A/B,外形见图1。这些晶体振荡器在1994年第五届全国高稳晶振比对测试中获奖,其主要性能见附表。


文中介绍的DF1610lA/B.DF16102A/ B型10MHz低噪声高稳恒温晶体振荡器的特点是体积小、重量轻、指标高、价格低(仅为国外同类产品价格的1/2~1/5),起动特性好,一般在3分钟内恒温糟趋于热平衡状态,15分钟即可进入10\(^{-8}\)数量级。预热24小时后,其老化率可达10-9~10\(^{-1}\)0数量级,具有单边带相噪低和长、短稳兼优的特性,其指标为国内先进水平。
该晶振符合电子部Ⅱ组仪器试验条件、并贯彻国家安全要求和电磁兼容试验规范要求。是通信、雷达、导航、卫星测控等设备的理想选件。 (丁金义 管冶春)