免维护微型全密封蓄电池(简称微型蓄电池)是目前发展较快的无污染新型酸铅蓄电池,外形见图1。

特点与主要参数
本文介绍的微型蓄电池具有以下特点:
(1)内部无流动液体,任何方位放置均不影响使用。(2)整个使用期间无需补水补酸等维护工作,电池外表干净不会受潮。(3)充电过程中所产生的气体能被特殊负极板吸收,实现整体全密封,无须担心对电器设备的腐蚀及污染。(4)正确使用状态下,其循环充放电超过300次以上,使用寿命可达3年。(5)具有极低的内部自放电特性,其自放电率小于1%。
微型蓄电池的性能与镉镍蓄电池十分相似,但造价却比镉镍电池低许多。目前已广泛用于科研检测、UPS电源、自动化控制系统以及防盗报警、电子玩具、应急灯、摩托车等电器设备中。附表列出几种常用微型蓄电池的主要特性,供读者参考。

使用方法
微型蓄电池的寿命与正确使用有着密切关系。通常产品都附有《使用说明书》,甚至在蓄电池壳体上也印有使用标准。在使用前一定要了解该电池的性能特点,不能盲目使用,以免造成性能下降甚至损坏。下面介绍使用方法:
1.初次充电:这种微型蓄电池在出厂前已按严格工艺进行了初充电,但由于存储周期,运输等原因,在初次使用前,应先对蓄电池进行补充电,然后再使用。
2.正常充电:正常充电是蓄电池使用中的必须手段。在存放或使用过程中,因存在自放电或使用放电,当6V电池被放电到5.4V以及12V电池放电到10.8V时,必须即时对蓄电池进行充电,否则将造成过放电而损坏电池。
在进行经常或定期充电时,其充入容量约为放出容量的1.2倍。最初使用的头几次,充入容量宜为l.4倍,做到深充深放,以保证电池蓄电量。当6V电池充电电压上升至7.5V,以及12V电池电压上升至15V,表示充电结束。但应注意在充电过程中,充电电流不能大于其允许值,也不宜小于正常充电率的50%。
3.浮充电:
浮充电是蓄电池经常采用的一种运行方式。浮充电源常与蓄电池并联一起使用,它既向负载提供电流,并以一定的电流向蓄电池充电。当负载突然接入或加重时,蓄电池即对负载放电,恢复正常时,浮充电源又给蓄电池充电。例如机动车上蓄电池的连接,便是一种浮充电运行方式,它保证蓄电池始终处于满电量状态。
正常的浮充电:6V蓄电池端电压应维持在6.6~6.9V,12V蓄电池应维持在13.2~13.8V之间,如端电压偏高或偏低,应重新调整浮充电源的工作点。
4.快速充电:通常,这种微型蓄电池是不能采用一般充电装置增大充电电压来缩短充电时间的,而只能采用专用脉冲充电机使充电时间缩短,否则不仅不起快速作用,而且极易损坏蓄电池。
5.充电方法:
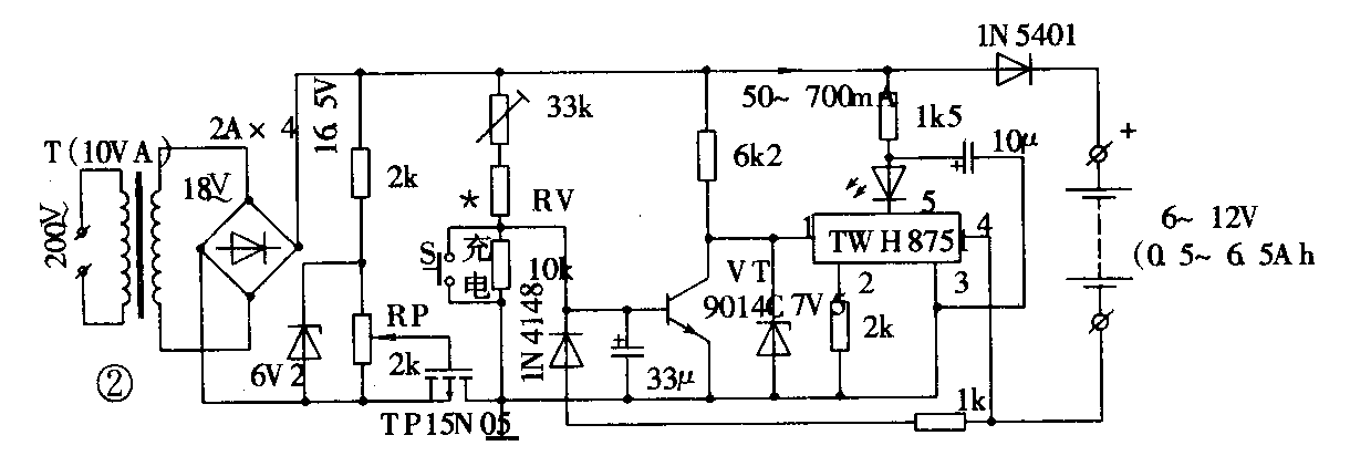
给蓄电池充电一般有恒压充电法、恒流充电法、分阶段充电法以及电子自动控制综合充电法多种。这里介绍一种自动恒流充电电路,能满足附表所列微型蓄电池的充电要求,电路见图2。

这种自动充电机为100Hz脉冲波型,采用FET场效应管作恒流,其恒流值由RP在0.05~0.6A之间调节,控制电路以TWH8751为核心构成。以12V蓄电池为例,当充电电压上升至15V时,VT1导通,TWH8751关断并自锁,若要更换蓄电池再充电,按一下启动键即可。附表中,不同电压和电流档次的微型电池,只要根据规定的充电电流调整RP恒流值和RV电压值即可。
使用注意事项
(1)充电电流不能大于最大允许值,电池温升不能超过35℃,否则应暂停充电。
(2)微型蓄电池的正、负极,应使用叉夹或插头联接,严禁采用烙铁焊接,以免损坏电池。
(3)蓄电池宜充充、用用,用用、充充,不能长期搁置,即使不使用,应每月定期补充后存放。如搁置超过二个月以上而不充电,将有可能成为废物。
(4)严禁自行拆卸密封盖以及加水加液。
(5)蓄电池极片及电解质为厂家特制品,损坏的电瓶在业余条件下难以修复,需重新购置。 (蔡凡弟)