一台松下画王TC-29V2H型29英寸直角平面遥控彩色电视机,通电开机后无光无声,按遥控器上的“POWER”键,待机状态指示灯亮,但取消待机状态后,整机仍不能正常工作。
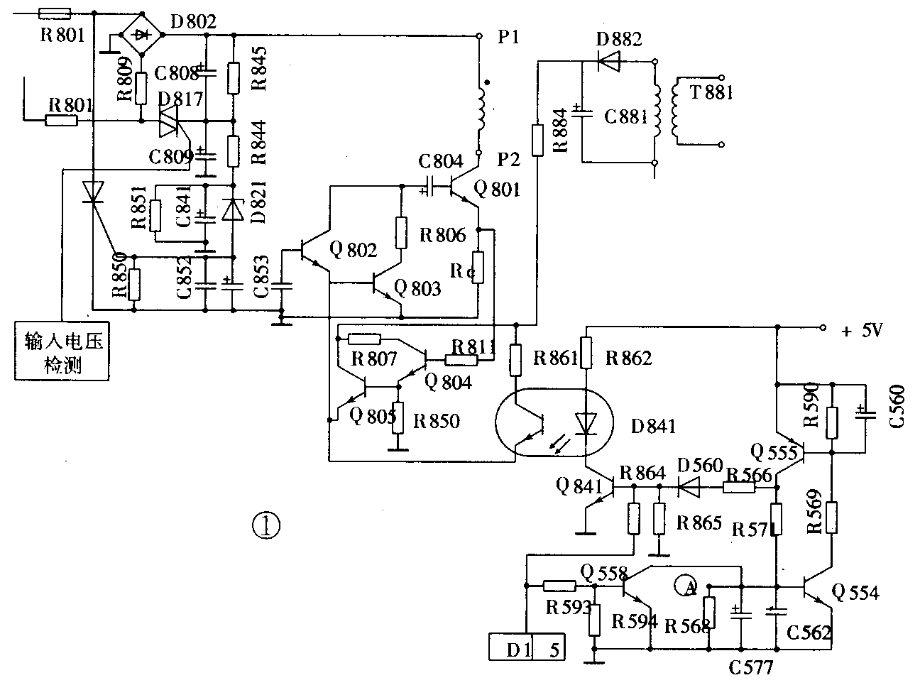
故障分析:松下TC-29V2H属松下M16M/S机心。从上述现象上看,出现无光无声故障的原因可能是“待机”状态控制电路异常引起的。该机待机状态控制电路由图1所示的Q841、D841及其外围电路组成,其作用有两个:(1)在正常情况下,当TV(电视机)接到待机指令时,使主电源开关变压器电路停振。此时,除遥控电源(+5V)外,B+电源全部关断,TV进入无光、无声的待机状态;(2)当图1中的A点接收到高电平的保护动作指令时,将主电源关断,使TV进入保护工作状态。

待机指令来自中央微处理器IC1213的33脚。当有待机指令时,接插件D1的5脚呈现高电平,使Q841管导通。+5V遥控电源经电阻R862到光电耦合器D841,为Q841管提供集电极电流Ic,使光电耦合器D841内的光电二极管开始工作。这时,遥控电源开关变压器T881次级产生的感应电动势E,通过D882、C881整流滤波后,再经R884、R861送至Q803管的基极,使其导通,结果使主电源开关管Q801因其基极电流Ib被旁路而截止,自激振荡电路停振。此后,由于D1插件5脚始终保持高电平,所以Q841、Q803保持导通,Q801维持截止,使TV处于待机状态。
从上述分析可看出,当整机处于待机状态时,D1插件的5脚为高电平,Q841、Q558管均处于导通状态;当整机正常工作时,D1插件的5脚为低电平,Q841、Q558管均处于截止状态。另外,当A点(Q554管的基极)电压因某种保护单元电路动作而升高时,即使微处理器的待机状态已取消,但仍会使Q841管导通→主电源被切断→引起无光无声故障。当然,如保护电路中Q555管的c-e结击穿短路也会使Q841管导通,从而引起无光无声故障。这后两方面的原因在检修中也不能忽视。
综上所述,出现本例故障的原因可能有以下几方面:(1)微处理器IC1213的33脚内电路不良,始终有高电平信号输出,导致D插件的5脚始终保持高电平;(2)开关管Q841的 c-e结击穿短路,使光电耦合器D841一直处于工作状态;(3)Q555管的c-e结击穿,使+5V电源通过Q555管击穿短路的集电极→电阻R566→D560→Q841的基极(经电阻R865分压),使其始终导通;(4)A点(Q554管的基极)之后的某一保护单元电路动作,使此点电压升高→Q554、Q555管相继导通,+5V电源经Q555导通的e-c结→电阻R566→D560→Q841管的基极,使其一直保持导通状态。
故障排除:(1)通电开机,按遥控器上的“POWER”键,使整机处于非待机状态,用万用表DC档测D1插件的5脚为低电平,说明微处理器所处的工作状态正常。(2)测Q841管的基极电压为高电平(约4V左右),说明此时Q555管处于导通状态,但检查Q554却为截止状态,这只能说明Q555管的e-c结已击穿短路(因为正常情况下,只有当Q554管导通后,Q555管的基极因得低电位才导通。而此时在Q554管截止的状态下,Q555管已导通,这只能说明其损坏)。关机,将其拆下检查,果然如此,将一只新的原型管换上后,故障排除。
小结:现代彩电其集成化程度不断提高,但以分立元器件设计保护系统的松下M16M/S机心,能在竞争激烈的市场上占有一席之地,不能不令人刮目相看。该机心的保护系统电路简洁,动作可靠,而且职责分明,互不牵连。保护电路的动作是由Q554、Q555等元器件来完成的。当Q554管的基板(即A点)由于某一保护单元动作而电压升高时,Q554、Q555管相继导通,+5V电源经Q555管导通的e-c结→R566→D560加至Q841管的基极,使其导通,将+B电源切断。同时,Q555集电极电压经R571馈至Q554管的基极,将保留状态自锁。
保护复位动作过程如下:当按下遥控器上的“POWER”键时,IC1212(微处理器)的33脚发出待机指令,使D1插件5脚呈高电平,一方面维持Q841导通,另一方面使Q558导通,从而将A点对地短接,此时,由保护动作转换为待机动作。由此可见,待机指令具有优先权。
若待机指令被撤消,电路的工作状态是否翻转,则取决于A点的高电平是否存在。只有故障排除后,保留动作方可被待命指令复位。
本例故障,由于Q555管击穿短路,+5V遥控电源经Q555管导通的e-c结→R566电阻→D560→D841管的基极,使其一直保持导通状态→+B电源全部关断→TV一直保持无光无声的待机状态。
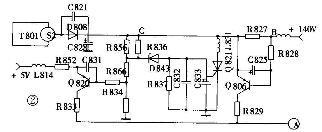
另外,该机心采用分别检测、集中动作的保护形式。A点即为集中保护动作点。A点之后的各有关保护单元电路主要有:(1)140V(+B)电源过载保护。该电路只用了5只元器件,当+140V电源负载电流因有故障而异常增大时,电阻R827两端电压降随之升高,B点电位下降而使Q806管导通,致使A点电位升高→保护电路动作(相关电路如图2所示)。

(2)140V(+B)过压保护。当140V电压异常升高时,图2中C点电压也升高,该电压经R836、R856、R866、R835分压后,使齐纳二极管D843(10.4V左右)击穿,触发可控硅Q821导通。C点被钳位于低电位,结果使Q820基极电位低于发射极电位而导通。这样,+5V电源经L814→R862电阻→Q820导通的e-c结→电阻R833→A点,使A点电位升高,实现保护目的。
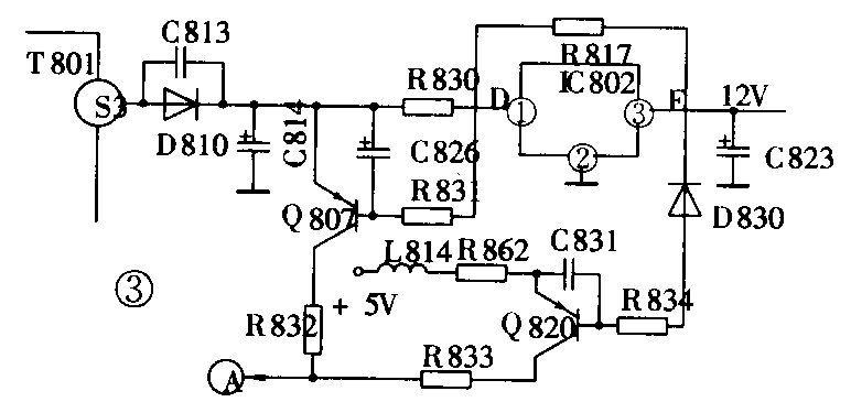
(3)12V电源过载保护。当12V电源负载电流过大时,流过检测电阻R830(相关电路如图3所示)的电流将增大,其两端电压降随之升高,使D点电压下降,Q807管的发射极正偏而导通,A点为高电平,保护电路动作。

(4)+12V电源短路保护。当图3中12V稳压器IC802输出端3脚对地短路时,E点电压下降→D830导通→Q820管导通。+5V电源经L814→R862→Q820导通的e-c结→R833→A点,也使保护电路动作。
(5)垂直电路过载保护。当图4中的垂直电路过载时,回扫变压器FBT的8脚流经R578的负载电流增大,R578电阻两端电压降相应升高,F点电压下降,Q557管导通,电容C554正极端电压→电阻R570→Q557管导通的e-c结→电阻R577→A点,使A点电压升高,保护电路动作。

(6)行输出电压过高保护。当某种原因使行脉冲输出电压过高,使图5中G点电压超过108V时,3只36V齐纳二极管D558、D579、D580均导通,A点为高电平,保护电路动作。

(7)CRT加热器过压及电子束过流保护。采用M16机心的大屏幕彩电设有CRT加热器(相关电路如图6所示)。当FBT的5脚电压异常升高时,经D555、C566整流滤波输出的电压也相应升高,这一电压经电阻R564使Q553管导通,且经过Q553管导通的e-c结→电阻R574→A点,使A点变为高电位,保护电路动作。

当电子束电流异常增大时,FBT的3脚的电压下降→Q553管导通,则电容C566正极端的电压经R564、R565电阻分压→Q553导通的e-c结→电阻R574→A点,使得A点电位升高,保护电路动作。 (刘丽华)