电视机中的显像管都采用了磁偏转系统。如果采用单一磁场,由于显像管的曲率半径大于电子束扫描轨迹的球面曲率半径,电子束在扫描过程中虽然有着相同的角速度,但在屏幕上的线速度并不相同,离屏幕中心越远的区域,其线速度越快,这使光栅的每一行左右边缘部分拉长,每一场上下边缘部分拉长,导致光栅产生行、场扫描的非线性失真;同时,还使光栅四角部分拉长,导致光栅产生如图 1(a)所示的枕形失真。这种失真,对90°(偏转角的显像管来说,可以用一种特殊设计的偏转线圈产生一个复合偏转磁场来消除。但这种方法只能消除110°偏转角的显像管的上下枕形失真,对左右枕形失真却无法消除,光栅仍会产生如图1(b)所示左右枕形失真(也称东西枕形失真)。为了校正这一失真,需将行扫描电流调制为近似场抛物波包络的形状(如图2所示),使上下中心部位的行偏转电流加大,加快其行扫描速度,而在上下边缘部位则相对减小行扫描速度。改变行扫描电流的方法有两种。一种是在行偏转线圈中串联一个可变电感,如磁饱和变压器;另一种是改变偏转线圈的激励电压(即S校正电容两端的电压),如采用二极管调制器。


一、磁饱和变压器枕形失真校正电路
在中小屏幕彩色电视机中;通常是采用磁饱和变压器(可变电感)来实现左右枕形失真校正的。图3(a)是其典型电路。电路中L串联于行偏转线圈回路中,其电感量是按场抛物波规律变化的,因此流过行偏转线圈电流的幅度被调制成图2的形状,从而实现左右枕形失真校正目的。这种电路的优点在于电路简单,但性能较差。这是因为此电路中L的电感量是变化的,因此行逆程脉冲的幅度在场期间也是变化的,如图4所示。这对由回扫变压器FBT输出的各种辅助电源电压包括显像管的阳极高压来说是一个不稳定因素。另外,此电路对磁饱和变压器的参数要求较严,在使用过程中通常会出现枕校量不足、行线性劣化、左右校正不对称等问题。


在大屏幕彩色电视机中,有些显像管(如松下29英寸)屏幕曲率半径较大,仅靠偏转线圈的特殊设计,难以完全消除上下枕形失真。采用磁饱和变压器枕形失真校正电路可作上下枕形失真校正补偿电路。图3(b)是松下M16M/S机心“画王”大屏幕彩色电视机电路中采用的上下枕形失真校正电路。其原理此处不再赘述。
二、二极管调制器型左右枕形失真校正电路的原理
在大屏幕彩色电视机中,普遍采用改变行偏转线圈激励电压的方法来实现左右枕形失真校正。这是因为大屏幕彩色电视机所用的显像管均采用110°偏转角,需要较大的枕校量,因此磁饱和变压器枕校电路已不能满足需要。二极管调制器型左右枕校正电路就是一种采用改变行偏转线圈激励电压的方法来实现枕校正的。它不仅克服了磁饱和变压器法电路的缺点,而且具有一些特殊的优点。下面对这种二极管调制器左右枕形失真电路的原理作一说明。

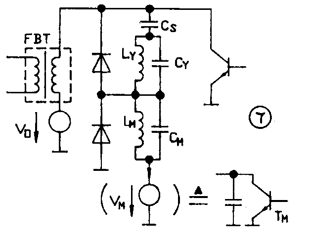
图5是一包含二极管调制器的行偏转级基本电路。
其中,L\(_{Y}\):行线圈
L\(_{M}\):调制线圈
V\(_{M}\):调制电压
V\(_{O}\):供电电压
S1、S2:电子开关
假定行扫描时间T\(_{H}\)分成正程TS和逆程T\(_{F}\)两部分,则有:
T\(_{H}\)=TS+T\(_{F}\) (1)
在扫描正程期间(S1、S2接通),电感L\(_{Y}\)、LM直接接于电压源V\(_{O}\)和VM,有:
V\(_{LY}\)=VO-V\(_{M}\) (2)
V\(_{LM}\)=VM (3)
i\(_{LY}\)=t(VO-V\(_{M}\))/LY (4)
i\(_{LM}\)=tVM/L\(_{M}\) (5)
由于电流i\(_{LY}\)和iLM必须零对称(平均值为零),其峰值在扫描正程的后半部得到:
i\(_{LY}\)max=TS(V\(_{O}\)-VW)/(2L\(_{Y}\)) (6)
i\(_{LY}\)max=TSV\(_{M}\)/(2LM) (7)
此后,S1、S2断开,电感L\(_{Y}\)和LM中的能量传输给C\(_{Y}\)、CM,假定:
L\(_{Y}\)CY=L\(_{M}\)CM=L\(_{C}\) (8)
则C\(_{Y}\)、CM在回扫时间的半处T\(_{F}\)/2都达到其电压的峰值。
扫描正程结束时,电感中存储的能量为:
E\(_{L}\)=L×iL×i\(_{L}\)/2 (9)
能量全部传输给电容:
E\(_{C}\)=C×Vcmax×VcmX/2 (10)
由此可以得到回扫期中间的峰值电压:
V\(_{C}\)max=-iLmax \(\sqrt{L}\)/C+V初始 (11)
由(6)和(11)式,可得:
V\(_{LY}\)max=VCYmax=(V\(_{O}\)-VM)(1-T\(_{S}\)/2\(\sqrt{LC}\))(12)
由(7)和(11)式,可得:
V\(_{LM}\)max=VCMmax=V\(_{M}\)(1-TS2\(\sqrt{LS}\))(13)
行回扫电压峰值:
V\(_{LTR}\)=-VLYmax-V\(_{LM}\)max=VO(T\(_{S}\)/2\(\sqrt{LC}\)-1)(14)
由(6)式可知,偏转线圈的峰值电流可通过调制电压V\(_{M}\)来改变。
由(14)式可知,行回扫电压峰值与调制电压无关。
电流与电压的波形如图6所示。

实际电路中,偏转线圈中串接一S校正电容C\(_{S}\) ,S2由两只二极管充当,TM驱动器接地,如图7所示。

通常情况下,进入调制电压源的电流是正的,TM可用一个可变电阻如三极管来充当,如图7所示。由于线路简单,尽管有约2W的功耗,许多厂家都采用了这种形式的带有源负载的二极管调制器。如下面我们要分析的松下“画王”系列和东芝“火箭炮”系列大屏幕彩色电视机中都采用了这种电路形式。
如果采用开关式驱动器T\(_{M}\),则可减少功耗,像常用的左右枕形失真校正IC—TDA8145等就是采用这种形式的。这种驱动器可由一脉宽调制器和一附加电感组成,如图8所示。

图8中,A点调制脉宽的矩形波提供偏置,频率一般为行频。当脉宽变宽时, I\(_{S}\)减小,则ILY减少,行幅减小;当脉宽变窄时,I\(_{LY}\)增大,行幅增大。这样通过改变脉宽即可改变行幅。若脉宽受场期间抛物波形调制,就可获得图2所示的左右枕形失真校正电流。
三、松下“画王”系列大屏幕彩色电视机左右枕校电路。
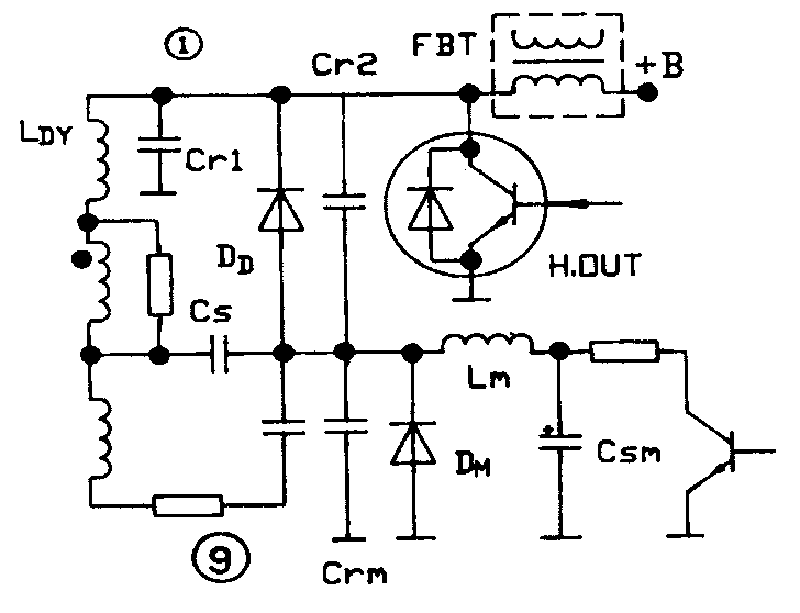
图9给出了应用于日本松下公司M16M/S机心“画王”系列大屏幕彩色电视机中的左右枕校电路,可等效为图7所示的电路。

扫描正程结束时,谐振回路电流环路如图中箭头所示储存在行偏转线圈LDY中的能量传输给C\(_{Y1}\);储存在调制线圈L中的能量传输给GY2,同时储存在回扫变压器FBT初级线圈中的能量传输给CY1和C\(_{Y2}\),使①、②两点产生幅度不等的正脉冲电压,如图10所示。②点脉冲经CS2、 L积分在G\(_{S2}\)上产生一正电压VM。则有V\(_{M}\)+VS=V\(_{B}\)。显然调制VM使之具有场期间的抛物波形状,则V\(_{S}\)也具有互补的抛物波形状,如图11所示。


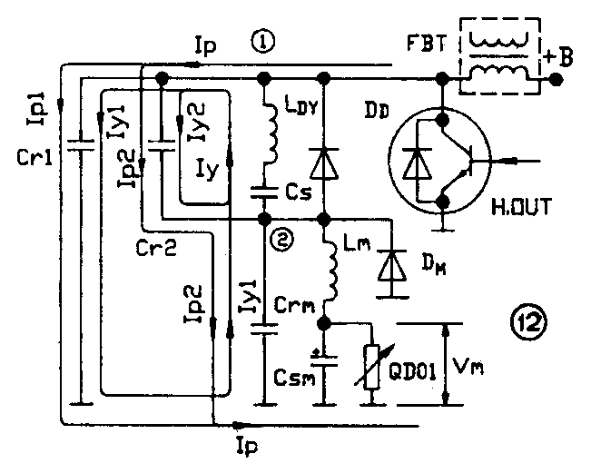
在实际电路中,行输出管集电极与地之间还接有一个谐振电容,因此行回扫期间的谐振电流回路变成如图12中箭头所示。在传统电路中显像管屏幕亮度变化时高压电流变化,阳极高压也变化造成行幅也变化。但在此电路中,由于上述谐振电容的接入,使行幅随高压电流、高压电压变化的量几乎为零。原理如下:

当扫描期间结束时,储存在偏转线圈L\(_{DY}\)中的能量以电流IY形式传输给谐振电路,在该电路中电流分成两部分,I\(_{Y1}\)流过Cr1、C\(_{r2}\),IY2流过C\(_{r2}\),同时,储存在回扫变压器初级线圈中的能量也分成两部分,,IP1流过C\(_{r1}\),IP2流过C\(_{r2}\)和CS,因此实际流过C\(_{S}\)的电流为IY1与I\(_{Y2}\)之差(IY1-I\(_{P2}\))。
当图像暗场时,高压电流减小,则初级线圈中的电流I\(_{P}\)也减小,IP1、I\(_{P2}\)也相应减小,使流过C3的电流(IY1-I\(_{P2}\))增加,使②点产生的脉冲电压增加,即Csm两端的电压VM增加,如图13所示。因此S校正电容CS两端的电压也增加。流过行偏转线圈中的电流将增加,行幅增大。另一方面由于高压电流减小高压升高,将使行幅减小,二者相互抵消,使行幅保持不变,这是该电路的特殊优点之一。

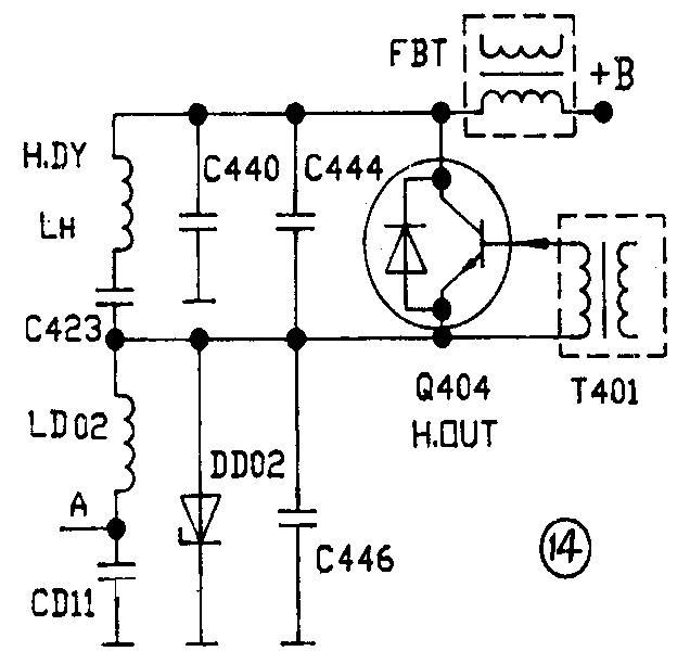
四、东芝“火箭炮”系列大屏幕彩色电视机左右枕校电路。
图14是应用于日本东芝公司“火箭炮”大屏幕彩色电视机中的二极管调制器型左右枕校电路,其简化电路如图15所示,它与上述基本型有所不同,行输出管发射极不接地而是接在阻尼管中间,是一种变形的二极管调制器型枕校电路。在回扫期间,诸振电路的电流环路如图中箭头所示,储存在偏转线圈L\(_{DY}\)中的能量将传输到Crm中,结果使Cr两端①点产生图16(a)所示的正行脉冲,在Crm两端②点产生图16(b)所示的负脉冲电压,②点脉冲电压经Csm、Lm积分,在Csm两端得到一负极性电压。这与基本型有所不同。用激励电路QD01调制这一电压,使之具有抛物波形状,就可得到图17所示的VM形状,结果产生CS两端的电压VS=V\(_{B}\)+VM,使V\(_{S}\)具有图2所示抛物波形状。这一电压使行偏转线圈中产生抛物波形状的行偏转电流,从而完成左右枕形失真的校正。




图15中Crm也具有稳定行幅的作用。
对比图11与图17不难看出,在相同行偏转线圈激励电压V\(_{S}\)下,采用变形二极管调制器型枕校电路的机心,其主电源电压VB与采用基本型的机心相比,降低了2V\(_{M}\),且VM的幅度不受主电压V\(_{B}\)的限制,这对电源及回扫变压器FBT的设计是有利的。
五、枕校调制激励电路
枕校调制激励电路的作用是产生一个具有一定抛物波包络形状的调制电压,通过这一电压的波形,可以校正图像的各种几何失真,如枕形失真、梯形失真等。还可调整行幅(图像宽度)。如前文所述,它可以是一个受控可变电阻,通常是由一功率晶体管来充当的;也可以是一个开关驱动器,通常是由一工作于行频的脉宽调制器和一附加电感组成的。前者虽有约2W的功耗(需加装散热器),但线路简洁,一般是分立件形式,许多机型采用;而后者功耗小,效率高,易于集成化,不需外加散热器,也有不少机型采用。另外,二者均需要一个波形产生电路。

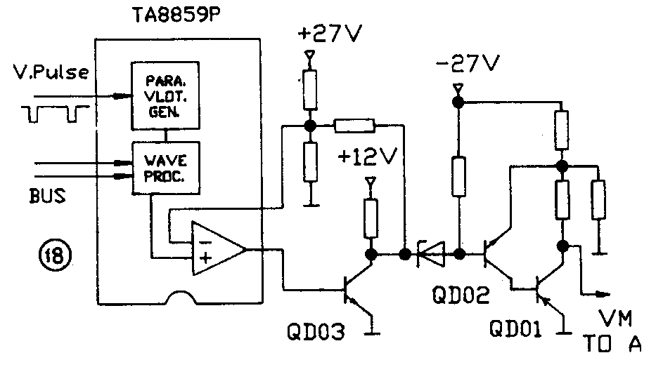
图18给出了东芝“火箭炮”系列机心中采用的二极管调制器激励电路。可驱动图14所示的电路。TA8859P(或TA8739P)是一ⅡC-BUS(总线)控制的偏转失真校正IC。输入一个场同步(定时)信号,IC内部将产生一场频抛物波,通过总线可调整该抛物波的相位和幅度电平等。输出级是一个甲类(A类)放大器,其C—E之间的内部电阻在场期间按抛物波变化,从而完成二极管调制器的驱动,实现偏转失真校正。

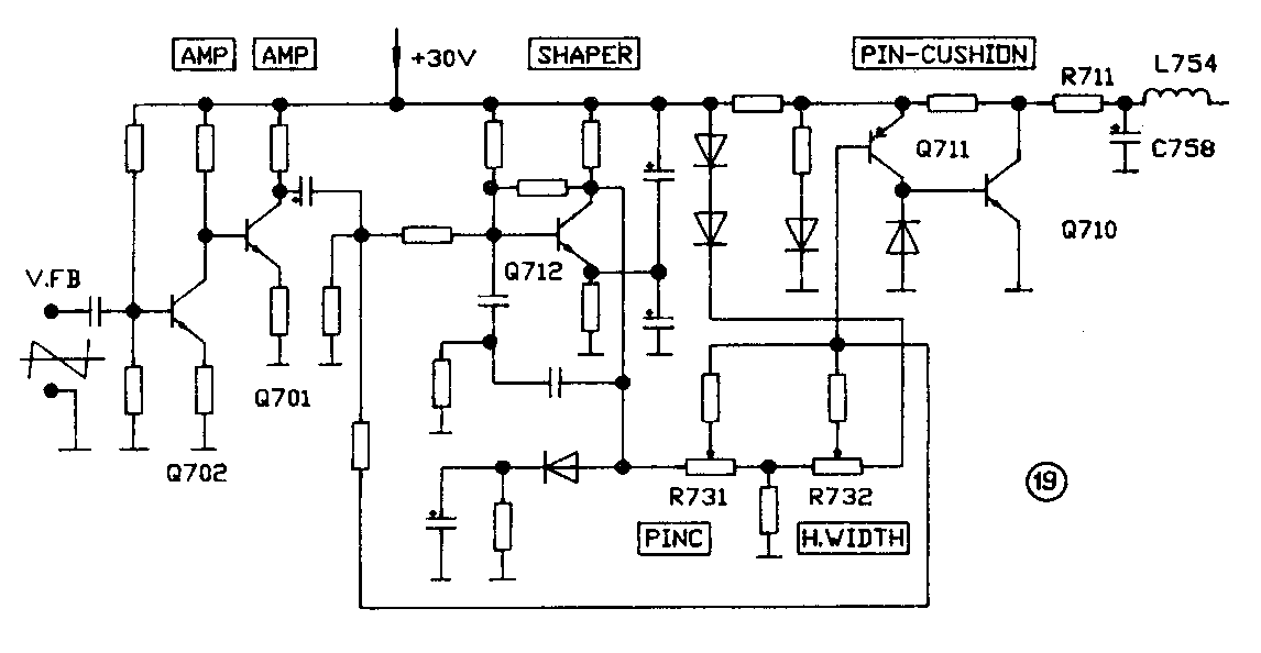
图19给出了松下“画王”系列M16M/S机心中采用的二极管调制器驱动电路。为保证抛物波的长期稳定性,抛弃了传统的从场输出电容上取抛物波的方法,而采用了专门设计的抛物波产生电路,避免了输出电容稳定性对抛物波的影响。该电路输入取自偏转电流取样电阻,为一锯齿波。经Q702、Q701两级放大后,送至抛物波产生电路Q712,产生枕校用场频抛物波。调整R731“PINC”(枕形校正),可改变枕校量的大小;调整R732“H.WIDTH”(水平宽度)电位器,可改变行幅度大小。输出级也采用了甲类放大器(受控可变电阻)形式。其原理此处不再赘述。由于全部采用通用器件,器件的选择有着较大的灵活性。

图20是25英寸机心中常见的一种二极管调制器激励电路。它采用了SGS-THOMSON公司研制的开关驱动器IC-TDA8145。该IC集波形产生与脉宽调制器输出于一体,结构紧凑,功耗较低,有较广的应用。它也可驱动基本型二极管调制器。图中VR01用于调整梯形失真,VR02用于调整枕形失真,VR03用于调整行幅。V.PLS取自偏转电流取样电阻,为一锯齿波;H.PLS取自FBT;ABL连接至FBT的ABL端。V.M连接至图9或图12中的Csm。其工作原理前文已述。 (李砚泉)